
电力线载波通信IC-LM1893及应用电路
电力线载波通信是利用现有的电力线路来传输信号的,其工作原理简述为:将数据或语音调制在几十至几百KHz的载波频率上通过电力线发送出去,接收端将电力线上载有信号的载波接收下来进行解调还原出原来的语音或数据。通信的载体即现成的电力线,无需象有线通信一样重新铺设通信线路。也不象无线传输那样需要复杂的发送接收设备来传输信息。它无需架设额外的通信线路,也不占用宝贵的无线频谱资源,因此很适合于小集团内部(一般在同一个电力变压器间)组成局域网络达到数据或语音的传输目的。
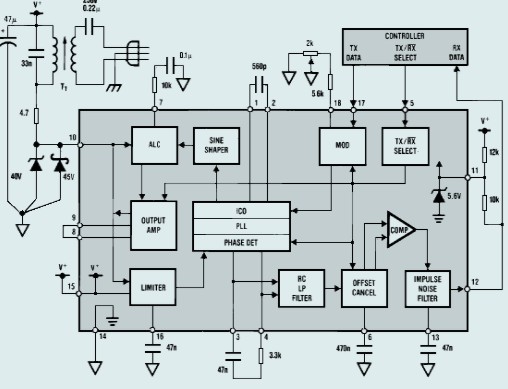
LM1893是美国国家半导体器件公司(NaTIonal Semiconductor)开发的电力线载波通信集成电路,集成了发送和接收数据的全部功能,可实现串行数据的半双工通信。只需少量的外接元件即可构成完整的电力线载波通信系统,适合于工业自动控制系统,楼宇数据或语音通信、家用电器集中控制、医院的紧急呼叫系统、防火报警及计算机数据传输等应用场合。其主要功能特性如下:
FSK抗噪声调制技术
可选择噪声滤波的脉冲发生器
数据传输率达4.8kB
正弦波载频以降低射频干扰
射频功率可增强10倍
载波频率可在50—300kHz之间选择
兼容TTL和MOS逻辑电平
可调节电压至功率电平
可驱动现有的各种电力线路
LM1893内部集成了发送和接收两个独立的部分,发送部分内置了FSK调制器、正弦波发生器、电流型控制振荡器、自动增益控制电路(ALC)及输出功率放大器等单元电路。接收部分包含了限幅放大器、锁相环解调器、低通滤波器、直流嵌位电路和噪声滤波器等单元电路。TX/RX为发送或接收的控制引脚,当TX/RX为高电平时,电路处于发送工作模式,数据信号从P17输入FSK调制器,形成开关控制电流并驱动振荡器产生±2.2%频偏的三角波,经正弦波整形电路输出正弦波信号,再经功率放大后由耦合线圈传输到电力线路上去。ALC(自动增益控制电路)是保证电力线路负载变化时,输出的载波电平保持在一定的电平范围内。

欢迎分享,转载请注明来源:内存溢出
赞
(0)
打赏
微信扫一扫
支付宝扫一扫
微信扫一扫
支付宝扫一扫
过压保护的低压5A12V直流电源原理及应用
上一篇
2022-08-10
应用于手持设备的无线调制解调器电源
下一篇2022-08-10
评论列表(0条)