
医用呼叫系统是病员需要获得护理或诊断时发出请求的呼叫工具,可将病员的请求快速传达给值班医生或护士,是提高医院护理水平的必需设备之一。它作为病员与护士及医生之间联系的桥梁,正日益显现出其实用性和优越性。它在提升医院的综合水平,提高服务质量和服务效率,解决因陪护引起的医患矛盾等方面扮演了相当重要的角色。早期的医用呼叫系统大多采用集中式结构,各个病房单独通过信号电缆和护士室相连,此类系统具有成本高、安装调试困难、故障率较高等缺点。
本文介绍了一种新型的呼叫系统,主机与病房分机均采用PIC 系列单片机实现,主机和分机之间不采用计算机通信口连接,而是采用电源载波技术,通过主机向各分机提供的电源线实现数据通信和语音通信。整个系统安装简单、维护方便,大大提高了该装置的实用性。
1 系统总体设计系统由主机、分机、显示和 *** 控4 部分组成,电话和一览表上的按钮为控制的输入部分,主机和病员一览表显示窗安装在病区护士站,LED 显示屏安装在走廊,分机分别设置在病房的各个床头,结构框图如图1 所示。
一旦病房床头有人按呼叫按钮,护士站的主机就发出铃声或者电话响铃,同时,走廊显示屏同步显示呼叫床位号,护士人员便可以立刻赶往病房处理紧急情况。

图1 系统结构框架图
系统采用主机集中供电的方式和电源载波技术,通过主机与各分机、电子显示屏连接的电源线提供电源,同时通过供电电缆实现主机与分机的半双工数据通信及全双工语音通信,主机和电子显示屏之间实现单工数据通信。系统可24 小时连续工作,并具有静电保护和雷电保护功能。
系统采用一个主机,多个分机,主机与分机用二线制方式通信,各分机分别挂接在总线上,由主机提供电源。每个分机具有惟一的地址编号,与主机通信时均以此号码识别。主机呼叫分机时唤醒所有分机,通过总线发送分机地址编码,分机将收到的地址码与自身的地址码比较,只有相同的分机才启动通话电路,不相同的都不作响应。分机呼叫主机,主机将收到的分机号通过DTMF 方式送给电话进行响铃和显示来电,并同时送给显示模块,主机摘机即可实现通话。各分机只有在呼叫或者被查询时才被唤醒,总线上才会有数据传输,不进行通信时处于“睡眠”状态,实现节能效果。
2 呼叫系统硬件设计 2. 1 主机硬件设计主机主要包括主控制板、显示设备、电话机、电源,功能框图如图2 所示。

图2 主机硬件框图
主控制板的需要完成以下功能: 信号收发、信息显示、信息存储。根据需求分析,主控CPU 必须功能强大、资源丰富。在此选择了Microchip 公司的PIC16F877A,其具有高性能RISC CPU ,10 位多通道数/ 模转换,,所有GPIO 引脚都具有引脚上电平变化触发中断的功能,以及128 B 的数据E2 PROM 存储器。
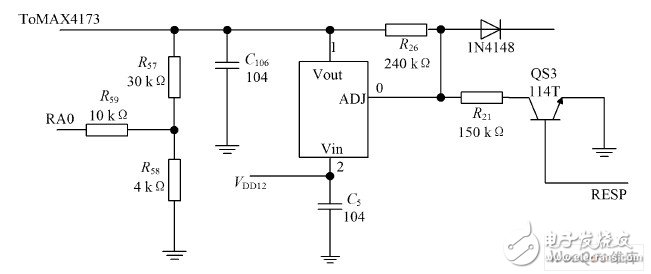
当主分机识别到起始信号,就会触发中断收码,图3 为主机发码电路。当主机发送信号时,由RESP 脚控制三极管QS3 的导通和截止,以控制总线电压的高低变化。图4 是主机收码电路,分机发给主机的信号,经整形放大以后,送入锁相环LM567 调制成PIC16F877A 能识别的电平信号。LM567 通过5,6 引脚外接的定时元件Rt 、Ct 设定中心频率,关系式为:f 0 ≈1/ ( 1. 1RtCt ) ,工作频率可在0. 01 Hz~ 500 kHz范围内连续变化。系统设定中心频率为100 kHz,第8 脚接877A 的RB7,RB 口的引脚具有电平触发中断功能,当第3 脚输入100 kHz 的信号时,第8 脚输出低电平触发877A 中断开始收码,平时第8 脚保持为高电平。

图3 主机发码电路

图4 主机收码电路
2. 2 分机硬件设计分机的CPU 选用PIC 系列的PIC12F629,采用此单片机,一是为了降低成本,减小分机体积; 二是为了降低分机功耗 。功放选用的是内置补偿型低噪声双运算放大器NE5532,分机框图如图5 所示。

图5 分机结构框图
分机不分正负极地挂接到总线上,由主机供电,当无信号传输时,总线上电压为9 V 直流,经由三极管构成的串联稳压电路后,为分机芯片提供5 V 的稳定电压。当总线处于空闲状态时,各分机处于休眠状态,此时分机上三极管Q6 处于截止,使得运放NE5532 处于挂断状态,每个分机的功耗很小,当总线上挂有较多分机时,总线上流过较小的静态工作电流,确保系统正常工作。L1 为红、绿双色灯,用于指示分机状态,分机休眠时L1 熄灭。主机呼叫分机。分机的引脚GP0 为下行呼叫信号的接收端,当CIN 脚收到起始信号时被唤醒,然后判断起始信号是否有效,若有效便开始收码。
若满足接通条件,CLKIN 脚输出为高电平,三极管Q6处于饱和导通状态,给运放NE5532 供电,则该分机处于对讲状态。否则GP2 保持低电平,三极管处于截止状态,该分机会回到休眠状态。分机呼叫主机。按下床头或者手柄上的按钮,分机CPU 由GP4 引脚输出呼叫信号,经Q5 放大后耦合至总线,分机等待应答同时L1发绿光; 主机应答后,GP5 输出高电平,三极管处于饱和导通状态,NE5532 进入工作状态,L1 发红光表示,表示该分机处于对讲状态。当分机处于与主机对讲状态,下行的音频信号通过总线,经运放放大后驱动分机扬声器发声。上行的语音信号,经运放放大后,通过三极管Q7 耦合到系统总线上。
3 通信方式与传输协议目前市场上有的呼叫系统采用CAN 总线协议,使用带CAN 通信模块的MCU,但是此类MCU 一般价格比较昂贵; 还有的采用DTMF( 双音多频) 传输协议,即使用DTMF 信号编解码芯片,主分机发送DTMF 信号来通信,即主机机均使用DTMF 信号编解码芯片,也存在着成本偏高的问题。因此该系统的设计,在考虑通信稳定的原则上,只在主机电路上使用DTMF 信号编解码芯片,编写通信协议,通过增加软件设计的复杂程度,合理地降低产品成本。
3. 1 分机发码方式分机发码采用100 kHz 的方波,由单片机GPIO4引脚输出并经三极管耦合至总线。分机呼叫时发送一定时长的方波,如图6 所示,分机回复主机的信号是间隔性的方波,如图7 所示。

图6 分机呼叫信号示意图

图7 分机应答信号示意图
3. 2 主机发码方式主机发码采用变长占空比发送码元,其中1 :1 的占空比表示0 码元,而若占空比为3 :1 则表示码元1,主机发码示意图如图8 所示。
3. 3 通信协议为保证通信过程的可靠性,特制定如下通信协议:主机发码数据格式规定为: 控制命令+ 分机地址,每次发送11 位数据,其中bit11~ bit9 为是命令码,低字节为指定分机的号码。主机发码时,先发起始信号,分机识别到起始信号后开始收码。分机的号码存储在各自E2PROM 里,初始值均设为0,主机可对其在线编码,收到主机的改号命令,所有分机的LED 指示灯点亮,提示用户按键,修改成功后将返回主机一个确认信号,否则将超时退出而不作处理。分机只有在主动呼叫或识别到主机的起始信号后才被唤醒,平时处于睡眠状态,因此极大地节省了功耗。

图8 主机发码示意图
主机查询时,每查询一个分机后,都先检测是否有摘机,若摘机将会执行摘机流程。所有分机的忙标志从刚开始查询时就会被置位,此不允许分机呼叫时再发码,此时分机呼叫主机仍能检测到,只是总线上没有方波传输,因此保证了通信的稳定性。
主、分机进行语音通信时,其他分机仍可以发出呼叫,由于请求信号的方波是100 kHz,而语音频率范围为0. 3~ 3. 4 kHz,主机在电话挂机的状态下才查询呼叫的分机,不会便相互干扰,因此语音信号和数字信号可以同时在总线上传输。分机呼叫时发送100 kH z 方波到总线,主机由收到电路检测到低电平,触发中断进行收码,然后主机将先屏蔽此呼入中断,再开始按病床护理等级的高低依次查询,若查询到该分机,就回复应答信号,没有呼叫的分机不做应答。查询完以后恢复呼入电平中断,并发送命令通知分机复位的忙标志位。
4 主分机软件设计与实现 4. 1 工作流程系统主机、分机通信软件主要包括发送和接收2 部分,分发送模块和主机收码流程分别如图9 和图10 所示。每个分机需包含分机地址码,广播机标志位,这些信息均存储在E2PROM 中,当第一次启动分机后,写入初始值,以后只从指定地址读取分机信息。地址分配如表1 所示。
表1 分机E2 PROM分配

为了保证发码的准确性,使波形更加精确,在发码模块采用了汇编语言提高,并通过参数控制发码周期,发送100 kH z 的方波,精确到微秒级,经实验测得频率误差小于5%。收码均用定时器读取。由于主机采用变长编码,因此分机解码过程需要根据协议进行1 或0门限判决; 主机解码主要由锁相环集成芯片LM567 完成,加上分机回复码只分有无回复二种。

图9 分机流程图

图10 主机收码流程
4. 2 系统稳定性此系统很好解决了呼叫与请求总线的冲突,由于主机总是从1 号分机查询到最后一个,主机在查询时分机都不能发100 kHz 的方波,因此总线不会受到干扰,误码率大大降低,且不会遗漏分机请求,即使出现100 个分机同时呼叫这种极端情况,主机也能一一响应。主机采用变长编码,分机用码时采用定时器读取,配以计数的状态机,使CPU 能准确解码,而且能够消除毛刺带来的影响,保证了收码的准确性。主机和分机在主循环中同样采用状态机,用全局变量在各状态间切换并用变量及标志位控制,合理地分配CPU 资源,能够及时处理最紧急事件 。主机电话挂机还能复位输入的变量,即使 *** 作失误,仍能通过挂机来取消。
5 结 语该系统采用载波技术,实现了两线无极性连接,使安装施工变得十分简单。分机采用低功耗稳压电源和PIC 单片机,使分机具有较低功耗,从而系统具有较好的扩展性。主机与分机通信距离大于等于1 000 m,分机数大于等于100,能满足各种规模医院的要求,并预留了接口与PC 进行通信。在通信稳定的基础上,使用了经济实惠的芯片,具有安装布线简单,便于检测维修,节约设计成本等优点。本文研发的样机已经经过实验运行验证了其有效性和实用价值,并已投入小批量试生产,具有良好的推广应用前景。
欢迎分享,转载请注明来源:内存溢出
微信扫一扫
支付宝扫一扫
评论列表(0条)