
NCP1651组成的90W通用输入单级PFC反激式变换器电路
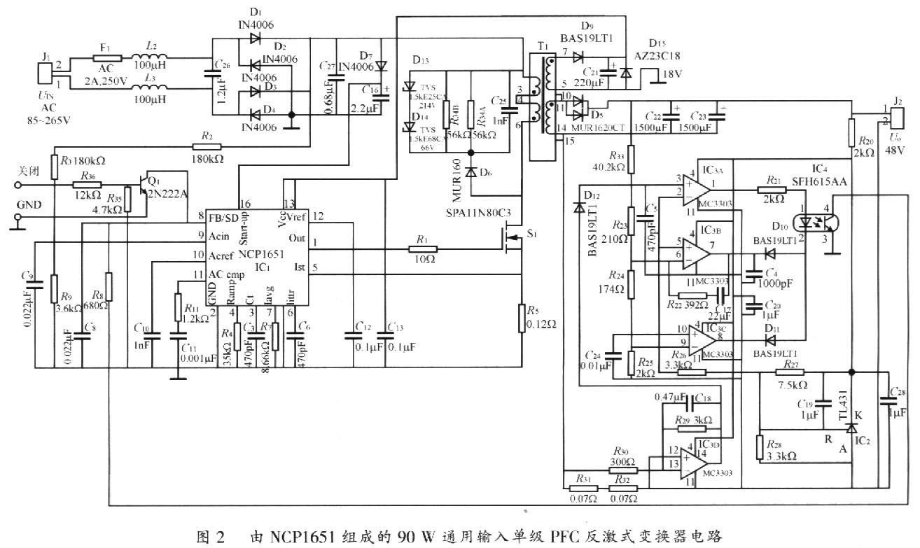
由NCPl651组成的90W通用输入单级PFC反激式变换器电路如图2所示。该变换器的AC输入线路电压范围为85~265V.DC输出电压为48V,工作在CCM方式。 
在系统加电之后,桥式整流器(D1~D4)输出经D7对电容C16充电。当C16上的电压达到17V的门限电平时,IC1(NCPl651)脚16导通,内部高压启动电路中的电流源从脚13流出,对连接在变压器T1偏置绕组(⑦与⑤之间)上的电容C21充电。当C21上的电压超过10.8V的导通门限电压时,IC1启动,变换器开始工作,IC1引脚Vcc上的所需电流,由T1偏置绕组、D9、C21和齐纳二极管D15组成的辅助电源供给。在TC1开始工作后,内部高压启动电路则截止。IC1的振荡器频率由脚3上的电容C3值确定。在C3=470 pF的条件下,开关频率为100 kHz。
S1源极电阻R5用作感测初级电流。在S1漏极上连接的阻尼电路中,D13和D14为瞬态电压抑制(TVS)二极管。前者击穿电压为214V,后者击穿电压为68V。IC1脚8上连接的晶体管Q1等组成外部关闭电路。次级侧的IC3(MC3303)为四运算放大器芯片。其中,lC3B作为误差放大器使用,lC3D被配置成差分放大器,IC3A和IC3C分别配置为输出欠电压和过电压比较器。IC2(TL431)为lC3B的同相端(脚5)和IC3A的反相输入端(脚2)提供2.5V的参考电压。输出电压(U0)经R33、R23和R24、R25组成的分压器分压,将误差放大器IC3B反相输入端(脚6)上的电压设置在2.5V。
电压调节环路的工作过程是:当输出电压低于其额定值(48V)时,在IC3B脚6上的电压将低于脚5上2.5V的参考电压,致使TC3B输出电压增加,光耦合器LED电流减小,从而引起光耦合器晶体管电流减小,IC1脚8上的电压升高。而IC1脚8上电压的提高,使内部参考乘法器输出增加,NCPl65l的PWM占空比增加。
欠电压比较器IC3A为光耦合器IC4提供驱动。在出现欠电压情况时,IC3A输出变低,IC4中LED电流减小,使NCPl651进入高占空比状态,迫使输出电压升至欠电压限制电平以上。
过电压比较器IC3C的输出与IC3B的输出进行“或”运算。在过电压情况下,IC3C输出变为OV,使IC4中LED电流达到最大值,占空比减小到零,直到输出电压降至过电压限制电平以下。
IC3D被配置成差分放大器,用于感测DC输出电流,提供一个经二极管进行“或”运算的信号进入反馈分压器。过载电流限制被设置在满载的125%,即(P0/U0)1.25=(90/48)×1.25=2.34A。电阻R31和R32用作感测输出电流,R29、R30用作设置电流感测放大器增益。放大器增益为:
G=(R29/R30)+1=(3kΩ/0.3kΩ)+1=11
放大器输入电压为:2.34A×(R31+R32)=2.34×0.14Ω=0.33V。差分放大器输出电压为:0.33V×G=0.33V×11=3.63V。
当输出负载电流增加时,电流感测放大器输出也相应增加。当放大器输出电压与_二极管D12的电压降之差值高于2.5V时,误差放大器IC3B反相输入端上的电压被拉高,IC3B输出电压降低,IC4中LED电流增大,lC4中晶体管电流相应增加,NCPl65l脚8上的电压降低,占空比减小,从而实现限流过载保护。
欢迎分享,转载请注明来源:内存溢出
微信扫一扫
支付宝扫一扫
评论列表(0条)