
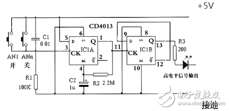
简单的多地控制开关电路 CD4013
该电路用作节能灯的使用方法是:上楼时,按动一下AN1,H点亮。进房后再按动一下ANn,此时H熄灭。它与单稳态节能灯不同之处是,从按动AN1至按动ANn的时间可以随意,且不受时间和空间的限制。
控制原理图:

应用控制电路:

CD4013集成电路信号传送特性1:
当CD4013第3脚 (CK) 端输入高电平时,第1脚 (Q)端输出高电平。
当CD4013第11脚(CK) 端输入高电平时,第13脚(Q)端输出高电平。
CD4013集成电路信号传送特性2:
4013 是集成触发器芯片,内部有两个独立的D触发器。每个触发器都有一个置位端(SET),复位端(RESET),时钟端(CLOCK),数据输入端(DAT A),两个输出端Q和Q/端。
电压范围:3-18V


功能描述:
当R为1、S为0时,无论D和CL(时钟)为什么状态,输出Q一定为0,因此R可称为复位端。当S为1、R为0时,输出Q一定为1,s称为置位端。
当R、S均为0时,Q在CP端有脉冲上升沿到来时动作,具体是Q=D,即若D为1则Q也为1,若D为0则Q也为0。

按下S1 ,R=1,电路复位,Q端输出0,按下S2,S=1,电路置位,Q端输出1.为1时三极管导通,继电器得电动作。按下S2后,继电器始终保持吸和状态,只有按下S1继电器触点才释放。此电路为 基本的RS触发器。

当S1未被按下时,复位端R=O,否则如果R=l,电路将强行复位 Q=0, 所充电荷通过R2向Q端放电,最终使R=0,这是电路的稳态。当按一下S1,CP端电位由“O 到1 ,其上升沿触发电路传输D端的数据,因D=1,所以Q=1,此为暂稳态。Q端的高电位通过R2向C充电.当c两端电压达到复位电平时.则R=1,电路复位,Q 端变为低电平?0’.暂稳态结束,电路回复到稳态。上图作为楼道灯延时关灯线路,稳态时,Q 端为低电平,三极管 截止,继电器不工作,灯泡不亮 当按一下S1,电路进人暂稳态.Q=1,三极管饱和导通,继电器得电,其常开触点吸合接通梯道灯,灯点亮.暂稳态过后,灯自动熄灭。暂稳态时间即为灯泡点亮的时间,由R2和C的参数决定。

设在电源接通后的瞬阀Q 端精出为高电平,该高电平通过RP2向C2充电,当C2端电压上升到复位电平时.Q 端为变为低电平,C2通过VD2 向Q端放电 当Q 端为低电平时,因Q/ 为Q 的倒相输出端,所以Q\ 为高电平,该高电平通过RP1向C1充电.当c1端电压上升到置位电平时,电路置数,Q 变为高电平,Q变为低电平,Q端的高电平向c2充电,Q端的低电平使c1向它放电,如此循环 在Q 和Q端交替出现高低电平,形成振荡。因电路的输出端Q和Q没有一个稳定的状态 所以该电路叫无稳态振荡器:Q端的振荡信号加到三极管的基极放大,推动扬声器发出响亮的音频叫声:振荡频率由RP1.RP2.C1,C2决定 因此也称为音频信号发生器


交流220V电压经VD1~VD4整流、R1限流、C1滤波及VS稳压后,为光控电路和执行电路提供+12V工作电压。 白天,RG1和RG2受光照射而呈低阻状态,IC的S1端为低电平,R1端为高电平,1端输出低电平,VT处于截止状态,K处于释放状态,照明灯EL不亮。 夜晚,RG1和RG2因无光照射或,使IC的S1端变为高电平,R1端变为低电平,Q1端输出高电平,VT饱和导通,K通电吸和,其常开触头接通,EL点亮。 天亮后,RG1和RG2阻值下降,IC的Q1端又输出低电平,VT截止,K释放,EL熄灭。
欢迎分享,转载请注明来源:内存溢出
微信扫一扫
支付宝扫一扫
评论列表(0条)