
[编者按]钱照明教授等撰述的这篇文章,对于我国电源行业的企业家们,很值得一读。他提出:“提高我国电源行业的技术、生产队伍的素质变得非常重要和刻不容缓”。
从美国电源工业发展计划看我国电源工业的发展趋势
当前美国电源工业市场的结构和分布示于图1

图1中所示电源制造厂生产的大多数电源是直接运给OEMS和分销商的。目前增值转卖商销售量尚不大,但是将变得日渐重要起来。
1.1AC/DC开关电源市场预测
(1)额定功率按AC/DC开关电源的额定功率大小分类,各类电源市场占有比例及年增长率示于表1。251-500W电源在1992年占有比例21.5%,而到1996年却下降到15.8%,近年来低功率及高功率电源占比例上升较快,其中1001-1500W电源消费增长率是最高的,预见年增长率可达16.5%,主要需求是非军用的、商用的要求大量输出电压较低而输出功率较高的AC/DC开关电源。
表1按额定功率大小分类,AC/DC
开关电源的市场(百万美元)及年增长率
1501-2000W
1001-1500W
751-1000W
501-750W
251-500W
151-250W
76-150W
25-75W
小于25W
189.4
239.5
196.7
300.8
425.2
426.3
274.8
232.6
125.3
234.8
324.7
251.4
384.0
542.7
534.5
347.4
291.1
152.2
325.2
514.7
364.4
554.8
785.4
752.2
495.8
408.4
204.1
11.4%
16.5%
13.1%
13.0%
13.1%
12.0%
12.5%
11.9%
10.2%
(2)用户应用领域
图1美国电源工业市场的结构和分布
表4按用户应用领域分类,各类DC/DC
开关电源市场占有比例及年增长率
表3按额定功率大小分类,DC/DC
开关电源的市场(百万美元)及年增长率
501-750W
251-500W
151-250W
101-150W
51-100W
26-50W
16-25W
6-15W
1-5W
小于1W
70.0
70.4
91.3
95.9
130.2
62.5
51.0
31.7
43.3
8.2
92.4
94.51
20.7
118.7
174.2
80.5
69.7
42.7
55.0
10.6
140.7
149.3
184.5
164.2
244.5
118.3
111.3
66.9
78.8
15.3
15.0%
16.2%
15.1%
11.4%
11.0%
13.6%
16.9%
16.1%
12.7%
13.3%
表5500W以内的AC/DC变换器技术的主要发展趋势
表2按用户应用领域分类,各类AC/DC
开关电源市场(百万美元)及年增长率
远程及数据通讯
工业/仪器
军事/航天
其它
761.9
333.3
124.4
14.6
1,035.8
399.8
129.4
16.9
1,579.9
522.5
137.3
21.1
15.1%
9.4%
2.0%
7.5%
1.2DC/DC变换器市场预测
(1)功率定额按DC/DC开关电源的额定功率大小分类,各类电源市场占有比例及年增长率示于表3。从表3数据可见,51-250WDC/DC开关电源在过去四年中占的份额最大。由于微处理器的高速化,DC/DC开关电源由低功率向中功率方向发展是必然趋势。一般说来,DC/DC开关电源在低功率范围增长率最快,其中16-25WDC/DC开关电源的增长率最高,这是因为它们大量用于直流分布式电源,而直流分布式电源正广泛地用于测试和测量设备、计算机显示系统、坚固可靠的计算机和军用通讯系统。251-500WDC/DC开关电源增长率则居于第二位,它们主要用于服务性的医疗和实验室设备、工业控制设备、远程通讯设备、多路通讯及其它发送设备。51-100WDC/DC开关电源在1996年占的份额最高,但预见增长率较低。
(2)用户应用领域按DC/DC开关电源的用户应用领域分类,各类电源市场占有比例及年增长率示于表4。从表4数据可见,与AC/DC电源情况类似,DC/DC开关电源在远程通讯和数字通讯领域,年增长率最高,达15.2%。
2小功率变换器在今后五年内的发展趋势
文献[2]就美国10-25W及50-200WDC/DC变换器及500W以内的AC/DC变换器三类变换器的技术、价格现状和未来发展趋势作了综合的对比,分别示于表5、表6、表7。从中我们可以看出,小功率变换器在今后五年内的主要发展趋势是:为适应超高速CPU芯片的迅速发展,DC/DC类变换器向低输出电压(最低将低到1.2V)、低成本、高输出电流、高频化(400~500kHz)、高功率密度、高可靠性(MTBF≥106h)、高效率的方向发展。
3低压大电流DC/DC变换器的技术方向
如前所述,现代微处理器和一些超高速的超大规模集成电路芯片,如IntelPenitumPro等,要求运
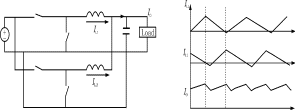
图2交错叠加型准方波抵消纹波的变换拓扑原理图
表610~25WDC/DC变换器技术的主要发展趋势
行在低电压(2.4~3.3V)、大电流(>13A)状态,而直流母线电压通常为5~12V。这样就对其供电电源(电压调整模块-VRM)提出了新的挑战,见文献[4]。要求VRM具有非常快速的负载电流动态响应,在保证足够小体积的同时,具有较高的效率。表8给出了现代微处理器对VRM有要求:
表8现代微处理器对VRM的要求
为了使VRM具有快速的负载电流动态响应,传统的解决办法是VRM的输出端并联很多容量很大、等效串联电阻很小的去耦电容器。显然,该方法存在如下问题:
(1)去耦电容器体积很大,而现代微处理器对VRM的体积有严格的要求;
(2)去耦电容只能改善动态响应的最初阶段,对后阶段及总的动态响应时间没有作用。
为此,文献[3]提出了一种交错叠加型准方波抵消纹波的变换拓扑结构。其原理如图2所示。

表9比较了该方案与传统采用大容量去耦电容器方案的结果。结果表明,该结构在保证要求输出纹波的前提下,不但可以大大减小输出电容器的容量,
而且能大大减小VRM的输出滤波电感的电感量。
表9与传统大容量退耦电容器方案的比较结果
除此而外,为了提高VRM的动态响应,还必须力求减小供电母线的引线电感。最有效的办法是将VRM作成“装在印制板上”的形式,直接装在负载附近,而不采取集中电源供电的形式。另一方面,还要求VRM本身具有十分小的引线电感。为了保证VRM具有足够高的效率,必须采用同步整流和漏感很小的平面超薄型的变压器[3]。目前,美国能生产这类新型DC/DC变换器—VRMs(VoltageRegulatorModules)的生产厂主要有Astec,CelesTIca和VXI。
此外,未来的开关电源系统中另一个迅速发展的趋向是集成功率保护系统—IPPS(IntegratedPowerProtecTIonSystem)。目前,在这个市场做得最好的公司是加拿大的Amsdell公司,它的新工艺使成本减到可与PS/2电源相比拟。
4对我国电源行业发展的几点思考
鉴于前面对美国电源工业发展计划的综述和分析,我们可以得到许多有益的启示,特别是对我国电源行业今后的发展趋向,可以作一番认真的思考:
(1)到2001年,美国开关电源的市场仍以百分之十几的平均年增长率发展,而我国目前还是一个发展中国家,我国的开关电源市场还远未开拓,相控电源仍在我国电源工业中占有相当大的比例。我们认为,从长远及战略的观点看,利用PWM技术的电源最终必将取代各类相控电源。所以,集中力量自行开发、生产国产开关电源,全力开拓和占领我国国内的开关电源市场,必须引起我们足够的重视,以免重蹈国内的中小功率通用型变频器市场几乎全为国外产品占领的复辙。
(2)从分析美国生产的各类开关电源可以看出,小功率(1~2kW以下)的开关电源在美国电源工业总产值中占有相当大的比例。因此,我们应当全力加强对小功率开关电源的研究、开发和组织规模生产,以迅速形成我国自己的开关电源产业。
(3)小功率开关电源是一种技术含量较高的电力电子产品。高可靠性是第一位重要的指标,其次EMI、PFC、效率、体积、重量和成本等指标,也是我们自己生产的产品能否参与国际市场竞争的重要因素。为此,提高我国电源行业的技术、生产队伍的素质变得非常重要和刻不容缓。
(4)在开发和发展电源产业过程中,必须同步发展高频磁性材料、元件以及模块制造技术,它们的研究、开发和生产对我国形成开关电源产业的关系十分密切,不能掉以轻心。
欢迎分享,转载请注明来源:内存溢出
微信扫一扫
支付宝扫一扫
评论列表(0条)