
模数转换器即A/D转换器,或简称ADC,通常是指一个将模拟信号转变为数字信号的电子元件。通常的模数转换器是将一个输入电压信号转换为一个输出的数字信号。由于数字信号本身不具有实际意义,仅仅表示一个相对大小。故任何一个模数转换器都需要一个参考模拟量作为转换的标准,比较常见的参考标准为最大的可转换信号大小。而输出的数字量则表示输入信号相对于参考信号的大小。
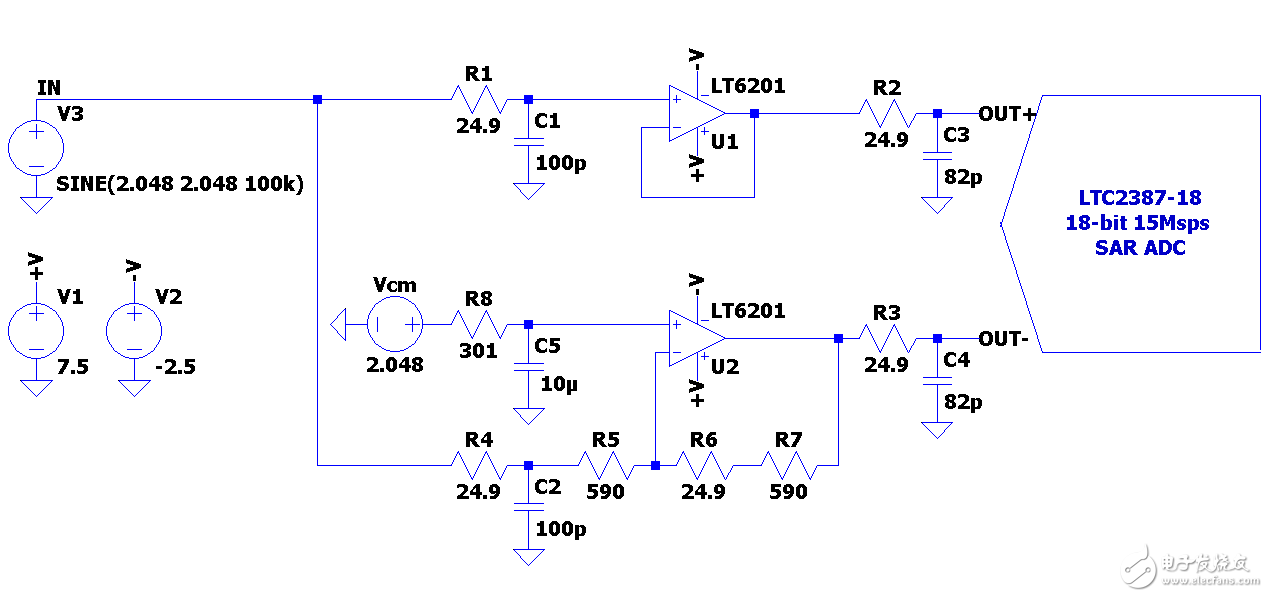
LTC2387-18转换器电路图
LTC2387-18 是一款具有差分输入的 15Msps、高度线性、低噪声 SAR 转换器。该 ADC 兼具卓越的线性和宽动态范围,因而成为了高速成像和仪表应用的理想选择。无延迟 *** 作提供了一种面向高速控制环路应用的独特解决方案。高输入频率下的非常低失真可实现需要宽动态范围和大信号带宽的通信应用。
在大多数场合中,通过采用一个差分输入、差分输出放大器驱动 ADC 输入来优化性能。在仅可提供一个单端信号的场合中,需要采用高性能运放以把一个单端信号转换为一个适用于 LTC2387-18 的差分信号。

在上面的电路中,使用了两个运放,一个用于同相通路,另一个用于反相通路。同相运放是一个电压跟随器,它的前面是一个 RC 低通滤波器。该滤波器可阻止非常高频率信号到达 LT6201,它能够在几十 MHz 的频率下运作。反相运放由一个相同的网络驱动。为了使信号反相,R5 和 R7 设定为 590Ω。这些电阻值反映了运放输出电流、输入失调电流和噪声产生量之间的折衷。选定的电阻值加上 4V 峰至峰输出电压摆幅导致从运放输出吸收一个 3.3mA 的峰值电流。采用较小的电阻值虽然有助于降低失调和噪声,但是将从运放吸收更多的电流并产生更大的失真。
对于任何单端至差分转换电路都存在着几个折衷。第一个是产生的 DC 失调;采用两个单独的运放会助长 DC 失调的不良影响。造成这种状况的主要原因是电路的反相运放部分,该部分必须包括额外的电阻器以实现反相。LT6201 的输入失调电流有可能高达 4µA,并具有一个 1mV 的输入失调电压。这些会在电路的输出端上产生一个大约几 mV 的差分 DC 失调,其有可能达到数十 LSB。为了最大限度地抑制该影响,应选择一个具有低输入偏置电流、失调电流和失调电压的运放。第二个问题与所示电路中的电压基准 Vcm 有关。该节点上的任何噪声都将作为差分噪声直接映射至 ADC 的反相端子。因此,该电压源必须尽可能地安静,以避免降低 ADC 的 SNR。就 LTC2387-18 而言,典型 SNR 可能高达 97dBFS。由于全标度为 8.192Vpk-pk,因此 ADC 的噪声层在一个 7.5MHz 带宽内达到约 41µVRMS。例如,倘若电压基准的噪声电平为 41µVRMS,则它将使 ADC 的 SNR 下降 3dB。于是,基准的噪声必须大大低于该数值,这样就不会降低 ADC 的 SNR。请注意,如果输入信号的 DC 共模电平不同于所示电路中的 Vcm,则在输送至 ADC 的信号中将存在一个差分 DC 失调。
因此,当采用该电路时,运放的低失调水平和一个准确的低噪声电压基准对于实现 ADC 的完整性能是至关紧要的。LTC6655 是一款非常适合 Vcm 的器件,其为精准型带隙电压基准,可提供优越的噪声和漂移性能。
欢迎分享,转载请注明来源:内存溢出
微信扫一扫
支付宝扫一扫
评论列表(0条)