
每个程序的运行都需要频率这个东西来恒量,所以我们就会需要用到时钟芯片,它才会产生时钟频率。时钟芯片是日常生活中应用最为广泛的消费类电子产品之一。它为人们提供精确的实时时间,可以对年、月、日、周日、时、分、秒进行计时,且具有闰年补偿等多种功能;或者为电子系统提供精确的时间基准,目前实时时钟芯片大多采用精度较高的晶体振荡器作为时钟源。
实时时钟的缩写是RTC(Real_TIme Clock)。RTC 是集成电路,通常称为时钟芯片。
时钟芯片是时钟一个很重要的部分。时钟芯片大多都是由美国DALAS公司生产的,有着低电流充电的作用,并且低消耗电量。时钟芯片能够对年、月、日、秒、时、分进行计时,随时显示时间。还有补偿闰年的作用。很多朋友对于时钟芯片都比较陌生的,更不知道时钟芯片的接口有哪些,下面就由小编带你去了解一下吧。
一,并行接口
MAXIM-DALLASDS12C887系列,现在已经衍生出很多型号了。
主要是几个大厂MAXIM-DALLAS,PHILIPS,日本精工。现在很多常见的rtc芯片国内都有仿制的,价格还是不错的。要求不高的地方用还是不错的。
很多常见的型号在这里都能找到相对应的型号,包括ds1302,ds1307,ds1337,pcf8563
二,串行接口
1.I2C接口
Phlilps的PCF8563,PCF8583
EPSON的RX8025内置晶振,误差小。比较不错
MAXIM-DALLAS的DS1307
RICOH的RS5C372,国内的贝岭仿制型号BL5372
日本精工的S-35390
Intersil的X1288
深圳威帆电子公司出的SD2000系列,晶振,电池全部内置,体积较大。
三,三线接口
MAXIM-DALLAS的DS1305,DS1302,其中DS1302国内有相关的仿制产品,PTI的仿制型号是PT7C4302。
台湾合泰的HT1380,HT1381
实时时钟,是单片机计时的时钟或独立的可被单片机访问的时钟。它可以外部扩展芯片得到,如1302,1307,12887,3130,12020,m41t81,6902,8025。有并口有串口,有带电池自己玩,有外部供电,看实际需要设计。这些时钟无一例外地用到了32768Hz。这是因为它们用了同一个计时IC核、低频功耗更低、更容易校表和1Hz计时精密实现。大伙在该基础上做了不同的文章,有的搞点稳定晶振放里面,有的搞点备电方案,有的接口不同,有的搞点万年历,有的搞点报警,有的……
3、还有可能你提到的(可能就是430系列单片机),内部集成了RTC这个模块,要求外面接32768Hz。这样就可以独立地计时,单片机睡觉了也和它的时间管理无关,低成本实时方案,又省了好几毛。
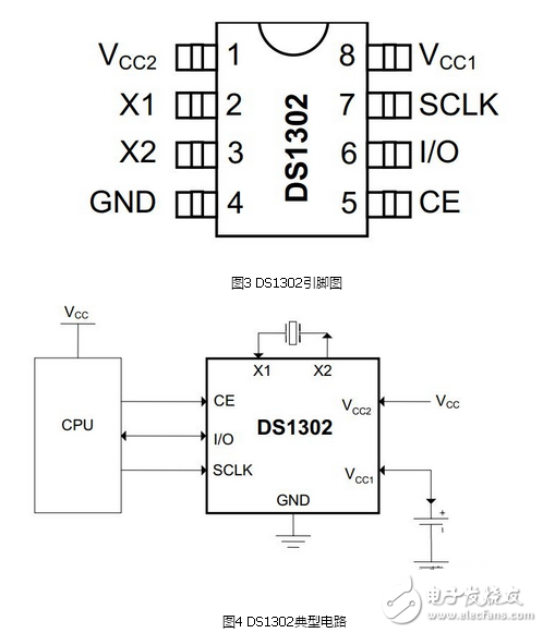
DS1302的原理与特性
DS1302是DALLAS(达拉斯)公司出的一款涓流充电时钟芯片,2001年DALLAS被MAXIM(美信)收购,因此我们看到的DS1302的数据手册既有DALLAS的标志,又有MAXIM的标志。
DS1302 是一种高性能、低功耗、带RAM的实时时钟电路,它可以对年、月、日、周日、时、分、秒进行计时,具有闰年补偿功能,工作电压为2.5V~5.5V。采用三线接口与CPU进行同步通信,并可采用突发方式一次传送多个字节的时钟信号或RAM数据。DS1302内部有一个31×8的用于临时性存放数据的RAM寄存器。DS1302是DS1202的升级产品,与DS1202兼容,但增加了主电源/后备电源双电源引脚,同时提供了对后备电源进行涓细电流充电的能力。
控制字节DS1302 的控制字符表示。控制字节的最高有效位(位7)必须是逻辑1,如果它为0,则不能把数据写入DS1302中,位6如果为0,则表示存取日历时钟数据,为1表示存取RAM数据;位5至位1指示 *** 作单元的地址;最低有效位(位0)如为0表示要进行写 *** 作,为1表示进行读 *** 作,控制字节总是从最低位开始输出。
输入输出在控制指令字输入后的下一个SCLK时钟的上升沿时,数据被写入DS1302,数据输入从低位即位0开始。同样,在紧跟8位的控制指令字后的下一个SCLK脉冲的下降沿读出DS1302的数据,读出数据时从低位0位到高位7。

寄存器DS1302有12个寄存器,其中有7个寄存器与日历、时钟相关,存放的数据位为BCD码形式,其日历、时间寄存器及其控制字见表1。此外,DS1302 还有年份寄存器、控制寄存器、充电寄存器、时钟突发寄存器及与RAM相关的寄存器等。时钟突发寄存器可一次性顺序读写除充电寄存器外的所有寄存器内容。 DS1302与RAM相关的寄存器分为两类:一类是单个RAM单元,共31个,每个单元组态为一个8位的字节,其命令控制字为C0H~FDH,其中奇数为读 *** 作,偶数为写 *** 作;另一类为突发方式下的RAM寄存器,此方式下可一次性读写所有的RAM的31个字节,命令控制字为FEH(写)、FFH(读)。
DS1302实时时钟芯片广泛应用于电话、传真、便携式仪器等产品领域,他的主要性能指标如下:
1、DS1302是一个实时时钟芯片,可以提供秒、分、小时、日期、月、年等信息,并且还有软件自动调整的能力,可以通过配置AM/PM来决定采用24小时格式还是12小时格式。
2、拥有31字节数据存储RAM。
4、DS1302的工作电压比较宽,大概是2.0V~5.5V都可以正常工作。
5、DS1302这种时钟芯片功耗一般都很低,它在工作电压2.0V的时候,工作电流小于300nA。
6、DS1302共有8个引脚,有两种封装形式,一种是DIP-8封装,芯片宽度(不含引脚)是300mil,一种是SOP-8封装,有两种宽度,一种是150mil,一种是208mil
DS1302 存在时钟精度不高,易受环境影响,出现时钟混乱等缺点。DS1302可以用于数据记录,特别是对某些具有特殊意义的数据点的记录,能实现数据与出现该数据的时间同时记录。这种记录对长时间的连续测控系统结果的分析及对异常数据出现的原因的查找具有重要意义。
欢迎分享,转载请注明来源:内存溢出
微信扫一扫
支付宝扫一扫
评论列表(0条)