
无传感器的直流无刷电机控制器ML4435及其应用
摘要:ML4435脉宽调制式电动机控制器,为起动和控制△接或Y接绕组的直流无刷(LBDC)电机速度(无霍尔效应传感器)提供了所有必要的功能。从电机绕组传感的反电势电压,经锁相环可确定恰当的换向相位时序。
关键词:三相直流无刷电机;无传感器;反电势取样器
Sensorless BLDC Motor Controller ML4435 and Its ApplicaTIons
LIU Sheng-li, LIU Ning-ning
Abstract:The ML4435 PWM motor controller provides all of the funcTIon necessary for starTIng and controlling the speed of delta or wye wound brushless DC motors without Hall Effect sensors.Back EMF voltage is sensed from motor windings to determin the proper commutaTIon phas sequence using a phase locked loop(PLL).
Keywords:Three-phase BLDC motors;Sensorless;Back EMF sampler
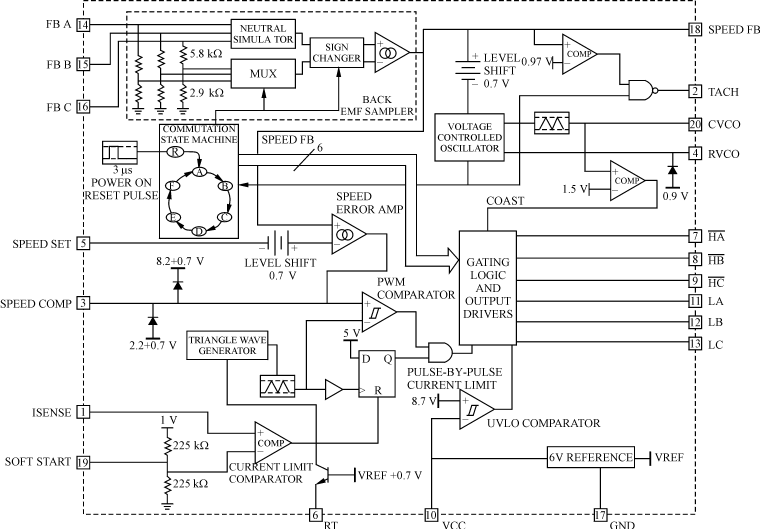
ML4435是2001年3月最新推出的电机控制器专用IC,属于无传感器型、直流无刷(BLDC)电动机控制系统,它比ML4425/ML4426有新的改进和简化,外部引脚从28个减少到了20个,同样集成了所有必要的自动检测和控制功能。图1是ML4435的外形引脚图,图2是它的内部功能方框。

图1 ML4435外 形 引 脚 图

图2 电 机 控 制 器ML4435内 部 功 能 方 框 图 ( 原 图 , 未 做 标 准 化 处 理 )
1 ML4435的主要特性及性能
ML4435的主要特性如下:
——专有的反电势传感换向技术,以实现无霍尔效应传感器的电机通信;
——PWM逐个脉冲式电流限制,可保护电机和MOSFET驱动器;
——可单台工作;——软起动功能可限制起动电流;
——脉宽调制PWM速度控制可提高效率,并尽量减小MOSFET尺寸;
——机载欠压闭锁和断电检测;
——电机的转速输出传感换向。
ML4435为三相直流无刷电机无传感器型速度控制提供了所有的电路。控制功能包括:起动电路、反电势换向控制、脉宽调制PWM速度控制、逐个脉冲式电流限制、电机的惯性跟踪、欠压保护。
电机的起动是通过电机换向来完成的,它在低频下产生低速运动。低速运动用以产生一个反电势信号。反电势取样电路自动跟踪电机的位置,并由一个锁相环(PLL)控制换向时间。换向控制电路还输出一个速度反馈信号,用于速度控制环。速度控制环由误差放大器和PWM比较器组成,它产生一个PWM占空比作速度调节控制。
电机的电流受限于逐个脉冲式PWM关闭比较器,它由外部电流传感电阻器两端的电压来关闭。换向控制、PWM速度控制和电流限制综合产生输出驱动器信号。六路输出驱动器用于提供栅极信号给外部三相桥功率级,以适应LBDC直流无刷电机的电压和电流的要求。
附加的功能包括:电机的惯性跟踪功能与欠压闭锁输出电路,一旦加到ML4435的电压VCC过低时,可关闭输出驱动器。ML4435的各引脚功能见表1,主要电气参数见表2。
表2 ML4435的主要电气参数
〔除另有说明外,Ta为工作温度范围,VCC=(1±10%)12V,RT=50kΩ〕
基准电压
速度反馈
反电势传感
TACH
速度误差放大器
振荡器
电流传感
输出(N1,N2,N3,P1,P2,P3)
欠压锁定
电源
表1 ML4435引脚功能
2 ML4435功 能 详 解
2. 1 ML4435的 外 部 元 件 选 择
外 部 元 件 的 选 择 需 要 根 据 电 动 机 的 电 气 参 数 和 机 械 参 数 进 行 计 算 , 下 面 列 出 计 算 所 需 的 电 机 参 数 :
— —最 大 直 流 电 机 电 源 电 压VMOTOR(V) ;
— —最 大 工 作 电 流Imax(A) ;
— —测 量 引 线 间 的 绕 组 电 阻R1-1(Ω);
— —磁 极 的 数 目N;
— —反 电 势 常 数Ke(V·s/rad);
— —电 机 的 转 矩 常 数Kτ(N·m/A) ;
Kτ=Ke(SI单 位);
— —最 大 转 速nmax(r/min) ;
— —电 机 和 其 负 载 的 转 动 惯 量J(kg·m2) ;
— —电 机 和 其 负 载 的 粘 滞 阻 尼 因 数 ξ 。
若 上 述 数 值 有 几 个 不 知 道 , 仍 能 通 过 实 验 来 确 定 元 件 的 最 佳 值 。 下 述 公 式 和 元 件 选 择 图 可 作 为 优 化 应 用 的 起 点 。 可 选 用 最 靠 近 近 似 计 算 结 果 的 标 准 值 元 件 。
2. 2 电 源 和 芯 片 电 压 基 准
10脚 电 源 电 压VCC=(12±10% )V, 推 荐 在VCC脚 与 地 之 间 接 一0. 1μF的 旁 路 电 容 器 , 并 尽 量 靠 近VCC端 接 地 。 在ML4435内 部 产 生6 V基 准 电 压 , 它 出 现 在RT脚 , 在 该 脚 对 地 接 一 只 电 阻 可 设 定PWM频 率 。 可 用 电 位 器 取 代 该 电 阻 来 设 置 速 度 指 令 ( 详 见2? 16) 。 注 意 : 若 要 在6脚 加 外 部 电 路 , 则 要 用 一 输 入 阻 抗 至 少 为1 MΩ 的 运 算 放 大 器 作 该 脚 的 缓 冲 器 。
2. 3 输 出 驱 动 器
输 出 驱 动 器LA、LB、LC和HA、HB、HC为 三 相 桥 功率级提供图腾柱式输出驱动信号。ML4435的全部控制功能都从这6个脚输出。其中LA、LB、LC分别为三相功率极的A、B、C提供低边驱动信号,其有效高电平信号为12V。而HA、 HB、 HC分别为三相功率级的A、B、C相提供高边驱动信号,其有效低电平信号为12V。
2.4 三相桥式功率级的电流限制
图3中电流传感电阻RSENSE安设在三相功率级,可调节功率级和直流无刷电机的最大电流。如RSENSE二端电压超过19脚SOFTSTART设置的电流限制门限电平,则电流调节是在PWM周期的剩余段关断输出驱动器LA、LB、LC来实现的。RSENSE最大功耗见图4。

图 3 用RSENSE作 电 流 限 制

图 4 RSENSE的 额 定 功 率 与 电 机 电 流 的 关 系
2.5 软起动
SOFTSTART(19脚)上电压设定电流限制门限电平。ML4435有一个1?1V电源电压的内部分压器,见图5。分压器由两只225kΩ电阻组成,它把电流限制门限电平设定在0?55V左右。可用外部分压器或外部基准来取代SOFTSTART的设置,其电流大于内部分压器10倍。可在该脚对地接一只电容器,作功率上升时电流限制的软斜升。可用图6选择斜升时间。

图5 19脚 的 软 起 动 功 能

图6 软 起 动 斜 升 时 间 与 软 起 动 电 容 关 系
2.6 RSENSE
RSENSE提供与电机电流成比例的电压,作电流限制。RSENSE端的失效闭锁电压是0.6V,它由SOFTSTART(19脚)设定。电流传感电阻应是低电感的,例如碳膜电阻。用线绕mΩ级的电阻,应尽力降低电感。其额定功率正比于功耗Imax2RSENSE。
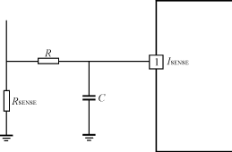
2.7 ISENSE滤波器
ISENSE输入端(1脚)需要接一个RC低通滤波器,以消除电流传感信号前沿的尖峰电压,它由二极管反向恢复时的穿透电流引起。若无该滤波器会出现电流限制的虚假触发。此电路推荐的标准值R=1kΩ,C=1000pF,可滤除窄于1μs的尖峰干扰。电容值不宜超过3300pF。滤波前后的波形见图7。

图7 ISENSE滤 波 波 形
2.8 逐个脉冲式电流限制
当ISENSE脚电压超过SOFTSTART脚电压时,电流限制电路被激活,它在PWM周期的剩余阶段关闭驱动器LA、LB和LC。
2.9 换向控制
一台三相直流无刷电机需要电子换向,以实现旋转运动。电子换向要求开通和关断三相半桥式功率开关。为了让转矩实现单一方向,由转子的位置给出换向指令。要实现ML4435的电子换向,是通过适当时序来开通和关断一相低输出L和另一相高输出H。总共存在六种L和H输出组合(即六种开关状态),如表3标出的状态A~状态F,它们构成一个完整的换向循环周期。这一开关时序被编程在图8所示的换向状态机中,该换向状态机的时钟是由VCO的输出提供。
表3 6种换向控制状态

图8 换 向 状 态 机
2. 10 压 控 振 荡 器
VCO在TACH(2脚 ) 输 出 一TTL兼 容 的 时 钟 脉表示驱动器导通冲 , 它 正 比 于SPEED FB( 18脚 ) 输 入 电 压 。 频 率 与 电 压 或 与 VCO常 数 KV的 比 例 , 由 图 9中 的 RVCO( 4脚 ) 接 地 电 阻 和 CVCO( 20脚 ) 接 地 电 容 器 来 设 定 。

图9 VCO控制
RVCO设定的电流正比于VCO输入电压SPEEDFB减去0.7V。该电流用于门限电压在2~3.75V之间对CVCO充电和放电,见图9。RVCO限制在0.2V较低电压。这导致CVCO的三角波形对应于TACH脚时钟,也见图9。当VCO的输入等于或稍小于6V时,KV被设定在VCO输出频率对应于最大换向频率fmax,即对应于最大电机速度。CVCO和RVCO可由首次计算的fmax值来选择:
fmax=0.05×nmax×N
2.11 TACH
TACH(2脚)输出VCO频率,它6倍于换向频率。当电机在最低转速时(即SPEEDFB低于0?97V),TACH输出还表示因TTL停留在高电平而使电机处于低转速。
2.12 反电势取样器电路
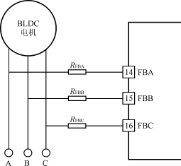
输入到VCO的SPEEDFB(18脚)受反电势取样器控制。反电势传感脚FBA、FBB、FBC输入到反电势取样器,需要来自电机各相引线的信号,该信号低于ML4435的VCC值。相位传感的输入阻抗是8.7kΩ。如果电机电压大于ML4435的VCC值,则需要串接电阻RFB到电机各相引线,见图10。RFB可从图11曲线选择或利用下式算出:
RFB=8.7kΩ(VMOTOR/12-1)

图10 反 电 势 取 样 器 电 路

图11 RFB与VMOTOR(max) 相 应 关 系
反电势取样器把电机各相电压分压为低于VCC=12V(正常值)的信号电压,并由下述方程式计算电机的中性点电压:
VNEUTRAL=(VFBA+VFBB+VFBC)/3。
这就允许ML4435能比较反电势信号与电机中性点,而不需要从Y接绕组的电机中引出一信号线。对△接绕组的电机,因不存在物理中点,故必须计算该基准参考点。
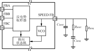
反电势取样器所获电机相位,是未被驱动时的值:也就是如果LA和HB均导通,那么相位A被驱动为低电平,相位B被驱动为高电平,相位C则被取样。被取样相位提供一个反电势信号,它对照电机的中性点作比较。取样器受换向状态机器控制。取样的反电势经一个误差放大器与中性点比较。误差放大器的输出端送出充电或放电电流到SPEEDFB(18脚),它向VCO提供电压。
2.13 反电势传感的锁相环换向控制
由换向状态机、VCO、反电势取样器三者构成一个锁相环路,以使换向时钟自动跟踪反电势信号。完整的锁相环路见图12。该锁相环需要一个超前—滞 后 滤 波 器 , 它 由SPEED FB(18脚 ) 外 部 元 件 来 设 置 。

图12 PLL锁相环路
2.14 电机的起动
当电源首先加到ML4435时,电机处于静止,故反电势等于零。电机需要转动,以使反电势取样器自动跟踪电机位置,并使电机换向。ML4435用最低的VCO频率开始使电机换向。该低频换向由RVCO上的0?2V箝位设定,这就提供一为fmax/30的换向频率。
2.15 转动状态
在反电势传感后,PLL自动跟踪电机位置,电机则按闭合环路控制转动。在这一点上,速度控制环应迫使电机速度相应于SPEEDSET电压设置的速度。
2.16 PWM速度控制
速度控制是由在SPEEDSET(5脚)设置的速度指令来完成的,该脚输入电压为0.2~6V。速度指令的精度由外部元件RVCO和CVCO确定。控制ML4435的速度指令有几种方法:其一是用一电位器接在RT与地之间,而将滑动触头接在SPEEDSET。若用微处理器控制5脚,则可用RT作数模转换器(DAC)输入基准。RT电压应经缓冲器接外部电路。经跨导误差放大器,速度指令与比SPEEDFB(18脚)低0?7V的传感速度相比较。速度误差放大器的输出端是SPEEDCOMP(3脚),它被箝位在8.2~2.2V之间。8?2V信号与全PWM占空比相对应,而2?2V则对应0%占空比。速度环路补偿元件接该脚,见图13。可用下式来计算补偿元件:
CSC2=
RSC=
CSC1=10×CSC2
式中:freq是速度环路的带宽(Hz)。

图13 PWM振 荡 器 电 路
图13中3脚电压与三角波振荡器比较,产生一PWM占空比。PWM振荡器产生一个3~7V的三角波函数,而三角波振荡器频率由RT(6脚)的接地电阻设定。RT可由图14曲线来选择。来自速度控制环的PWM占空比,选通逐个脉冲式电流限制电路,以控制输出驱动器LA、LB、LC。

图 14 RT与 PWM频 率 的 相 应 关 系 曲 线
2.17 惯性跟踪
当CVCO(20脚)被拉低到1?5V时,6路输出驱动器均关断。惯性跟踪COAST功能切断所有的电源使电机随惯性至停止。20脚的惯性跟踪功能见图15,它可由一只接地开关或由图15中20脚的接地的开路集电极接地的开关管来驱动。

图 15 惯 性 跟 踪 控 制
2.18 欠压保护
欠压保护用于保护低VCC状况下的三相功率级。欠压保护是在 VCC=9.2V或更低时被启动。欠压保护也关断全部输出驱动器LA、LB、LC和HA、HB、HC。启动过电压的比较器具有500mV的滞后。
2.19 输出驱动器到三相桥功率级的接口电路
大多数灵活的电路结构,是采用高边驱动器来控制N沟道MOSFET或IGBT,它允许的应用范围是12~170V。
3 的典型应用电路
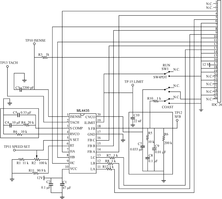
图16给出了典型应用中的ML4435及所有支持电路,图17则给出了采用IR公司的IR2118作高边驱动器的功率级电路和高压MOSFET。

图16 ML4435的典型外围应用电路(原图,未做标准化处理)

图17 ML4435的外部功率级电路(原图,未做标准化处理)
欢迎分享,转载请注明来源:内存溢出
微信扫一扫
支付宝扫一扫
评论列表(0条)