
无线连接现在是无时不在、无时不有,它们包括人和人、人和设备、设备和设备之间的连接。人和人之间的连接除了传统的语音通话、发短信外,随着智能手机的普及,人们对高速数据业务的需求被极大地释放出来。设备和设备之间的连接,则随着智能家居、智能汽车、智能电网等各种智能应用的推广,对于设备之间连接的需求也是越来越大。上个月,NB IoT标准被3GPP通过,明年它就会正式商用。这就会带来更多的设备与设备间的连接。
更多的高速连接带来的是数据流量呈指数级的增长。数据流量的增长必然对移动通信网络的容量有越来越高的要求。提高网络容量,除了传统的网络扩容方式之外,为了满足未来海量的数据连接,和大量的数据流量增长,我们需要提出全新的网络架构,ADI公司通信基础设施业务部门中国区战略市场经理解勇在日前的RadioVerse技术和设计生态系统发布会上向记者表示。
他指出,到2020年,5G网络相比现有的4G/LTE架构,终端用户的数据速率会有100倍增长,连接设备数会增长100倍,网络延迟要低5倍(车联网、VR需要低延迟的实时连接),电池续航时间要提高10倍,移动数据流量提高1000倍。
更高的数据速率需求对带宽的要求必然更高。在现有无线通信频段,我们已经很难找到连续的高带宽频谱了。因此,5G除了要解决空口的新技术外,还有一个方向是将频率上移到微波/毫米波频段,解经理表示。另外,网络的演进还包括:提高安全性;提高能效,包括数字预失真(DPD)、包络跟踪等技术;降低延迟(改进算法),满足高实时性应用;以及降低成本,这是客户一向的追求。
从客户的需求看,产品需要做到上市速度快,特别是在现在基站通信行业竞争越来越激烈的时候。在灵活性和通用性上,各种各样的通信制式和频段之前是需要各种各样的设备来支持,因此客户需要一个相对通用的平台来覆盖不同的应用。另外,尺寸、重量和功耗要求越来越低,复杂度和成本也是要降低。
RadioVerse是ADI的一个全新的、专门针对收发机解决方案的品牌,包括技术、产品、生态系统,重点介绍的产品是AD9371。解经理指出,ADI RadioVerse首先能帮助客户解决复杂度的问题,因为它是一个全集成的SoC芯片——除了把以前离散的射频信号链集成,还集成了ARM处理器,来做相应算法——然后通过软件配置的方式实现软件定义无线电(SDR)的解决方案。另外,它的灵活性和通用性也提高了,从而使最终产品上市速度也提高了。
“ADI一直以来倡导的是系统级解决方案,特别是在无线通信这个领域。而且客户也是希望芯片厂商提供这样的解决方案,这样他们就能专注于其他的软件、系统、应用的研发。”解经理说。
另外,ADI通信解决方案包括以下五大应用:无线电接入、微波点对点通信、卫星通信、光通信、电缆通信。其中电缆通信在欧美使用得比较多,而在中国则是光通信用得比较多。从应用来看,在无线电接入这块,ADI提供的几大核心产品包括:高速数据转换器、收发机、射频集成器件(针对卫星通信应用)、微波(针对点对点和未来5G)、和射频及高速数据转换器配套的电源和时钟、精密的数据转换器和电流传感器等控制芯片。
AD9371集成20个器件,是要针对宏基站提供更高带宽和性能解决方案
传统的射频解决方案是通过离散器件去搭建。ADI在2013年推出的AD9361/64射频捷变收发器主要是针对小基站应用,要满足宏站的话带宽和性能是不够的。AD9371的推出丰富了ADI的收发机产品系列,并且它的应用覆盖的带宽更宽。在无线接入这块,除了有传统的宏基站,小基站的应用也越来越多。
RadioVerse品牌的理念包含三个层次。第一层是收发机技术。“ADI的这些收发机产品的特点是:高性能,不是针对手机等终端设备对性能要求不是很高、对成本要求很低的应用;高带宽;功耗尽量在同等产品里做到最低;基于创新的零中频架构(减少了两级中频滤波器),这样便可以帮助客户实现软件定义无线电(SDR)设备;集成度很高,接收通道包括了射频低噪放、混频器、射频放大器、数字可变增益放大器(DVGA)、高速ADC,发射通道包括了高速DAC、调制器、混频器、DVGA、射频放大器(AD9371将DPD反馈通道也集成在芯片内部,包括混频器/解调器和ADC,以及频综PLL和VCO、LDO)。”解经理说。
“除了集成度,还需要提供好用的软件,这样客户才能很容易地将其移植到应用内,简化设计。基于SDR的架构可以给客户提供足够的灵活度和通用性,来覆盖不同的制式和频段。”解经理补充说。
第二层是设计环境/生态系统。为了帮助用户很好地开发产品,ADI提供了开发工具包,包括评估板和评估软件,以及各种代码(开源、非开源,以及FPGA代码)。另外,ADI还和第三方(IDH、方案商等)合作,他们基于ADI的收发机来做相对产品级的解决方案,加快客户概念的评估、验证、样机再到产品化的过程。
最后一层是,ADI通过一系列产品,获得了很多设计和应用的技术积累。同时,在帮助客户解决问题的过程中,对于客户不同系统的问题,ADI也得到了解决方法的积累。另外,ADI对市场也一直在跟踪、研究,产品的定义也是把握了市场未来趋势。“也就是说,基于我们对技术和市场的积累,我们去把我们的见解通过白皮书、技术文章等方式分享给广大客户。”他解释道。
随着现在各种各样的通信制式和不同频段的使用越来越多,频谱变得越来越拥挤,这对射频工程师带来很大技术挑战,这包括:1.频率规划变得难做——因为对于一个基站来说,其它基站的信号相当于干扰信号,需要把其它信号落到带外;2.滤波器变得难做,因为频率较近,过渡带变窄,射频滤波器就很难实现;3.共存共址问题,不同的无线设备/基站设备离得较近,会有相互干扰,因此设计时需要通过高质量的双工器/滤波器排除外部干扰;4.设备本身对线性度和动态范围的要求也提高了,因为滤波器无法完全将干扰信号(进入到带内的阻塞信号)滤除,需要用高线性度的ADC来扛带内的阻塞。
ADI的理念是要简化射频设计,帮助客户解决难题,这表现在:1.创建一个通用的硬件无线电平台,通过软件配置的方式支持各种不同应用和频段。2.大幅降低设计复杂度,因为芯片的硬件集成度已非常高(将之前大约20颗离散器件集成了进来),对于整个系统来说,电源设计和时钟设计也大大简化,因此客户设计的难度和门槛得到降低。3.从软件角度来说,ADI提供API,客户不用去关心器件内部的含义——之前的AD9361内部有上千个寄存器,客户需要去理解每个寄存器的意思和怎么去配置——现在可以把它当成一个黑盒子,只需通过API软件去编程即可。4.这些优势给客户带来的直观的竞争力是减少了设备的尺寸、重量和功耗(SWAP)——至少降低一半以上。
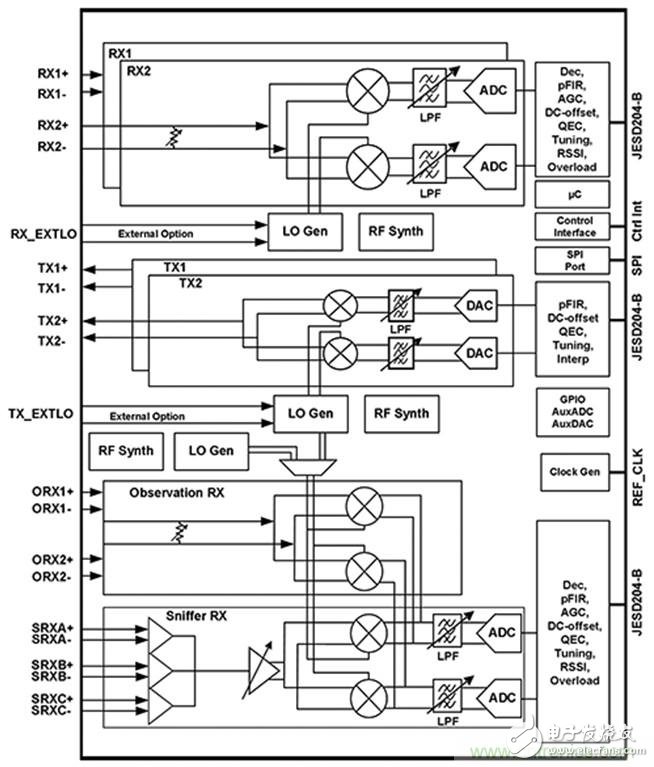
下面来看AD9371芯片的框图。射频收发机射频调谐范围为300MHz到6GHz,覆盖所有主流频段;FDD/TDD都可以支持;性能上支持多载波(AD9361仅支持单载波),包括连续多载波和非连续多载波。接收机有2个独立的接收通道,最大信号带宽为100MHz。发射机有2个独立发射通道,最大信号带宽为100MHz,应用时最大合成带宽为250MHz。DPD反馈通道有两个射频输入口,最大带宽250MHz。有的小基站需要侦听通道侦听空中频谱,确定可用频谱进行配置切换。因此,AD9371增加一个侦听通道,侦听接收机带宽20MHz,支持3个输入。DPD反馈通道和侦听通道分时复用ADC。

发射、接收和反馈通道各集成一个本振,系统总共有三个PLL和VCO。系统也支持外部本振,将内部旁路掉。在数字功能和算法上,因为是零中频,AD9361上就集成了镜像抑制校准、本振泄漏校准,这些在AD9371上都有,但是由于集成了ARM内核,可以做实时跟踪校准,因此性能有了很大提升。此外,它还集成了AGC、可编程放大滤波器,以及辅助ADC、DAC、GPIO、时钟发生器等,并提供API支持。
在功耗方面,如果支持最大带宽、运行在最大速率上,2个接收通道是2W,2个发射通道是2W,再加上DPD反馈通道0.8W,AD9371总功耗为4.8W。
另外,在评估系统上,ADI提供两种评估板(EVB),为客户提供性能测试。一种是窄带(是指在特定频段上进行了优化,里面用的巴伦是窄带的),针对1.8GHz到2.8GHz,其实1GHz频带并不窄,这个频带基本覆盖现在主流的无线通信频段。一种是宽带,支持300GHz到6GHz整个射频频率范围的评估。它不是针对某个频段做优化来评估性能,而是提供了一个平台来评估各个频段性能,因为内部用的是一个很宽带的巴伦,插损较大,尤其是在频率的高低两端插损较大,因此对性能有影响。它提供的是通用性的评估,真正应用时需要针对各个频段做优化。像频谱仪之类的应用就需要很宽的频段。
AD9371在软件上提供两种选择。一种是评估软件,对评估板做评估验证。它提供基于Windows的GUI,可以在上面运行API。FPGA方面则配合Xilinx ZC706母版做评估,提供二进制JESD204B IP代码。一种是样机开发软件。对于这个软件,评估系统不限于Xilinx,Altera等其他的母版也可以去连接。
欢迎分享,转载请注明来源:内存溢出
微信扫一扫
支付宝扫一扫
评论列表(0条)