
0.引言
RFID (Radio Frequency IdenTIficaTIon) 即无线射频识别, 是一种短距离无线通信技术。与其它短距离无线通信技术 WLAN、蓝牙、红外、ZIGBEE、UWB 相比,最大的区别在于 RFID 是被动工作模式。RFID 技 术采用大规模集成电路计算、电子识别、计算机通信等技术,通过读写器和安装于载体上的 RFID 标签,实现对载体的非接触识别和数据信息 交换,加上其方便快捷、识别速度快、数据容量大、使用寿命长、标签数 据可动态更改等特点, 因此较条码而言具有更好的安全性、动态实时通信等优点,所以被广泛应用于家庭、 宾馆、公司等门禁系统。
ASR(AutomaTIc Speech RecogniTIon),即语音识别技术,其目标是将人类语音中的词汇内容转换为计算机可读的输入数据。ASR 技术所要解决的问题是让计算机能够“听懂”人类的语音,将语音中包含的文字信息“提取”出来。ASR技术在“能听会说”的智能计算机系统中扮演着重要角色,相当于给计算机系统安装上“耳朵”使其具备,“能听”的功能,从而实现信息时代利用“语音”这一最自然、最便捷的手段进行人机通 信和交互。将RFID技术和ASR技术运用到门禁系统,能使门禁系统更加安全、人性化和智能化。
1.总体结构设计
图 1 为系统总体的硬件结构框图。系统以凌阳SPCE061A单片机 为核心器件、结合射频识别(RFID)技术和语音识别技术实现系统双重安全性,并采用了LCD12864显示用户刷卡信息。门禁系统还通过串口与上位机进行通信。
用户先刷卡,单片机将获取的卡号与自身RAM中的卡号进行比较,如果卡号相同,则进行语音识别。若用户的语音特征模型与系统已有的语音特征模型吻合,系统便打开电子锁。在刷卡时,单片机使用 RS232 串口协议与上位机通讯,从而使上位机能得到用户数据和刷卡信息,并且可以添加、删除用户。
射频识别技术使用的是射频读卡模块和非接触式ID卡,这样避免了磁卡刷卡时与读卡器的摩擦,大大提高了硬件的使用寿命。凌阳 SPCE061A 单片机内部含有语音功能,能够完成语音录制、语音播放、语音采样及语音识别等任务。同时,凌阳 SPCE061A 单片机语 音识别的误辨率低,可以弥补卡片丢失后, 不法分子利用卡片开启门禁进入大门的缺陷。
12864液晶显用户卡号、刷卡时间、 刷卡次数并显示卡号是否错误。

系统总体硬件结构框图
2.主要硬件电路设计
本设计主要硬件电路包括射频卡读卡器电路和电子锁驱动电路。
2.1射频卡读卡器电路原理及组成
当射频卡读卡器与卡进行数据传输时,读卡器发出的信号由两部分叠加组成: 一部分是载波信号(125KHz)该信号由卡接收后,与卡自身的LC电路产生一个瞬间电量来供给卡内芯片工作;另一部分是指令和数据信号,控制卡片的芯片完成数据的读取、储存等功能,并返回信 号给读卡器。
图2 为射频卡读卡器电路图。射频卡读卡器电路由信号计数模块、分频模块、线圈、滤波模块、放大模块和整形模块组成。分频模块和计数模块产生的 125KHz 正弦信号通过线圈为射频卡提供了载波。射频卡经线圈的感应后,载波和数据信号一起进入滤波 模块。载波和数据信号经滤波后,载波被滤除,只剩下信号。信号在经 过放大和整形模块后,输出有效信号。

图2射频卡读卡器电路图
2.2 电子锁驱动模块电路组成与原理
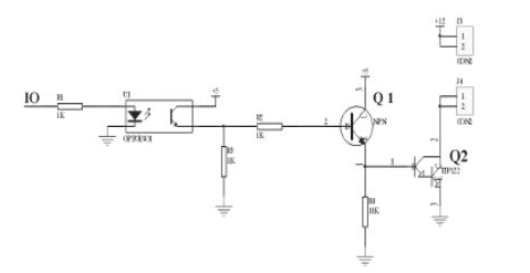
图 3 为电子锁驱动模块的电路图。该模块电路由光耦、NPN 三极管和达林顿三极管组成。当单片机IO端为高电平时,光耦导通;同时Q1的NPN三极管导通;由于Q1的发射极连接达林顿管Q2的基极,因此达林顿管导通,从而驱动电子锁。

图3电子锁驱动模块电路图
3.语音识别功能的实现
凌阳单片机语音识别只分为 “训练”“识别”和两个阶段。在训练阶段,单片机对采集到的语音样本进行分析处理,从中提取语音特征信息,建立特征模型。在识别阶段,单片机对采集到的语音样本进行同样地分析处理, 提取出语音的特征信息,然后将这个信息与已有的特征模型进行比较,如果二者达到一定的匹配度,则输入的语音被识别。为了避免单片机每次上电都必须重新进行语音样本 “训练”的缺点,本设计的语音识别功能在上述原理的基础上,加入了将语音样本模型写入FlashRom的过程,“训练”只需一次即可重复进行语音识。
图 4 是语音识别的程序流程图, 程序先判断 FlashRom 中是否有语 音模板, 若有则进行语音识别。若 FlashRom 中没有语音样本模板, 则 开始进行样本的 “训练”在 ,“训练” 结束后,“训练” 将 得到的语音样本模 板存入 FlashRom, 然后开始语音识别。

图 4 语音识别程序流程图
4.上位机实现
现在有许多编程语言可用来编写上位机,VB、C++++、如C#、JAVA、图形化语言等等。
考虑到C#语言含有以下几个优点:
(1) C#语言类似C语言,若有C语言的基础,那么C#编程就容易得多了。
(2) C#语言含有许多现成的控件可直接调用,减少了软件开发的周期。
(3) 上位机界面与Windows *** 作系统内出现的界面相同,用户使用更方便快捷。
因此本系统的上位机是在 VisualStudio 编程环境下,采用C#语言编写的。
图 5 为上位机软件树形结构图,上位机通过与下位机串口通讯,得到用户卡号、刷卡时间、 用户进门次数的数据,并将这些信息存入数据库。上位机还可对卡号进行添加/删除以控制门禁系统的用户数。

图 5 上位机软件树形结构图
5.总结
本文介绍了以凌阳SPCE061A单片机为核心,结合射频卡读卡模块、语音识别模块、LCD12864显示模块和上位机的智能门禁系统的实现。具体优点如下:
一方面, 该门禁系统使用的是RFID射频识别技术,即通过非接触 式 ID 卡来刷卡。避免普通磁卡刷卡时与读卡器的摩擦,提高硬件使用 寿命。
另一方面,本设计还应用语音识别功能。只有特定人员才能进入门禁系统,提高了门禁系统的安全性,也避免了卡片丢失时不法分子利 用卡片进入门禁的缺点。从实验结果来看,系统已基本实现了预期设定的功能,运行较稳定,效果良好。
责任编辑:ct
欢迎分享,转载请注明来源:内存溢出
微信扫一扫
支付宝扫一扫
评论列表(0条)