
IGBT高压变频调速电源
Power Supply(PS) of IGBT High- voltage Frequency Conversion Governor
摘要:提出用于高压电动机变频调速电源需考虑的串联、谐波和效率等几个问题;介绍由全控型电力电子器件IGBT按多重化PWM控制技术构成、目前已商品化的高压变频器,可用于中、高压交流电动机的直接变频调速。
Abstract:This paper pointed out a few problems of series,harmonic and efficiency etc.,to be needed considering,it introduced constructed by all- controlling power electronics device IGBT by means of mulTI- PWM control technology,and this kind of convertor can be the used for direct frequency conversion governor of midolle/high- voltage A.C mo tors.
关键词:交流调速电源高压变频IGBT多重化
PWM Keywords:A.C.governor's PS, High- voltage frequency conversion, IGBT,MulTI- PWM
1引言
众所周知,电力传动中,交流电动机较直流电动机结构简单、制造容易、价格便宜、维修方便,因而被大量使用。然而在起动和调速性能方面,交流机较直流机麻烦或困难。
交流电机的同步转速n0=60f/p。可见,只要能连续地改变供电电源的频率f,便能平滑地调节交流电动机的转速(式中p为电机的极对数,只能有级且有限地改变)。
由于电力电子技术的发展,现在由电力半导体器件构成的静止式变频器已很成熟,因而交流电动机的变压变频(VVVF)调速已日益普及,其优越性亦广为人们所熟知。
但是变频调速至今主要还是应用在中、小容量和低压电机上,而在矿山、冶金、化工、石油、建材等工业部门和水厂、电厂,使用着大量的中、高压风机、水泵、压缩机和搅拌机等,这些机械功率都在几百千瓦以上,有的高达数千甚至上万千瓦,它们消耗的电能是非常可观的。
此前,这类机械大多采用恒速交流传动,而以挡板、阀门或空放回流的办法进行输出量的调节,白白损失大量的电能。因此,在这类机械上采用变频调速,根据输出量的要求用电气手段改变输出功率,对节能有着巨大意义。
2高压变频调速电源的几个问题
(1)串联
按理,在装置要求高压而器件耐压能力有限的情况下,可采用器件串联的办法来满足。但是器件的串联使用,因各器件的动态电阻和极电容不同,而存在稳态和动态均压问题。如采取与器件并R和RC的均压措施,会使电路复杂,损耗增加;同时,器件串联对驱动电路的要求也大大提高,要尽量做到串联器件同时导通和关断。否则,由于各器件开、断时间不一,承受电压不均,会导致器件损坏甚至整个装置崩溃。
(2)谐波
这是所有交直交变频器的共同问题,但是在大功率变频调速中更为突出。谐波污染电网,将殃及同一电网上的其它设备,甚至影响电力系统的正常运行,谐波电流也使电机发热,损耗增加,功率因数下降,不得不“降额”使用。
(3)效率
装置功率愈大,效率问题也愈益重要。为提高效率,必须设法尽量减少功率开关器件和变频电源中的损耗。
基于上述几方面的考虑,用全控型电力电子器件IGBT组成的、用于交流电动机变频调速的高压变频器,采用“功率单元”串接的新型结构,即用多个低压的脉宽调制(PWM)逆变器作功率单元,将它们按多重化格式组成高压变频器,能较好地解决这几个问题。
3IGBT高压变频器
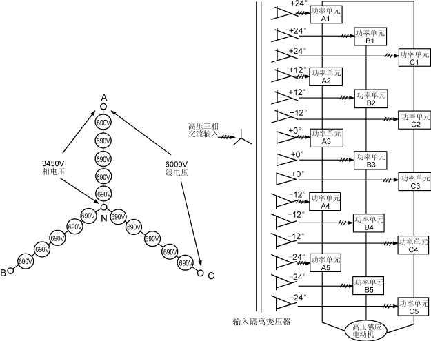
图1(a),(b)是一台6000V变频器的主电路拓朴和连接图。每相由5个额定电压为690V的功率单元
串联,因此相电压为5×690V=3450V,所对应的线电压为6000V(如果每相用4个480V的功率单元串接时,输出线电压则为3300V)。每个功率单元由输入隔离变压器的15个二次绕组分别供电,15个二次绕组分成5组,每组之间存在一个相位差。图1(b)中以中间△接法为参考(0°),上下方各有两套分别超前(+)和滞后(-)12°,24°的4组绕组。所需相差角度可通过变压器的不同联接组别来实现。
图1中的每个功率单元都是由绝缘门双极晶体管(IGBT)构成的三相输入、单相输出的低压PWM电压型逆变器,主电路见图2。每个功率单元输出电压为1,0,-1三种状态电平,每相5个单元叠加,就可产生11种不同的电平等级,分别为±5,±4,±3,±2,±1和0。图3为一相合成的正弦输出电压波形。用这种多重化方法构成的高压变频器,也称为单元串联多电平PWM电压型变频器。
图1所示高压变频器,由于每相由5个690V的

图16000V变频器的主电路

图2功率单元

图3输出电压波形

图4两功率单元串联变频器的电气连接
功率单元串联而成,不是用传统的器件串联来实现高压输出,所以不存在器件均压问题。每个功率单元承受全部的输出电流,但仅承受1/5的输出相电压和1/15的输出功率。变频器采用多重化PWM技术,图1变频器由5对(每对含正反相信号)依次相移12°的三角载波对基波电压进行调制。对A相基波调制所得的5个信号,分别控制A1~A55个功率单元,经叠加即可得图3所示具有11级阶梯的相电压波形。它相当于30脉波变频,理论上29次以下的谐波都可以抵消,总的电压和电流失真可分别低至1.2%和0.8%,堪称“完美无谐波”(Harmony)变频器。它的输入功率因数可达0.95以上,不必设置输入滤波器和功率因数补偿装置。该系列变频器同一相的功率单元输出相同的基波电压,串联各单元之间的载波错开一定的相位,每个功率单元的IGBT开关频率若为600Hz,则当每相有5个功率单元串联时,等效的输出相电压开关频率为6kHz。功率单元采用低的开关频率可以降低开关损耗,而高的等效输出开关频率和多电平可大大改善输出波形。波形改善除减小输出谐波外,还可降低噪音、du/dt值和电机的转矩脉动。所以这种变频器用于调速电源对电机无特殊要求,可用于普通的高压电机,且不必降额,对输出电缆长度也没有特殊限制。
电压型功率单元由于有足够的滤波电容,变频器可承受-30%电源电压下降和5个周期电源丧失。这种主电路拓朴结构虽然使器件数量增加,但由于IGBT驱动功率很低(峰值为5W左右,平均不到1W),且不必采用均压电路、吸改电路和输出滤波器,使变频器效率高达96%以上。
由功率单元构成高压变频器的另一种方案是采用高压IGBT器件,以减少串联功率单元。例如,用3.3kVIGBT器件,由两个功率单元串联的PWM电压源变频器,可输出4160V中压;若欲6000V高压输出,则只要用三单元串联。功率单元和器件数量减少,损耗和故障率也减少。图4为由两功率单元串联的变频器电气连接图。由于输出电压电平级数减少,为获得优良性能,这时变频器需带有输出滤波器。
上述变频器的每一功率单元都从一个由微处理器构成的中央控制器接受命令,控制和通讯信号由光导纤维传送,能维持5kV的绝缘并保证良好的抗干扰性和可靠性。另外,由于采用模块化结构,所有功率单元完全相同,可以互换,每个功率单元与装置的联系仅为3个交流输入、2个交流输出及三路通信插头,单元的维修更换十分方便;如采用功率单元旁路技术,可使变频器在功率单元损坏的情况下继续降额运行。
4结语
工业中,中、高压电动机有着大量的应用。要实现变频调速,以前多采用所谓“高低高”方案,即中间仍采用低压变频器,而在它的输入和输出两边分别用降压和升压变压器来适配电压等级。这样可利用价格相对较低、使用已很普遍的低压变频器。但这种方式,中间环节电流大,加上升降压变压器的损耗,系统效率低,体积庞大,可靠性下降。现在,已有了上述两种结构的高压变频器产品,采用直接变频调速,特别是1000kW以上的大功率电动机,无疑是更为合理的选择。而且可以预计,随着技术的进步,在电力传动领域,二十一世纪将是高压变频器大显神威的年代。
参考文献
1冷增祥,徐以荣编.电力电子学基础.南京:东南大学出版社,1993
2陈伯时等.高压变频调速技术.EACS'98,1998
3冷增祥.高压电机变频调速.江苏电机工程,1999,No.3
欢迎分享,转载请注明来源:内存溢出
微信扫一扫
支付宝扫一扫
评论列表(0条)