
背景
测量和控制所需的超低功率无线传感器节点的激增,再加上新型能量收集技术的运用,使得由局部环境能量而非电池供电的全自主型系统成为可能。利用环境或“免费”能量来为无线传感器节点供电是很有吸引力,因为它能够对电池或导线供电提供补充、甚至完全无需使用电池或供电导线。当更换或检修电池存在不便、费用昂贵或危险之时,这显然是有好处的。
许多无线传感器系统消耗非常低的平均功率,从而成为可利用能量收集技术进行供电的主要候选对象。很多传感器节点用于监视缓慢变化的物理量。所以可以不经常进行测量,也不需要经常发送测量数据,因此传感器节点是以非常低的占空比工作的。相应地,平均功率需求也很低。例如:如果一个传感器系统处于唤醒状态时需要3.3V/30mA (100mW),但每秒钟只有10ms在工作,那么其所需的平均功率仅为1mW,假定在传送突发的间隔期间不工作时,传感器系统电流降至数μA.倘若这个无线传感器只是每分钟(而不是每秒钟)进行一次采样和传送,则平均功率将骤降至20μW以下。这差异是十分重要,因为大多数形式的能量收集均提供非常小的稳态功率(通常只有几mW,某些场合甚至仅为几μW)。应用所需的平均功率越低,就越有可能采用收集能量来供电。
能量收集源
可供收集的最常见能量源是振动(或运动)、光和热。用于所有这些能量源的换能器都具有以下的共同特性:
它们的电输出未经稳压,并且不适合直接用于给电子电路供电
它们可能无法提供一个连续和不间断的电源
它们往往只产生非常低的平均输出功率(通常大约为10μW至10mW)
如果想把此类能量源用于给无线传感器或其他电子线路供电,就必需针对上述特性进行明智而审慎的电源管理。
电源管理
由收集能量供电的典型无线传感器系统可分解为5个基本构件,如图1所示。除了电源管理构件之外,所有这些构件都已经用了有一段时间。比如:运行功率仅数 μW的微处理器以及功耗同样非常之低、具成本效益的小型RF发送器和收发器已被广泛使用。低功率的模拟和数字传感器也是无处不在。

图1:典型的无线传感器系统配置
面向能量收集的理想电源管理解决方案应具有小巧、易用和工作性能良好的特性,同时能够采用由常见能量收集源所产生的异常高或异常低电压来运作,并且以理想的方式提供与源阻抗的良好负载匹配,可实现最佳的功率传输。电源管理器本身必须只需要非常微小的电流来管理累积的能量,并使用极少的分立组件来产生稳定的输出电压。
有些应用(比如:无线HVAC传感器或地热供电型传感器)则给能量收集电源转换器提出了另一项独特的挑战。此类应用要求能量收集电源管理器能够依靠一个非常低、而且是任一极性的输入电压来运作,这是因为热电发生器(TEG)两端之ΔT的极性是会变化的。这是一个特别棘手的难题,而且在几十或几百mV的电压条件下,二极管桥式整流器并不是可选的方案。
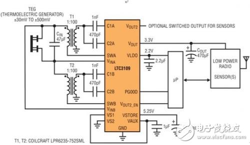
采用4mm x 4mm x 0.75mm 20引脚QFN封装或20引脚SSOP封装的LTC3109可解决任一极性之超低输入电压源的能量收集问题。该器件提供了一款紧凑、简单、高度集成的单片式电源管理解决方案,适合采用低至±30mV的输入电压来运作。这种独特的能力使其可以采用一个热电发生器(TEG)来给无线传感器供电,并从小至2oC 的温差(ΔT)收集能量。该器件采用了两个小型(6mm x 6mm)的现成有售升压变压器和少量的低成本电容器,可提供为当今的无线传感器电子线路供电所需的稳定输出电压。
LTC3109采用这些升压变压器和内部MOSFET形成了一个谐振振荡器,该振荡器能够采用非常低的输入电压运作。利用一个1:100的变压器匝数比,此转换器能依靠低至30mV的输入实现启动,这与输入的极性无关。变压器副端绕组负责为一个充电泵和整流器电路馈电,这用于给IC供电(通过VAUX引脚)及对输出电容器进行充电。2.2V LDO输出被设计为首先处于调节状态,以尽快地为一个低功率微处理器供电。之后,主输出电容器被充电至由VS1和VS2引脚设置的电压(2.35V、 3.3V、4.1V或5.0V),以给传感器、模拟电路、RF收发器供电,甚至给一个超级电容器或电池充电。当无线传感器处于运行状态并发送信号时,VOUT存储电容器将提供低占空比负载脉冲期间所需的突发能量。另外,还提供了一个可由主机轻松控制的开关输出(VOUT2),用于为那些没有停机或低功率睡眠模式的电路供电。该器件内置了一个电源良好输出,用以向主机发出“主输出电压接近其稳定值”的提示信号。图2示出了LTC3109的电路原理图。

图2:针对单极输出 *** 作的LTC3109原理图
欢迎分享,转载请注明来源:内存溢出
微信扫一扫
支付宝扫一扫
评论列表(0条)