
一种新型独立太阳能发电系统充放电电路拓扑
摘要:提出了一种新型充放电电路拓扑及其控制方法,运行灵活,能使光伏系统工作于最佳状态,解决了光伏电池最大功率跟踪和蓄电池最佳充电之间的冲突,提高了系统的效率和可靠性,还能用于其它新能源发电系统。
关键词:光伏系统;双向充放电电路;动态功率跟踪匹配;铅酸蓄电池
1 引言
在独立太阳能发电系统中,为了降低成本、提高效率和可靠性,既要使光伏电池输出最大功率,又要使蓄电池正确充放电,同时还要最大限度地利用所发电能。在目前的光伏系统中,这三者的实现存在矛盾,通常只顾及到一个方面,如只追踪光伏电池最大功率点而放弃蓄电池的最佳充放电,从而限制了系统的效率和寿命。本文将就此问题进行研究探讨,并设计一套高效充放电电路,提出相应的控制策略。
2 光伏发电系统充放电所面临的问题
2.1 光伏电池的运行特点
光伏电池所发功率取决于照射到其表面的太阳辐射量。由于受到当地纬度、经度、时间、空气状态及气象条件等各种因素的影响,实际上在某个地方所能接收到的辐射量时时刻刻都在变化着,偶然的阴影遮蔽也会使输出功率降低,因此,光伏电池所发功率是不断变化的。图1是光伏电池的I—V与P—V特性曲线[1],图2是其输出变量与温度的关系曲线[1],可以看出光伏电池的输出最大功率点Pmax、短路电流Isc、开路电压Voc随着辐射强度、环境温度在不停地变化,所以,光伏发电系统要不停地调整,以使光伏电池工作于最大功率点上,但这又同时使得光伏电池的输出电流、电压在不断变化,即输出功率是不断变化的。
图1 光伏电池的I—V和P—V特性曲线
图2 光伏电池输出变量Pmax,Voc和Isc的相对值(对应于25℃时)与温度的关系
2.2 铅酸蓄电池充放电特性
目前,免维护铅酸蓄电池作为储能设备,由于维护量小,使用方便等优点,在光伏系统中得到大量应用。在独立太阳能发电系统中,其充放电方式与传统充放电方式不同,既要因夜间带负荷而需要循环充放电,又要在蓄电池快充满时进行浮充。而铅酸蓄电池有其充放电特性,如不按照其充放电特性进行充放电就会造成损坏且效率较低,日常的合理维护措施是必不可少的。目前,在光伏系统中蓄电池是一个薄弱环节,铅酸蓄电池用于光伏系统后寿命缩短,限制了光伏系统的使用寿命,增加了系统的成本和维护费用。研究发现,问题在于蓄电池用于光伏时,充电电流较小和充电时间受限。涓流充电和部分放电容易造成电极上树枝状晶体的生长,导致所谓的记忆效应,蓄电池的充电容量将会降低;强行过充电会使电解液分解,产生气体,造成电解液的丢失[2]。也有人指出,在光伏系统中限制蓄电池寿命的主要因素是蓄电池中的酸分层。在光伏系统中,由于蓄电池一般都处于欠充状态,进一步扩大了蓄电池底部和顶部的硫酸浓度之差,加剧了硫酸盐化和容量损失。同时小电流放电下所形成的PbSO4结晶颗粒粗大,这种结晶溶解困难,最终影响了蓄电池的寿命。在光伏系统中,蓄电池的放电率要比蓄电池应用在其他场合低[3]。
图3 传统系统电路图
3 系统拓扑结构及其控制方案
对于上述问题,本文提出了一种新型充放电电路拓扑,采用动态功率跟踪匹配法加以控制。即根据实时功率差,动态地匹配充放电的蓄电池容量(蓄电池个数),也就是动态地变换系统结构,从而实现最佳充放电。系统电路如图4所示,光伏电池经DC/DC变换器与负载和充电电路相连。负载可以变化。充电电路由直流母线和多个蓄电池充电单元组成,每个充放电单元包括双向DC/DC变换电路Hn和蓄电池Bn两部分。双向DC/DC变换电路如图5所示,蓄电池侧为低压侧,能够实现升压和降压[6]。该双向变换电路能实现高低压侧的有效电气隔离,效率高,控制灵活。与传统光伏系统相比,本系统运行灵活,高效可靠,整体寿命得到提高;另一个很大的优点是,容易进行规模扩充,易实现模块化系统集成,能够较好地解决蓄电池在目前的光伏发电系统中所面临的问题。由于蓄电池组容量是可以灵活变化的,所以,需要扩充规模时,只需增加光伏电池板、增加并联的DC/DC变换器数目、增加蓄电池充电单元、更改控制软件程序即可。

图4 系统电路图

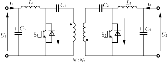
图5 双向DC/DC变换器
本系统真正实现了在光伏电池最大功率输出下对蓄电池进行最佳充放电。由图1可看出,光伏电池的最大功率点电压、电流在不同的情况下是变化的。所以,在负载不变的情况下,就需要系统同时调节充电电流来协调光伏电池最大功率跟踪,这样才能实现光伏电池最大功率输出。为了实现光伏电池最大功率输出时对蓄电池进行最佳充放电,负载确定后,控制器同时同方向调整DC/DC变换器和充电器的占空比D,实现最佳充电,也使放电的蓄电池按最佳放电电流放电。在光伏电池运行于最大功率点的前提下,本系统方案包括:
1)规定负载的最高限值,保证蓄电池能完成晚间或阴天的单独供电。
2)充电时,同时调节光伏工作点跟踪DC/DC变换器和双向DC/DC变换器,由其动态地确定需充电蓄电池数;
3)放电时,同样要判断光伏输出功率和负载功率的最大差,以此来确定参加放电的蓄电池数;
4)充放电都要维持蓄电池的最佳充放电模式。
从图4可以看出,直流母线电压和DC/DC变换器输出电压及负载输入电压相等,总充放电电流ic为DC/DC变换器输出电流与负载电流之差。设DC/DC变换器输出电压uo,输出电流io,输出功率po,负载电流iL,负载功率pL,总充电电流ic,各充放电单元高压侧电流icn,低压侧电流icn′,蓄电池电压uBn,(n为充放电单元的个数),则
Po=uoio,PL=uoiL(1)
ic=io-iL=icn(2)
另外,对于双向DC/DC变换器,由功率守恒得出
u1i1=u2i2(3)
又占空比D=ton/T,则
(4)
icn=i1=i2=
icn′(5)
ic=icn′(6)
式中:Dn为第n个充电器的开关占空比,充电时为高压侧开关,放电时为低压侧开关。
所以,测得icn′后即可得到icn,得到Ic。这样,控制器实时采集io,uo,iL,icn′,各蓄电池端电压uBn等各数据,得出控制命令和保护措施。
系统充放电流程图如图6所示。充放电之前,控制器将满荷电和已被开启充放电的蓄电池从荷电量序列中去掉。然后按照各个蓄电池荷电多少对其余电池进行排列,将荷电量不满且缺量最多的蓄电池Bmax作为第一个充电的电池,然后依次确定充电次序。充电器先从第一个开始充电,即先将第一个充电器与DC/DC变换器一起进行协调控制。当第一个充电器的充电电流达到其蓄电池的最佳充电电流时,转入保护充电模式,对其开始进行恒流充电。在蓄电池端电压达到水解电压(一般为2.3V/单体,高于此值便开始出现电池酸液水解现象)时,转为恒压保护充电,并对过充电压值进行温度补偿,温度补偿系数取-4mV/℃,直至充满。然后按照上述所说方法开启第二个充电器,将其添加到被控制队列中,依次类推。控制器协调各个充电器,使其都尽可能处于最佳充电模式下,并尽可能将先充电的蓄电池充满。放电时与充电相似,实时计算po与pL之差,并以此计算出需放电的蓄电池数nf,计算时以单个蓄电池的最佳放电电流ifb为条件,即icn′=-ifb,nf=Ic/|icn|。放电顺序与充电相同,先从荷电量最大的蓄电池开始放电,以防荷电量小的个体电池完全放电后得不到及时再充。当po与pL之差减小时,以相反的顺序断开充放电单元。当所有蓄电池端电压到达设置的放电终止电压后,立刻停止放电,避免发生过放电。可以看出,放电控制比充电控制相对简单。
图6 充放电系统运行流程图
4 实验结果
为了验证方案的有效性,进行了相关实验。出于冗余考虑,实验用了额定功率3800W的38D1010X400型光伏电池方阵,15只100A·h(20h率),放电深度为60%的蓄电池和一台1000W的负载、一台500W的负载,每3个蓄电池串联为一个单元。其中1000W的负载一直运行,而500W的负载在13时加入,并在15时退出。实验数据见表1,结果表明,在各充放电电流为最佳的情况下,总充放电电流仍能够跟踪光伏电池输出功率的变化。最大功率跟踪和蓄电池充放电情况良好,只有一组蓄电池由于负载变化没有充满。系统既实现了光伏发电最大功率跟踪,又对蓄电池实现了最佳充放电。实验结果与理论分析一致,证明该充放电电路拓扑及其控制方法是可行的。
表1 实 验 数 据
欢迎分享,转载请注明来源:内存溢出
微信扫一扫
支付宝扫一扫
评论列表(0条)