
Reference Design for a Signal-Lamp LED Driver
Abstract: This applicaTIon note presents a reference design for a signal-lamp LED driver that consists of six strings of 4 LEDs per string and delivers 350mA per string. Because of its wide input-voltage swing (11V to 28V), parallel linear controllers (the MAX16836) are used for each string to distribute heat.
The LED driver's (MAX16836) current-sense inputs are limited to a 4V common-mode voltage; matched PNP transistor pairs are used to translate the LED current-sense resistor voltage to the input current-sense pins of the driver.
When the LED string is at its minimum voltage (7.6V) and the input is at its maximum (28V), the LED drivers will experience a dissipation of over 7W. Since this amount of dissipation is impossible, even with the best heatsinking methods, the duty cycle must be reduced to less than 25%.
This reference design allows both for a universal dimming input that will control all six drivers, as well as independent enables that allow each string to be controlled separately.
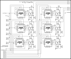
Figure 1 presents a schematic for the circuit, and Table 1 provides the Bill of Materials (BOM). The following are the electrical input requirements and output capabilities.
VIN: 11V to 28V
PWMIN: 10% to 100%
VLED configuration: 7.6VDC (min) to 10VDC (max), 350mA

Figure 1. Schematic of the driver design.
Table 1. Bill of Materials
欢迎分享,转载请注明来源:内存溢出
微信扫一扫
支付宝扫一扫
评论列表(0条)