
诸如手机和平板电脑等便携式设备能够实现比以前更快的充电速度。要获得快速的充电时间,充电器件上的电压必须保持在适当的水平上。如果不这样的话,充电器有可能将充电电流减少到较低(不过仍然是可以接受的)电平,最终延长了总体充电时间。充电电缆上的电压下降会导致电压不足。我们看一看这会对通用串行总线 (USB) 电缆造成哪些影响,以及如何应对可能出现的问题。
一个常见的USB电缆接口接触电阻大约为30mΩ。由于有4个触点(电缆每端两个),这表示总电阻为0.12Ω。假定每条电源线的长度为1m,并且使用的是一条标准24AWG线缆,那么总的线缆电阻为0.166Ω。预计的电缆和触点总电阻为0.286Ω。如果5V转换器被设计用来提供一个最大值为2.1A的输出电流,那么电缆上的预期压降将为0.6V。对于5.0V的固定转换器电压,电缆末端上的电压将下降到4.4V。对于USB设备来说,这个电压值为较低的电压限值,高电流负载产生潜在问题的原因显而易见。使用更重的USB电缆会有所帮助,而超长USB电缆,使用较小线规线缆,将会使充电率低于最大值。必须采取某些措施来进一步增加充电电流。
一个常见的解决方案就是尽可能地将典型值为5.0V的无负载输出设定电压提高到5.15V至5.20V(对于USB 3.0来说,最大值为5.25V)。这个解决方案在最大2.1A电流时提供足够(虽然仍旧为最小值)净空。而对于更高的负载电流,这个方法很快就会难以支撑。
另外一个方法使用的是诸如TPS2511的专用充电端口控制器。这个器件监视USB数据线路,并且将正确的电气签名自动提供给充电兼容器件;它还具有一个电流限制功能。它的电流感测 (/CS) 引脚在输出电流为限流阀值电阻器所设定的最大电流的一半时下拉为低电平。如图1所示,将这个引脚通过一个电阻器与5V电源的反馈电阻器相连(请见TPS2511数据表中的图33)将增加输出电压。这就将电压下降减少了大约50%。设计示例请参见双端口汽车USB充电器参考设计。

图1:电流感测增加在负载为50%时提高输出电压,以应对电压下降
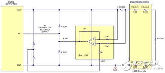
图2中的方框图详细给出了一个线性增加转换器输出电压,以补偿电缆损耗,并且保持电缆末端电压恒定的方法。这个解决方案增加了一个感测电阻器来监视输出电流。一个差分放大器增加感测电阻器上的电压,并且使用这个电压来将一个电流注入到控制器的反馈 (FB) 引脚内。如需进一步了解这个方法的详细信息,请参见“电源技巧:补偿电缆上的电压下降”。

图2:电流感测持续调整反馈,以便在负载上保持一个稳定电压
这些技术只是应对电压下降、尽可能缩短充电时间的几个方法。
其它资源
在Power House内查看TI的电源技巧博客系列。
如需进一步了解这一话题,请参见电源技巧文章,“电源技巧:补偿电缆上的电压下降。”
如需获得相类似的设计示例,请参见支持线性压降补偿的汽车USB充电器参考设计和汽车USB电池充电参考设计。
欢迎分享,转载请注明来源:内存溢出
微信扫一扫
支付宝扫一扫
评论列表(0条)