
目前,发达国家在智能交通方面已开始推广应用RFID技术;随着该技术的日趋成熟,开始逐步在国内门禁管制、仓储物流管理、航空行李分拣和智能交通管理自动收费等领域得到了一定的应用。然而,对于智能交通管理上的应用还只是凤毛麟角,只有几家RFID业内公司提出了各自的公路/车辆RFID管理系统,通过对车辆进行非接触式信息采集处理,从而自动识别和自动管理车辆活动,例如不停车收费系统等。
本文论述的RFID智能交通管理系统是基于对每辆合法注册的机动车辆加装RFID电子标签(如将电子标签固封在车辆号牌中),为这些车辆配发一张固定且唯一的“电子行驶证”,再通过特定的阅读器识别道路上行驶的各种车辆信息,实现对机动车辆、交通流量和可疑车辆等方面的实时监控管理目的,同时将该系统与银行结算、路费征稽、高速公路或各种停车场收费系统结合起来,可实现电子钱包结算,不停车收费,从而提高道路通行能力,保证交通安全。
一、基于RFID技术的智能交通管理系统需求分析
随着中国经济的不断发展,人民生活水平日益提高,各种各样的机动车辆成为了人们生活和工作不可或缺的重要交通工具,然而,随着道路上交通流的不断增加,交通状况日趋繁杂,交通违章、交通事故和交通阻塞等现象的频频发生,不但给人们的出行带来种种不便,同时也给道路交通安全管理带来了诸多困扰。如何建立一套行之有效的交通管理系统,已成为今天交通管理者最关心的课题。
智能交通管理系统是一个复杂的综合性系统,单独从道路或车辆的角度来考虑,很难解决交通问题,必须把车辆和道路综合起来全盘考虑。在这样的需求背景下,借鉴美国等西方发达国家的经验,引进RFID技术,并与信息技术、电子通讯技术、自动控制技术、计算机技术以及网络技术等有机的结合,可以实时、准确、高效的监管交通情况,及时发布交通诱导信息,疏导交通,以达到强化交通指挥,有效提高道路使用率的目的。
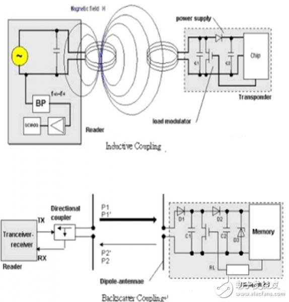
二、RFID在智能交通管理系统中的工作原理及框架
RFID智能交通管理系统的工作原理很简单,在系统工作过程中,阅读器(Reader)首先通过天线发送加密数据载波信号到机动车上固化的电子标签(TAG)也就是所谓的应答器(Transponder),应答器的工作区域电路被激活,同时将载有车辆信息的加密载波信号发射出去,此时阅读器便依序接收解读数据, 送给应用程序做相应的处理,完成预设的系统功能和自动识别,实现车辆的自动化管理。

图 1

图 2
在RFID智能交通管理系统中,对每辆合法注册的机动车辆加装RFID电子标签,标签可安装在汽车内部的仪表盘或固封在车辆号牌中。阅读器的安装可在主干道上每1~5公里设置一组(天线设置于门架、读取器设置于路侧),或直接安装在各个高速公路收费车道内及交通流量大的路口,当车辆通过时,天线及读取器得到通过车辆的ID及经过时间值等,然后通过光纤、移动GSM网的GPRS方式或短信通信方式传输到信息中心。由后端计算机收集及统计出相关车辆和车流动态信息,经数据分析处理后,可作为交通疏导决策的依据,并实时调整该路段信号灯或可变标志,对外发布相关交通信息。另外,在各路段阅读器收集到的交通流信息,除用以提供实时路况信息外,还可作为历史数据保存于数据库内,以便日后作为交通道路规划的依据。
欢迎分享,转载请注明来源:内存溢出
微信扫一扫
支付宝扫一扫
评论列表(0条)