
随着现代社会的不断进步,人们愈来愈离不开汽车。然而,随着汽车数量的急剧增加,道路安全就愈发引起人们的关注。现在认识到,仅仅依靠汽车本身的结构因素保证行车安全,已经是不现实的事情,因而必须强化对车辆上涉及安全的主要部位,进行定期的检查,并按一定的技术标准对它们的技术状况加以考核,通过具有一定精度的各种检验台测试取得的数据,科学而又定量地判断车辆安全装置的技术状况,给出恰当的评价。而汽车车灯故障率在汽车行驶过程中是比较高的,车灯故障时,不能正确反应汽车驾驶员的行车意识而给安全行车埋下事故隐患。
而随着电子系统能够在汽车产品中的广泛应用,大大保证了控制系统的自动化,而且汽车造型日趋流线型,汽车尾灯对于汽车整体造型的完美体现有着很大作用,汽车尾灯控制系统在汽车成品中所占的比重也逐渐加大。
尾灯又是汽车品牌的最好体现,不同的尾灯的形状、在车上的安装位置、不同信号功能的相对位置等都是使汽车独树一帜的有效手段。同时,对汽车整体而言,尾灯安装后,与车身必须能浑然一体,并且在点亮与未点亮时都具有整体的协调性。国内汽车尾灯控制技术方面的产品主要是动态式图文显示的汽车尾灯口。
本文所研究和开发的课题是汽车尾灯控制器的电路设计,其基于Intel公司生产的AT89S52芯片设计了汽车尾灯控制系统。在该系统中,通过8个LED显示汽车尾灯的基本工作状况,汽车尾灯控制系统的研发不仅使汽车的先进性有了较大提高,更重要的是降低了交通事故发生的可能性。
硬件设计及工作原理
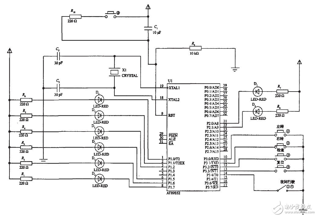
该系统硬件主要包括以下三大模块:逻辑开关控制器、AT89S52单片机系统、LED灯阵等组成,从而形成了信号识别电路、控制器以及发光电路三个模块。其中单片机系统(微控制器)作为中央处理单元,根据逻辑开关控制器检测到驾驶员所执行开关控制信号,获得的相应信号进行传输使单片机系统收到指令,进而使LED灯阵发出相应的指示。系统总体设计方案如图1所示。

图1系统总体设计
其中:
1)逻辑开关控制器由五个开关组成,分别是左转、右转、检查、夜间行驶、复位等。
2)单片机系统是40个引脚的AT89S52芯片,其中所用到的引脚有19个。
3)灯阵自左向右分别为L4L3L2L1R1R2R3R4,其中灯阵R1R2R3代表右侧3个指示灯,L1L2L3代表左侧的3个指示灯,R4L4代表夜间行驶时长亮灯。
本次设计的汽车尾灯控系统中的控制功能包括左转、右转、刹车检查、夜间行驶等,主要为了模拟实际汽车尾灯控制电路,进而达到可靠性高、实用性好和普遍性强等特点,所研究方案的硬件电路简单,可以广泛应用在各种机动车辆上。系统电路图如图2所示。

图2系统电路
该系统的工作原理是:左转开关触发后,单片机收到信号并进行处理,此时L1L2L3按左循环依次点亮;同样当右转开关触发时,R1R2R3按右循环依次点亮;当检查开关触发时,L3L2L1R1R2R3同时闪烁;当复位开关触发后,左转、右转和检查等状态都清零,即L3L2L1R1R2R3均不工作;当夜间行驶开关闭合后,R4L4长亮,同时其余四种态也可以进行。(注:D1D2D3D7分别为L1L2L3L4,D4D5D6D8分别为R1R2R3Rt4)。
软件设计
分析上述图1尾灯控制系统的工作原理后,本设计的软件主要由主程序、键盘扫描子程序、延时子程序等模块组成,并采用C51语言编写。
从图2可知,单片机采用AT89S52,其引脚P1口中P1.O~P1.2口和P1.5~P1.7口以及P2 口中P2.0口和P2.1口做LED发光输出控制用,P3.0~P3.4口为闪烁方式控制开关,限流电阻220,发光二极管电流约为10 mA,采用12 MHz晶振。
1主程序
主程序主要完成硬件初始化、子程序调用以及LED显示功能,主程序流程图如图3所示。

图3主程序流程
欢迎分享,转载请注明来源:内存溢出
微信扫一扫
支付宝扫一扫
评论列表(0条)