
一、引言
单片机市场可以用巨无霸来形容,其中51 单片机使用者就更多了,针对51 单片机无需更多的介绍,这里必须强调一点,只要你精通了51 单片机,以后在实际工作中选用其它单片机也很容易了,这就是初学者学习51 单片机的价值。选择51 单片机学习入门容易,倒不是说51 系列单片机比别的型号简单,其实在8 位单片机家族中,51 系列单片机算是复杂的,但51 单片机在中国推广最彻底,教程也是最丰富,基本不用看英文资料就能学好,所以特别适合初学者学习用。
下面说说CPLD,从近来跟学生和爱好者交往中发现,初学者都很“讨厌”它,问我为什么要把单片机和CPLD 放一块儿,那样不是增加了学习的难度吗?其实深入学习单片机后,你就会发现,单独一片单片机芯片,实在是不够用,稍微复杂的系统都会缺少接口资源,IO 口不够用。我们学单片机不能仅仅局限于LED(发光二极管,数码管等)驱动,输入还需要键盘、ADC,输出需要LCD、DAC 等,当把这些对象同时放在一个系统当中时,就需要用到很多其它分离的接口IC(芯片),各种逻辑IC。
学完单片机后大家都会知道这些芯片:如74373,7432,74138……随着数字电子技术的发展,一种新的器件正在被广泛应用,那就是CPLD(ComplexProgrammable Logic Device) 复杂可编程逻辑器件,通俗的说就是可以把以上那些分离器件都放进去的一种可以二次开发的IC.关于CPLD 的详细介绍大家可以自己在网上浏览,很多很多。
基于此,本刊用这篇文章深入浅出的介绍一种采用51 单片机和CPLD 构建复杂电路系统的设计思想。
二、单片机系统中几个典型电路介绍
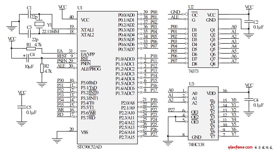
首先从熟悉的最小系统电路电路说起,如图1所示,图中用网络标号实现电路连接,这样绘制的电路图清晰整洁,U1 是经典的51 单片机 IC,复位电路和晶振电路是传统电路,这里C5 电容是靠近单片机VCC 引脚的,用来对电源滤波,图中其它芯片VCC 附近都有相同功能的滤波电容。U2 是经典的低八位地址锁存电路,这里的74373 也可以用74573 代替,U3 是地址译码电路,74138 实现连续8 个地址(1### #### #### #000 ~ 1####### #### #111,# 是无关位,可以是0 也可以是1,取决于电路其它部分的需要)对象扩展。

图1 MCU最小系统原理图
51 单片机给大家推荐STC 的89 或90 系列,其中90 系列已经有片内ADC 了,需要特别强调的是, 随着FLASH 技术的成熟,片内FLASH ROM从8K 到64K 任选,已经足够用了,所以现在很少有单片机系统外扩ROM 了,这样使得EA/VPP 和PSEN 引脚失去了原先的功能了,STC 的51 单片机已经将这两个引脚发展成P4 口了。
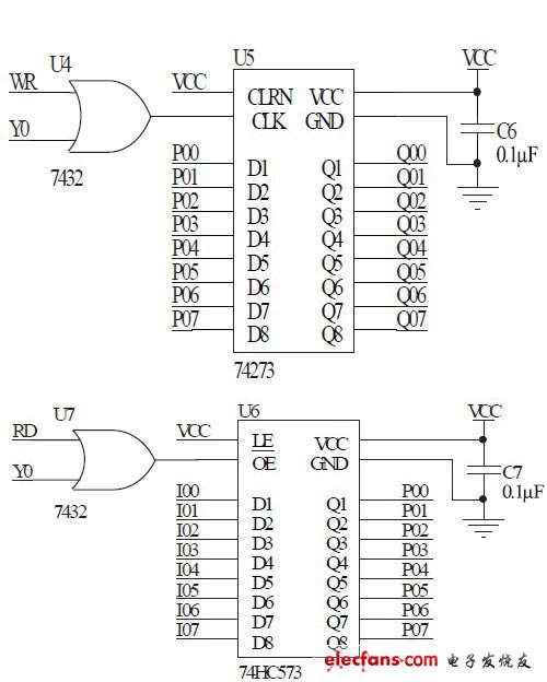
复杂的系统必然有很多输入输出接口,如图2所示,U5 是数据锁存器74273,扩展一个8bits 数据输出端口,U6 是三态数据缓冲器74573,扩展一个8bits 数据输入端口,分别用7432 实现读写时序接口匹配。

图2 MCU端口口扩展原理图
经典LCD1602 接口如图3 所示,这里7408、7402 逻辑门用来实现6800 时序(读写信号有独立接口的是8080 时序,这里只有使能信号E,需要外逻辑电路将读写信号相与合并使用)。

图3 LCD1602接口电路原理图
以上给出的系统还算不上是复杂系统,总共采用了8 块IC,一个实现特定功能的系统往往更复杂,需要采用的IC 会更多。能不能把这些分离的器件用CPLD 来实现呢?答案是肯定的。
欢迎分享,转载请注明来源:内存溢出
微信扫一扫
支付宝扫一扫
评论列表(0条)