
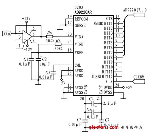
本系统设计采用ADI公司的高速模数转换器AD9220实现波形信号的采集,AD9220最高采样速率可达10 MHz,采用外部晶体振荡器8 MHz,FPGA内部通过采样实现波形存储。AD9220有直流耦合和交流耦合两种输入方式。本系统设计采用直流耦合,0~5 V的输入方式。采用内部2.5 V参考电压。由于系统垂直分辨率只需255级,故采用AD9220的高8位。数据采集电路如图1所示。

数据采集模块电路图
欢迎分享,转载请注明来源:内存溢出


欢迎分享,转载请注明来源:内存溢出
微信扫一扫
支付宝扫一扫
评论列表(0条)