
在win2000下装好驱动,插上并口电缆,启动Q4.2,认出是 ByteBlasterMV,那么另一端插到目标板JTAG接口。在下载窗口,mode默认是JTAG,添加文件,发现有两种扩展名,当时没在意,尝试出只是*.sof的能行,然后Start,一切很顺利。
后来知道还有一种电缆形式为ByteBlasterII,线烧录Cyclone系列的相应配置芯片EPCS1等必须用它,而JTAG接口烧录到Cyclone的数据一断电就没,只能是用于调试。先按单244方式将MV改成II,还是那驱动,不用重装,插好,启动Q4.2,自动认出是ByteBlasterII。另一端插到目标板AS_download接口,打开下载窗口,mode默认还是在 JTAG方式。接下来是问题所在:因为前面用过JTAG下载,窗口中还留有*.sof的条目,所以将mode改为AS(AcTIve Serial Programming)时提示“some devices in current device list cannot be added to selected programming mode AcTIve Serial Programming. Do you want to clear all devices in current device list andth to selected mode?”。点确定,*.sof的条目就消失了,依先前提示,去点“Add Devices...”,在d出的窗口中选中Cyclone系列,确定,然后却提示:“Can't add target device ***** to device chain when in current device mode”。在JTAG模式下点“Auto Detect”或者“Add Device...”,会生成file为none的条目对应你的Device,而在AS模式下Auto Detect按钮是灰色的不可用。后来按双244方案做了条下载线,问题依旧。差点就去买原装线了。
原来正确的 *** 作方式是直接点“Add File...”,它认可的文件只有*.pof,打开相应文件,就会出现*.pof的条目(自动认出device为EPCS1),开始下载,OK! TNND,原来是受JTAG *** 作的误导,既然不起作用,Q4.2在AS模式时应该将“Add Device...”按钮屏蔽!
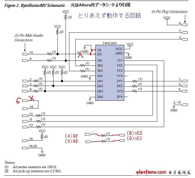
后来一想,尽管FPGA速度很高,但下载是受并口的限制,信号速度不可能高于1Mbps,交叉干扰不会很大,在IO电压高于2.5V时,单片HC244完全能胜任,用不着双片形式或三极管形式;在IO电压低于2.5v时目前只能用三极管那种。
对新手的温馨提示:下载时要将那条目的 Program/Configure 选择框钩上。另,目标板JTAG接口与AS_download接口是完全不同的两个物理接口,详情见datasheet。
E文好的话仔细看完所有datasheet,免得摸索时走弯路,当然,也有软件本身编得不完美的地方.

欢迎分享,转载请注明来源:内存溢出
微信扫一扫
支付宝扫一扫
评论列表(0条)