
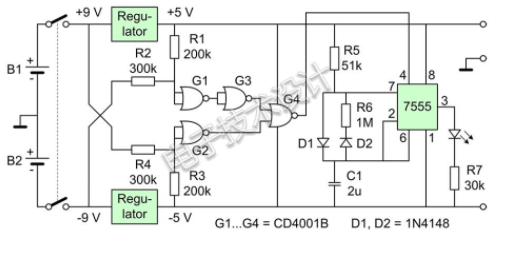
图1中的电池监控器电路对于使用两个9V电池供电的任何便携式设备都非常有用。当两个电池都处于健康状态时,LED每秒会发出一小束光。如果其中一个电池或两个电池均降至7.5V以下,则LED保持黑暗。闪烁时,整个电路消耗1mA的电流。

图1:四个或非门和一个门控振荡器告诉你9V电池是否正常。
这个电路使用两个基于或非(NOR)门的比较器、R1-R2-G1和R3-R4-G2来监视电池电压。仅当两个电池均高于7.5V时,G4的输出才为高电平。G4的输出使能7555定时器,生成占空比为5%的秒脉冲。如果有一个或两个电池的电压低于7.5V,则G4的输出为低,计时器将被禁用,从而使LED指示灯不闪烁。
电阻分压器R1/R2和R3/R4的值将比较器电路的触发点设置在±7.5V,用来指示电源电压高于大多数通用稳压器(例如78L05和79L05)的压差。为了延长电池寿命,可以使用LDO稳压器并调整电阻值来相应地减少触发点。
除了用作健康状态指示灯外,闪烁的LED还可以用来提醒用户在不需要使用设备时关闭电源。但是,如果希望用这个电路实现电池电量不足警报,只需将G1的输出直接连接到G4,然后将G3放在G2和G4之间即可。在这种配置下,当电池电压降至比较器的触发点以下时,LED就会开始闪烁。
责任编辑:lq
欢迎分享,转载请注明来源:内存溢出
微信扫一扫
支付宝扫一扫
评论列表(0条)