
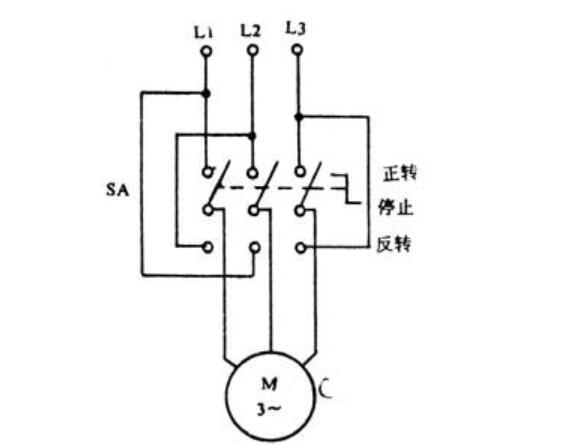
1.原理图

2.工作过程分析
转换开关SA处在“正转”位置,电动机正转;转换开关SA处在“反转”位置,电动机的相序改变,电动机反转;转换开关SA处在“停止”位置,电源被切断,电动机停车。
电动机处于正转状态时,欲使之反转,必须把手柄扳到“停止”位置,先使电动机停转,然后再把手柄扳至“反转”位置。如直接由“正转”扳至“反转”,因电源突然反接,会产生很大的冲击电流,烧坏转换开关和电动机定子绕组。
3.电气线路特点
优点:所用电器少,控制简单
缺点:频繁换向时, *** 作不方便,无欠压,零压保护,只能适合于容量5.5KW以下的电动机的控制。
欢迎分享,转载请注明来源:内存溢出
微信扫一扫
支付宝扫一扫
评论列表(0条)