
为低电压便携式设备背光或闪光应用选择合适的发光二极管(LED)驱动器方案是设计人员面临的一项挑战,因为既要考虑延长电池使用时间,又要减小印制电路板(PCB)面积及高度。目前,小型液晶显示器(LCD)面板及键盘背光以及指示器应用大多采用白光LED和RGB三色LED;手机和数码相机中的闪光光源通常使用高亮度LED。因此,这些应用需要优化的驱动器解决方案,使用低电压便携式LED驱动器拓扑结构。
安森美半导体身为全球高能效电子产品的首要高性能硅方案供应商,提供涵盖电感型、电荷泵型、线性等不同拓扑结构的低压便携设备背光或闪光方案。这些方案中,电感型方案可提供最佳的整体能效,电荷泵型方案使用低高度陶瓷电容作为能量转移机制,占用的电路板面积和高度极小,线性驱动方案则是彩色指示器以及简单背光应用的理想选择。这些方案可用于满足不同应用需求。
1)电感升压及降压型方案
在电感升压型拓扑结构方面,安森美半导体提供采用PWM和/或单线式调光方式的不同产品,适合在低电压便携式设备背光和闪光应用中驱动白光LED。这些产品包括:输出电流为20 mA的CAT37、CAT32、CAT4238、CAT4252、CAT4253、CAT4157、CAT4158和CAT4258,输出电流为40 mA的CAT4137和NCP5005,输出电流为50 mA的CAT4139,以及更大输出电流的CAT4240(250 mA)、NCP1422(800 mA)和CAT4131(1.5 A/0.3 A)等。

图1:电感升压型方案示例
以NCP5005为例,它是一款紧凑型高效率背光LED升压驱动器,提供高达22 V电压,可为LCD背光控制、键盘背光等应用的2至5个串联白光LED供电。其能效高达90%,关机电流1 μA,工作输入电压范围为2.7 V至5.5 V。它内置短路和过压保护及欠压切断功能。其电流可自动匹配LCD,所有引脚均为ESD保护,低EMI辐射。
而在电感降压型拓扑结构方案,安森美半导体提供输出电流高达1 A的NCP1529白光LED驱动器,应用于手电筒/闪光等应用。
2)电荷泵型方案
安森美半导体专利的四模(Quad-Mode®)自适应分数电荷泵的能效比市场上常规的三模电荷泵高出提供10%,并减小多达65%的封装,将LED驱动器的性能提升到了新的水平。Quad-Mode LED驱动器通常可为基于电感的LED驱动器提供高能效,同时消除较厚的电感和有害的EMI干扰。
大多数电荷泵LED驱动器可提供对应于输出电压与输入电压比的三种 *** 作模式:1倍、1.5倍和2倍;而四模架构增加了1.33倍的第四种 *** 作模式,不需要额外的电容和电感。它比三模式电荷泵效率提高了10%以上。

图2:电荷泵型方案示例
安森美半导体提供总输出电流10 mA至192 mA的多种产品,涵盖NCP1840、CAT3661、NCP5612、CAT3647、CAT3200、CAT3200H、CAT3606、CAT3616、CAT3626、CAT3636、CAT3637、CAT3649、CAT3604A、CAT3604V、CAT3614、CAT3644、CAT3648、NCP5623B/C和CAT3643等;还有更大输出电流的产品NCP5603(200 mA DC,350 mA脉冲)、CAT3612(300 mA)和CAT3224(4闪光灯,400 mA电筒)等。

图3:四模比三模效率提升10%以上
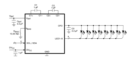
以多通道LED驱动器NCP1840为例,该器件能够帮助用户创建任何照明图形,独立驱动多达8颗LED。由于处理器不再需要直接控制各个独立LED,采用NCP1840可简化通常由其系统设计中处理器来完成的工作;通过统一控制各个LED亮度及闪烁率的串行接口写入寄存器或读取寄存器,能够方便地进行电流及调光程度编程。LED亮度程度能以对数而非线性形式控制,从而使肉眼观看也没有亮度失真。NCP1840采用高能效、低噪声四模电荷泵,能够延长电池使用时间,非常适合便携式应用。

图4:NCP1840典型应用电路
3)线性驱动方案
安森美半导体还提供多款2至4通道单模线性背光LED驱动器,如CAT4002A、CAT4002B、CAT4003B、CAT4004A和CAT4004B等。这些背光驱动器通过1线EZDim接口提供32级调光控制,具有25 mA固定(B型)或可调(A型)输出电流和低于1 μA的极低关断电流,没有开关电源噪声问题。
这些单模LED驱动器通常作为系统级方式的一部分,用于设计集成低电压LED和简单LED驱动器的背光电路。这些采用薄型微型封装的驱动器电路简单,可延长电池使用时间、降低成本(如省去外部电容)及降低噪声,为入门级便携式产品,如手机、相机和摄像机、便携式游戏及便携式医疗设备市场提供了简单的解决方案。

图5:线性LED驱动器方案示例

图6:32级EZDim调光控制

图7:CAT4003B线性背光驱动器应用电路
4)相机闪光专用LED驱动器方案
LED越来越多地应用于拍照手机、智能手机和氙气灯泡替代,且光输出能力不断提供,从而满足更高的性能需求。安森美半导体的CAT3612、CAT4131、CAT4134和CAT3224都是这类驱动方案。这些器件分别采用电荷泵、电感升压拓扑结构,可以提供不同的闪光电流和亮度。

图8:不同闪光电流和亮度的专用LED驱动器
以CAT4134为例,这是一款大功率电感升压型双通道驱动转换器,提供2路匹配的LED电流。输出电流级别通过2个电阻之一RSET或RFLASH来控制。当FLASH输入引脚为低(电影模式),电阻RFLASH设置LED电流。每个通道驱动2或3个白色串联LED,并提供1个可调节电流以控制其亮度。支持输入电压低至3V,使得器件适合于锂离子电池的应用。
高频低噪声 *** 作使该器件可与小型外部电感和陶瓷电容一起使用,同时提供极佳的能效。当器件不使用时,可通过关断引脚将器件设置为“零”静态模式。CAT4134除了具有软启动和电流限制功能,还具有热关闭保护功能。过压专用引脚(OVP)允许用户限制最大LED供电电压。

图9:CAT4134专用LED驱动器典型应用电路图
电荷泵型驱动器CAT3224也适合相机闪光应用,从而支持高百万像素相机闪光,以及替代氙气闪光,配合纤薄设计。CAT3224是业界首款4 A单芯片超级电容LED驱动器,集成了双模1x/2x电荷泵,提供三项关键功能:精密的超级电容充电控制、电流放电至LED闪光的管理,以及为LED手电筒模式提供恒流。这三种模式的工作电流均可以3个外部电阻来简易编程,提供达4 A的LED闪光脉冲电流。超级电容技术的高峰值电流优势,结合CAT3224简单的并行逻辑接口,使该器件非常适用于采用LED替代氙气灯的应用。

图10:CAT3224 LED驱动器应用电路图
5)多功能和RGB驱动器
安森美半导体还提供各种多功能LED驱动器(如LV5219LG、LV5231CS、LV5207LP和LV5216CS)和RGB照明驱动器(如LV5213LP、LV5217LP、LV5223GR、LV5226CS和LV5230LG),前者具有LED电流可编程、主LED自动亮度控制、外部亮度控制等功能,适用于7至16个LED通道的闪光灯/手电筒、RGB照明、主液晶屏背光、辅助液晶屏背光等应用。后者主要用于支持彩色照明设计,实现便携式设备丰富的照明色彩。
总结
作为应用于绿色电子产品的首要高性能、高能效硅方案供应商,安森美半导体利用其在低电压和高压技术以及在电源管理方案方面的专长,提供全面的LED驱动或控制解决方案,其中就包括应用于便携式设备背光或闪光应用的丰富LED驱动器。这些方案在集成更多功能的同时,采用越来越小的封装,实现越来越低的功耗,有助于工程团队和原设备制造商(OEM)高性价比地利用LED照明来体现产品的与众不同,并加快上市时间。
责任编辑;zl
欢迎分享,转载请注明来源:内存溢出
微信扫一扫
支付宝扫一扫
评论列表(0条)