
关键词:单片机,性价比,霓虹灯控制器
1 引 言
霓虹灯控制器属于定制产品,很难工厂化批量生产。由于市场竞争日趋激烈,该产品的高利润时代已经结束,市场迫切需要低成本高性能的霓虹灯控制器制造技术。台湾义隆电子公司生产的EM78P447SB单片机是一次写录的芯片,内部有4K的ROM,振荡脉冲外围线路仅是一个电阻和一个电容,有三个口24位输出控制,性价比相当高,非常适合制作霓虹灯程序控制器。但用单片机制作的霓虹灯程序控制器一般都需要光电耦合器实现高低压隔离,防止程序跑飞死机。市场上光电耦合器价格一般都比较高。为了降低成本,在保证高低压隔离能力没有降低的前提下,本设计采用自制的光电耦合器。同时,为进一步降低成本,该霓虹灯控制器的花样变化速度调节及全亮维修功能均采用不增加硬件成本的方法,这样,进一步提高了性价比。
2 电路及工作原理
为降低成本,该控制器硬件线路相当简单。电原理图如图1所示。
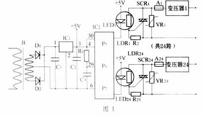
图1中,B是9V1A电源变压器,D1、D2是IN4007整流二极管,IC1用的是LM7805,构成典型的+5V1A直流稳压电源。A是限流保险丝,VR是470V压敏电阻,保护SCR(Silicon Controlled RecTIfier,可控硅)。
IC2(EM78P447SB)及R1、C3构成典型的EM78P447SB单片机RC振荡最小应用系统,可以看出,该线路非常简单。R1最好用一个电阻与一个电位器串联使用,P5、P6、P7这三个口全部设定为输出口。
由于该芯片灌电流相当大,可以直接驱动发光二极管,这样,驱动线路非常简单实用,三个输出口直接与自制光电耦合器(发光二极管LED+光敏电阻LDR)相连,LDR的阻值随LED的亮与不亮大幅变化,使得双向可控硅SCR导通与关闭,达到控制霓虹灯变压器、控制花样变化的目的。
3 编 程
EM78P447SB单片机的指令比较简洁,仅有58条,采用RISC(Reduced InstrucTIon Set Computer,精简指令集计算机)指令结构,执行速度快。霓虹灯编程无非是对各个口输数,当然,输数方法有许多种,最简单的就是取表送数。下面是24路霓虹灯控制器取表送数一个花样的例子,其它花样可以参照此程序编写。注意,所有的程序必须存档,以便将来维修时使用。



4 结束语
4.1 霓虹灯的速度调节与维修功能
霓虹灯控制器花样变化速度可以用软件很方便地修改调节,但现场 *** 作很困难。一般的霓虹灯控制器均采用电位器调节的方法。
在该控制器中,用电位器取代EM78P447SB振荡电阻,可以很方便地通过控制主频来调节现场花样变化速度。同时,当电位器阻值相当小时,霓虹灯变化速度非常快,使其看上去常亮,这样还可省掉维修常亮按键,进一步降低了成本。
4.2 光电耦合器的制作
市场上销售的光电耦合器价格较高。经过试验发现,霓虹灯控制器中的光电耦合器完全可以自制。自制的光电耦合器由高亮度的发光二极管和光敏电阻组成(光敏电阻选用MG-45型),外套深色热缩套管自加工而成。
4.3 控制器的使用环境
一般情况下,控制器使用环境相当恶劣,要认真考虑防潮、散热等因素。同时,可控硅的参数选择相当重要,电流指标要有3倍以上的余量,计算电流时要考虑功率因素,还要考虑加散热片。
4.4 现场维修
现场维修时,只要不是控制器中EM78P447SB单片机集成块损坏(一般也不易损坏,可控硅及其限流器件损坏的可能性最大),可以把控制器上的EM78P447SB单片机集成块从集成块座上拔下来,插在新带来的控制器相应插座上,换下损坏的控制器即可,非常方便。
欢迎分享,转载请注明来源:内存溢出
微信扫一扫
支付宝扫一扫
评论列表(0条)