
IntroductionAnalog VGA signals have been part of the PC world since IBM introduced PCs in 1987. Today most business-oriented laptops need to work with a docking station and with the vast number of existing projectors. Nearly all projectors have a VGA port which is the only common way for a typical user to hook up a laptop. Although digital connections such as DVI™ and HDMI™ are appearing, the vast majority of projectors still only support VGA.
The requirement to support VGA through the docking station and the VGA port will likely continue for many years, until one digital standard fully replaces the ubiquitous blue VGA connector on the laptop. Maxim introduced the MAX4885E low-capacitance VGA switch to perform that switching function.
The MAX4885E draws nearly zero current, fits into a 4mm x 4mm package, and incorporates most of the switches and active components used in a discrete implementation. All device outputs are protected to ±15kV HBM (Human Body Model), so that the designer can eliminate many ESD components, reduce cost, and save board space.
MAX4885E Is Optimized for VGA Switching RGB SwitchingRGB switching requires high-bandwidth switches. The MAX4885E contains three SPDT switches that exhibit > 900MHz bandwidth at 50Ω, and > 600MHz at the more common 75Ω used for video. The QSXGA format (2560 x 2048) requires ~500MHz of bandwidth so that the third harmonic is passed and the quality of the waveform is preserved. Some designers use the older "bus switches" with 12pF of capacitance which compares to the 6pF for the MAX4885E. Those older bus switches, moreover, need ESD diodes which reduce the bandwidth further and add cost to the system.
DDC Switching
Horizontal and Vertical Level Translation and BufferingHorizontal and vertical synchronization signals are required to interface the GPU to full TTL-level signals. Pullups on the monitor can, in fact, pull these signals to +5.5V. The MAX4885E has a pair of level-translating buffers that take a signal between 0.8V and 2V and translate it to a full TTL output; the device can supply ±8mA, which meets the VESA specification. The output is referenced to 5V, so there is no issue with voltage compatibility. Again the horizontal and vertical outputs have ±15kV (HBM) ESD protection, so no added diodes are needed.
Integrated LC Filter for Harmonic StabilityThe MAX4885E integrates all the key switches, FETs, and buffers typically used for VGA switching into a tiny 4mm x 4mm TQFN package. However, many systems require some form of bandwidth limiting filter to prevent harmonics from radiating. The MAX4885E did not include any filtering for that function. Passive component values would be too large, and an active filter would require considerable current. While the MAX4885E could have integrated a triple-amplifier/filter, that would have made the device draw as much as 100mA—too much to be tolerated in a laptop. Instead, the device's LC filter draws no current and accomplishes the same task. The MAX4885E draws < 5µA at idle and a few mA when driving the monitor for the horizontal and vertical buffers.
High Integration Reduces Component CountTable 1 shows how the MAX4885E replaces as many as 14 standard devices. Remember that the MAX4885E fits in a 16mm² package.
Table 1. Components Eliminated with the MAX4885E
(mm²)
Savings 14 95
The assortment of standard and inexpensive devices shows that the MAX4885E replaces 14 standard parts that require 95mm². There may be ways to reduce the parts count perhaps to 10 parts and 50mm² using more specific and integrated devices, but the resulting component costs would undoubtedly be higher.
The MAX4885E is priced to sell below the sum of the costs of these many components. The MAX4885 thus saves board space and placement cost. It improves reliability and the high-frequency analog performance of RGB switches.
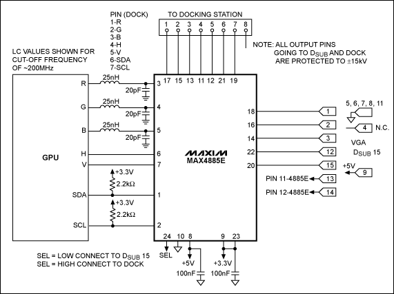
Applications CircuitThe circuit in Figure 1 shows the MAX4885E used in a docking station application for a laptop. All the critical components are present. All ESD concerns are managed, and only one control bit is required to select the dock vs. an internal connector. The circuit only draws a few µA at idle and a few mA to supply the horizontal and vertical buffers.

Figure 1. Application circuit for a VGA connection between a laptop and docking station features the MAX4885A VGA switch. The connector pin assignment for the docking station is determined by the designer. This design is just an illustration of one configuration.
DVI is a trademark of Digital Display Working Group (DDWG).
HDMI is a trademark of HDMI Licensing, LLC.
欢迎分享,转载请注明来源:内存溢出
微信扫一扫
支付宝扫一扫
评论列表(0条)