
摘要:文章主要阐述以单片机+CPLD的方案进行的LED大屏幕显示控制系统的设计。以单片机作为系统的数据通信控制和扩展其它功能,CPLD作为显示屏正常动态显示的硬件控制,采用模块化的设计,使结构简单,修改功能方便,同时充分利用了单片机实现多任务的特点,便于功能扩展,硬件电路简单。
LED大屏幕显示屏以亮度高、工作电压低、功耗小、小型化、寿命长、耐冲击和性能稳定、组态灵活等优点迅速成长为平板显示的主流产品,在信息显示领域得到了广泛的应用。
LED大屏幕显示屏主要由点阵或象素阵列、控制系统和传输接口以及相应的应用软件四部分构成。如图1所示控制系统负责接收、转换和处理各种外部信号以一定的规律和方式将信号传送到显示屏上显示。作为显示屏的核心部分,控制系统直接决定了显示屏的显示效果,也决定了显示屏性能的优劣(见图1)。

图一
1 控制系统的硬件设计
控制系统的实现方案很多,本设计采用单片机+CPLD的方案进行设计(如图2)。

图二
单片机主要实现通信控制,既可以将存储器中的数据读取出来送往PC机,也可以将PC机编辑好的信息经过处理后存于存储器中,以方便控制系统的下一步处理。屏幕扫描逻辑采用CPLD为核心,CPLD的功能是从存储器中读取数据,将数据输送到屏体上,同时产生控制信号(见图2)。
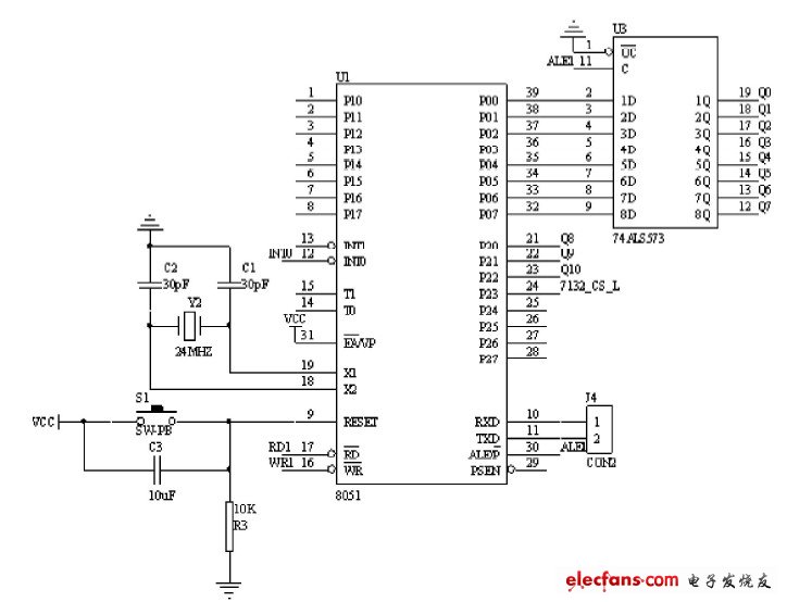
1 。 1 主控单片机电路
主CPU采用AT89C51单片机,外扩一片74LS573实现数据和地址总线的分离,用以与RAM进行信息通讯,串口与PC上位机连接。单片机电路主要负责整个系统的初始化、显示方式的处理、以及与PC机的通信等工作。主单片机电路原理图如图3

欢迎分享,转载请注明来源:内存溢出
微信扫一扫
支付宝扫一扫
评论列表(0条)