
This applicaTIon note describes a simple circuit that uses a low cost 10-bit ADC but increases the virtual accuracy to 13-bit.

Figure 1.
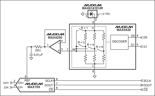
1 LSB (least significant bit) for an ADC is FSR/2n, where n is the number of bit. FSR (full-scale range) depends from the amplitude of the voltage reference. The input voltage range of the external reference for MAX159, a low power, 108ksps serial ADC available in µMAX®-8 package, is 0 to VDD + 50mV. This large input range permits to accommodate different input range using a scaling technique.
The output of a low-cost 3-pin voltage reference is scaled using a digitally programmable voltage divider (MAX5420). This device provides four precision divider raTIos of 1, 2, 4, 8. The ratio accuracy span from 0.025% to 0.5% according to the grade (A, B, C). The ratio is selected using the digital inputs D1, D0 as follows:
Table 1.
The reference voltage MAX6141 provides an output voltage of 4.096V. The size of 1 LSB using a divider ratio of 1 will be 4.096/1024 = 4mV. This size change according the following table:
Table 2.
The effective resolution remains at 10 bits. But compared to a 4.096V FSR system, the virtual accuracy is improved. The size of 1 LSB remains greater than the typical converter noise floor (300µV), also with divider ratio of 8. This ensures that the ADC performances are not limited by the LSB's reduced size.
µMAX is a registered trademark of Maxim Integrated Products, Inc.
欢迎分享,转载请注明来源:内存溢出
微信扫一扫
支付宝扫一扫
评论列表(0条)