
互联网技术和 WIFI 技术的不断进步,使 WIFI 成为目前应用最普遍的无线通信方式之一,居民已经越来越离不开 WIFI 无线数据传输技术,利用 WIFI 进行家居的智能控制也成为当前研究的热点,智能家居系统的工作方式就是利用手机、平板等终端来发出相应的控制指令,经过各种基于信号接收和发送功能的传感器来控制家用电器设备,从而实现对设备的远程无线控制. 本文介绍的 是基于 WIFI 技术,通过 ESP8266 模块把 STM32 连接到外网,然后由手机的 APP 发送控制指令, ESP8266 串口WIFI 模块接收到指令后,再向 STM32 发送信号,STM32 经过对信号的处理,通过继电器或红外遥控等方式对相应的电器设备发出功能指令,控制电器设备的通断或进行调节,形成一个无线智能控制通信网络.
1系统硬件组成及设计
系统硬件组成如图 1 所示,主要由智能控制终端( 手机或 IPAD) 、WIFI 通信、中央处理单元 MCU、信号采集模块、各类家用电器等几部分构成. 本系统是通过 ESP8266 串口WIFI 模块将 STM32 中央处理单元连接到外网,而手机上的 APP 基于 TCP / IP 通信协议,通过其 WIFI 功能与 ESP8266 串口 WIFI 模块建立通信,其中 ESP8266 串口 WIFI 模块作为服务器端 + 路由器( SERVER + AP) . 首先由手机上的 APP 发出控制指令,串口 WIFI 模块 ESP8266 接收手机 APP 发送的控制指令并对其进行解析,再向 STM32 中央处理单元发送信号,由 MCU 去控制各类家用电器开启、调节或关闭,各类家电的运行状态将通过 WIFI 模块上传到云服务器,实时在手机上显示各类家电的最新状态. 信号采集模块用来获取家用电器设备所处环境的温湿度、光强、红外及烟雾参数,这些参数经 MCU 处理也能通过串口 WIFI 模块上传到云服务器,在手机上能够实时了解家里各类环境信息,以便提前对家用电器进行远程控制.

图 1 系统的硬件构成框图
1. 1 ESP8266 串口 WIFI 模块
本系统使用型号为 ESP8266 串口 WIFI 模块,是一款超低功耗的 UART - WIFI 透传模块,拥有高性能无线 SOC,专为移动设备和物联网应用设计,能以低成本提供最大的实用性,可将智能家居中所要控制的设备全部接入 WIFI 无线网络,然后通过互联网或局域网进行通信,实现无线联网功能. 该模块是一个完整且自成体系的无线网络通信方案,能独自运行,也能当作从机搭载于其它主机的MCU 上运行,支持无线802. 11 通信协议以及内置TCP / IP 通信协议,可以支持 TCP Client 多路连接. 模块具有 AP / STA / AP + STA 三种工作模式. 无线模块的作用是让控制系统与网络连接,完成无线信号与串口信号之间的转换,本系统采用 AP + STA 组网模式,目的是为了让系统既可以通过手机直连也可以通过无线路由器连接达到对智能家居的远程控制.
1. 2 中央处理器 MCU
本系统的 MCU 采用 STM32F103VE 芯片,是 ST 公司一款常用的增强型系列微控制器,功耗超低. 使用 ARM Cortex - M3 处理器内核,最高工作频率可达 72 MHz,1.25 DMIPS / MHz. 能够支持 CAN、I2C、SPI、USB、SDIO、UART / USART 等通讯协议,其外围设备包括 DMA、PWM 、PDR、POR、 PVD、WDT、温度传感器等80 个可设置的GPIO,有512 Kb 的程序储存容量和64 K 的RAM 容量,还内含 3 通道 16 × 12 位的模数转换和 1 μs 的双 12 位数模转换,故此处理器可满足系统的设计需求. 系统的部分主控电路如图 2 所示.

图 2部分主控电路图
1. 3 信号采集模块
1. 3. 1 温湿度检测
温湿度检测采用DHT11 温湿检测传感器,DHT11 能够直接输出已校准的数字信号,应用专门的温湿度传感技术和数字模块采集技术,使得传感器可靠性高和稳定性长,内部有一个电阻式感湿元 件和一个 NTC 测温元件,并与一个高性能 MCU 相连接,每个 DHT11 传感器都在极为精确的湿度校验室中进行校准,校准系数以程序的形式存在 OTP 内存中,运行时传感器会调用这些校准参数对检测信号进行处理,具有超快响应、抗干扰能力强、性价比极高等优点. 体积小、功耗低,使其成为温湿度采集应用的最佳选择之一.
1. 3. 2 烟雾检测
烟雾检测选用 MQ - 2 传感器,用来监视家用电器发生火灾的具体情况. MQ - 2 采用二氧化 锡半导体气敏材料,表面离子式 N 型半导体. MQ - 2 型传感器对各种烟雾类型具有很高的灵敏度, 能够灵敏地检测出由天然气或液化石油气等气体而产生的烟雾,还具有良好的重复性和长期的稳定 性. 使用时需要注意的是: 在使用之前必须加热一段时间,否则其输出的电阻和电压不准确.
1. 3. 3 光敏检测
系统由于需要对环境的光线强度等级进行分析,从而实现对照明系统等用电设备进行自适应控制. 光敏检测采用 YL - 38 光敏电阻模块,用来检测家庭环境的亮度和光强,其检测信号通过 MCU 内部的高精度 ADC 采样后进行 A / D 转换,再与程序预先设定的阈值进行比较,得到准确的环境光线强度等级,根据光线强度等级对照明系统进行自适应控制.
1.4 MCU 及 ESP8266 的供电电源
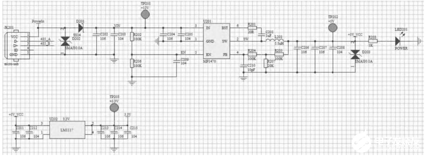
系统的 MCU 及 ESP8266 供电电源电路如图 3 所示,首先把 220 V 交流市电通过降压、整流、滤波、稳压环节,得到输出为 12 V 的直流电,然后再通过降压芯片 MP1470 及外围电路将 12 V 的电压降为 5 V 电压输出,再把 5 V 的电压通过 LM117 芯片及外围电路将电压降到 3. 3 V,从而获得 MCU及其它模块所需要的 5 V 和 3. 3 V 直流电压. MP1470 芯片的输入工作电压范围在 4. 7 ~ 16 V 之间, 输出电流最高可达 2 A,工作频率 500 kHz,工作温度范围为 - 20 ℃ ~ + 125 ℃ . LM117 芯片的输出电压范围在 1. 2 ~ 47 V 可调,工作温度范围为 - 55 ℃ ~ + 150 ℃ ,输出电流最高可达 1. 5 A.

图 3电源模块
2系统的软件设计
软件是系统实现对家居智能控制的基础,根据系统控制的实际要求,设计了智能家居控制系统框架如图 4 所示. 本系统软件主要由手机 APP 控制系统和智能家居控制终端软件系统两大部分构成,其中智能家居控制终端软件包括了 WIFI 网络控制系统、 MCU 控制系统、智能家电系统、智能照明系统、智能安防系统、环境监测系统等软件系统.

图 4 系统软件总体框图
2.1 手机 APP 控制系统
手机 APP 智能家居控制系统是基于 Android *** 作系统而开发的,采用 Java 面向对象语言开发设计. 手机 APP 控制系统包括用用户界面、Ht - tpclient网络通信、SQlite 数据库等,APP 控制软件分由系统设置、设备管理、房间管理、环境监测、数据库等构成,其结构如图 5 所示.
图 5 APP 控制软件模块
APP 控制软件模块的设计可以使用户在手机上 *** 作和管理家居各种设备. 系统设置模块可以完成系统的基本设置,如系统的报警、定时、密码和系统连接等设置; 设备管理模块是用来管理所有家电设备和照明设备,用户可以直接控制设备的开关等状态; 房间管理模块是用来设置各个家电设备和照明设备所分布的不同区域,比如厨房、卧室、书房、卫生间等,把不同的用电设备添加到设置房间中,会使得对设备 *** 作管理更加方便快捷; 环境监测模块是为了给用户提供良好的居住条件对居住环境进行监测管理,还具有烟雾检测功能,可以预防火灾发生; 数据库模块是整个 APP 系统的中央处理数据库,通过此数据库实现对智能家居的智能化控制和管理. 依据APP 控制软件模块的设计,其部分界面如图 6 ~ 7 所示.

图 6控制主界面

图 7电灯管理界面
2. 2 手机 APP 与智能家居控制系统之间的通信
手机 APP 与智能家居控制系统之间的通信采用 AP + STA 组网模式,先由手机与 ESP8266 串口模块进行 WIFI 配置,按住 ESP8266 串口模块的配置按钮使其进行配置模式,此时 WIFI 模块自带的 MCU 会将模块设置为 AP 模式,把 SSID 设为Smart Light,密码无,手机连接上该 WIFI 后,由 APP 输入路由器的 SSID 及密码. 然后通过 APP 用 UDP 广播发出带有 SSID 及密码的数据,MCU 收到数据后将ESP8266 串口模块设置为 STA 模式,连接路由器.
系统的UDP 内网穿透技术采用的是一台内网机器连接外网通信的方式,即只需要内网主动发起连接就行,由内网机器连接到外网服务器. 当内网机器发送的请求被外网服务器获取后,服务器会将内网机器的IP 地址转变为自身的地址,并分配临时端口进行通信. 由手机APP 控制智能家居设备的过程,其实是手机通过服务器与智能家居设备相连,智能家居设备的 MCU 是读取服务器的 IP 和 Port,同时 MCU 对服务器的 IP和Port 进行回复,然后由服务器将信息回馈到手机,从而建立起通信控制.
2. 3 智能家居控制终端软件系统
智能家居控制终端软件系统核心是 WIFI 网络控制和 MCU 控制系统,加上环境监测系统、智能安防系统、智能照明系统、智能家电系统等几个软件子系统构成终端软件系统. 其中 WIFI 网络控制和 MCU控制系统是智能家居控制终端的核心,系统主程序流程如图 8 所示.

图 8 智能家居控制终端主程序流程图
本系统是借助WIFI 无线通信技术实现了 Android 手机和家居的互通互联,用户只需通过手机 APP 即可对家里的所有用电设备进行相关 *** 作,至于文中提到的环境监测系统、智能安防系统、智能照明系统、智能家电系统的软件控制流程由于篇辐有限,本文将只介绍环境监测系统和智能家电系统控制流程,两个系统流程如图 9 和图 10 所示.

图 9 环境监测流程图 图 10 家电控制流程图
3 结束语
本文是基于 WIFI 通信技术和当前应用最广的 Android *** 作系统作为控制平台研究设计了一套智能家居控制系统. 借助 WIFI 通信实现智能控制指令的有效传输,而基于 Android *** 作系统,提高了智能家居控制的人性化而且容易推广,具有较大的实用价值和市场前景. 系统经过测试,控制简单方便、工作稳定可靠、响应速度快,取得良好的效果,该研究的技术具有重要的意义.
欢迎分享,转载请注明来源:内存溢出
微信扫一扫
支付宝扫一扫
评论列表(0条)