
加稳压二极管并联稳压电路
上述电路不动,在电容后面加稳压二极管电路(510Ω、VDz),按图1-4接线。
图1-4
当接通交流14V电源后,调整Rp使输出电流分别为10mA、15mA、20mA时,测出VAO、VO,并用示波器的DC档观测波形,记入表1-3中。
欢迎分享,转载请注明来源:内存溢出

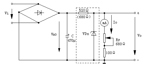
加稳压二极管并联稳压电路
上述电路不动,在电容后面加稳压二极管电路(510Ω、VDz),按图1-4接线。
图1-4
当接通交流14V电源后,调整Rp使输出电流分别为10mA、15mA、20mA时,测出VAO、VO,并用示波器的DC档观测波形,记入表1-3中。
欢迎分享,转载请注明来源:内存溢出
微信扫一扫
支付宝扫一扫
评论列表(0条)