
汽车电池电压监视器的设计原理
这个电路实际为一个电压比较器。它以1伏为单位监视汽车电池电压。由D1构成IC1A基准电压接于比较器的反相端,由R2、R3、R4及RV1组成分压电路分别为另外三个比较器提供参考电压。RV1在调试电路时,可调节每路监视电压的输出值。

R1=1K2 R6=10K D2-3-4-5=LED
R2-3-4=680R R7-8-9-10=1K IC1=LM324
R5=15K D1=5V6 /0.5W RV1=10K
欢迎分享,转载请注明来源:内存溢出

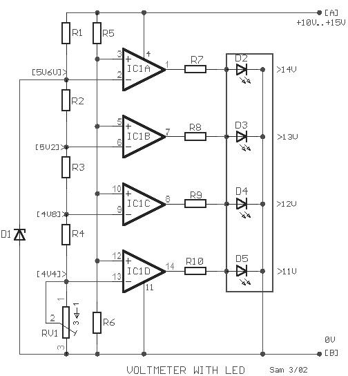
汽车电池电压监视器的设计原理
这个电路实际为一个电压比较器。它以1伏为单位监视汽车电池电压。由D1构成IC1A基准电压接于比较器的反相端,由R2、R3、R4及RV1组成分压电路分别为另外三个比较器提供参考电压。RV1在调试电路时,可调节每路监视电压的输出值。

R1=1K2 R6=10K D2-3-4-5=LED
R2-3-4=680R R7-8-9-10=1K IC1=LM324
R5=15K D1=5V6 /0.5W RV1=10K
欢迎分享,转载请注明来源:内存溢出
微信扫一扫
支付宝扫一扫
评论列表(0条)