
美信公司的1794是10MHz-500MHz频率的双路通用模拟电压衰减器(V),设计用于50欧姆系统,包括专用控制电路,提供22.4dB衰减线性,能够准确控制衰减8dB/V。一个衰减器采用共同模拟控制,确实可以级联起来得到。7dB的以4444的总衰减,可以线性组合控制16dB/V5V工作。片上4线SPI控制的10位DAC能防控制单个衰减器。MAX794是单片器件,采用该公司的硅锗BiCMOS工艺,工作5V电压或+3.3V电压。具有高度线性度,全程单幅范围内IP3大于+34.4dBm,输入P1dB为+ 21.采用36英寸为6mmx6mmx0,8mm TQFN封装,工作温度-40NC到+100NC。主要用在宽带系统包括无线基础设备数字和扩频通信系统,WCDMA/LTE,TD-SCDMA/TD-LTE, WiMAX®、cdma2000®、GSM/EDGE和MMDS、VSAT/卫星上网、微波点对点系统、温度补偿电路、自动增益控制(ALC)、接收器增益控制和通用测试设备。了解 MAX19794 主要优点和特性,特殊应用电路,以及评估板 MAX19794 EVK 主要特性,电路图,材料清单和 PCB 设计图。
MAX19794 双路通用模拟电压可变衰减器 (VVA) 设计用于与工作在 10MHz 至 500MHz 频率范围内的 50I 系统接口。该器件包括一个获得专利的控制电路,可提供 22.4dB 的衰减范围(每个衰减器),典型的线性控制斜率为 8dB/V。
两个衰减器共享一个公共模拟控制。它们可以级联在一起以产生 44.7dB 的总衰减范围,典型的组合线性控制斜率为 16dB/V(5V *** 作)。或者,片上 4 线 SPI 控制的 10 位 DAC 可用于控制两个衰减器。此外,升压/降压功能允许用户可编程衰减器步进通过命令脉冲,而无需重新编程 SPI 接口。
MAX19794 是一款单片器件,采用 Maxims 专有的 SiGeBiCMOS 工艺之一设计。该器件采用 +5V 单电源供电,或者采用 +3.3V 单电源供电。它采用带裸露焊盘的紧凑型 36 引脚 TQFN 封装 (6mm x 6mm x 0.8mm)。电气性能在 -40NC 至 +100NC 扩展温度范围内得到保证。
MAX19794主要优势和特性:
S 宽带覆盖²
射频频率范围从10MHz到500MHz
S高线性
² 在整个衰减范围内大于 +34.4dBm IIP3
² +21.8dBm 输入 P1dB
S 在一个单片器件中集成了两个模拟衰减器
S 两个方便的控制选项²
单路模拟电压²
片上、SPI 控制的 10 位 DAC
S 升压/降压脉冲命令输入
S 灵活的衰减控制范围 ²
22.4dB(每个衰减器)²
44.7dB(两个衰减器级联)
S 线性 dB/V 模拟控制响应曲线简化了自动电平控制和增益微调算法
S 在宽频率范围和衰减设置上具有出色的衰减平坦度
S 片上比较器(用于衰减器控制电压的逐次逼近测量)
S 低 13mA 电源电流
S 单 +5V 或 3.3V 电源电压
S 引脚与 MAX19791、MAX19792 和 MAX19793 相似
S 无铅封装
MAX19794应用:
宽带系统应用,包括无线基础设施数字和扩频通信系统
WCDMA / LTE,TD-SCDMA / TD-LTE,WiMAX®,cdma2000®,GSM / EDGE和MMDS基站
VSAT/卫星调制解调器
微波点对点系统
阵容增益调整
温度补偿电路
自动电平控制 (ALC)
发射器增益控制
接收器增益控制
通用测试设备

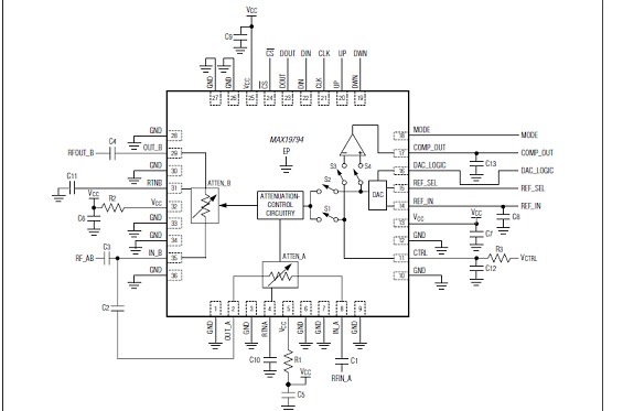
图1.MAX19794典型应用电路
评估板MAX19794 EVK
MAX19794评估板(EV kit)简化了MAX19794的评估。MAX19794 双路通用模拟电压可变衰减器 (VVA) 设计用于与工作在 10MHz 至 500MHz 频率范围内的 50Ω 系统接口。
MAX19794 是一款单片 VVA IC,设计用于宽带系统应用,包括无线基础设施数字和扩频通信系统 WCDMA/LTE、TD-SCDMA/TD-LTE、WiMAX®、cdma2000®、GSM/EDGE 和 MMDS 基站 VSAT /卫星调制解调器。MAX19794评估板内置一个微控制器(MCU),该微控制器使用串行外设接口配置内部寄存器和模式。在计算机上运行的图形用户界面 (GUI) 软件使寄存器编程和控制设备 *** 作变得简单。评估套件在工厂完全组装和测试。
本文档提供了组件列表、评估器件所需的设备列表、验证功能的简单测试程序、评估板电路的描述、电路原理图和印刷电路板 (PCB) 每一层的设计图。
评估板MAX19794 EVK主要特性:
轻松评估 MAX19794 IC
板载 DAC 输出 4V ±5% 以控制衰减
来自 MAX32625PICO 的板载电源 +3.3V 和 +5V
工作频率范围从 10MHz 扩展到 500MHz
射频端口上的 50Ω SMA 连接器
包括所有关键外围组件
用于连接 PC 的微型 USB 端口
电脑控制软件
图2.评估板MAX19794 EVK采用外部电源和控制电压的建立图

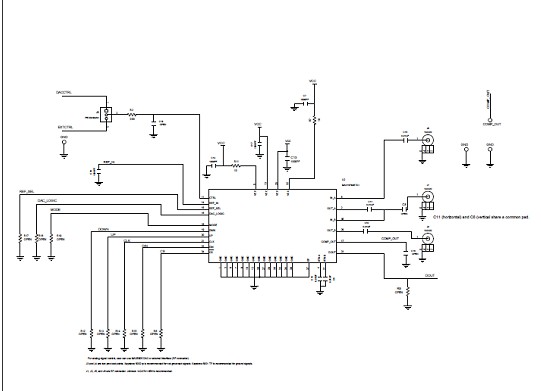
图3.评估板MAX19794 EVK电路图(1)

图4.评估板MAX19794 EVK电路图(2)

图5.评估板MAX19794 EVK电路图(3)

图6.评估板MAX19794 EVK电路图(4)
评估板MAX19794 EVK材料清单:


图7.评估板MAX19794 EVK PCB设计(1):左:扩散图丝印;右:内层2

图8.评估板MAX19794 EVK PCB设计(2):左:泡沫图;右:内层3

图9.评估板MAX19794 EVK PCB设计图(3):左:热;右:热丝印
责任编辑:pj
欢迎分享,转载请注明来源:内存溢出
微信扫一扫
支付宝扫一扫
评论列表(0条)