
TI公司的TIDA-01535是隔离的超微模拟输出模块参考设计,采用高度集成的集成DAC8771 DAC来提供电流和电压输出。高度集成的DAC8771和LM25180初级边反馈转换一起导致细节的设计,板尺寸为52-mm×40-mm,元件最大高度为4mm。此外,设计的外电路提供EMI和EMC的瞬态保护。模拟输出设计标准工业电源电压12V到42V,系统具有16位电压(±12 V)或电流输出(24 mA),总参考功率(TUE)小于满月(FSR)的0.1%。采用隔离电源能保持和数据输入和输出功能隔离电源。设计采用特定功率管理,以最小化 DAC8771 的功率和热耗,由于自窃使系统有更多包装,从而使改进了精确。参考设计主要在工厂自动化和控制、驱动驱动、制造自动化和电网基础设备如保护继电器,DCIO模块。本文介绍了参考设计TIDA-1535主要特性-0和参考设计TIDA-01535主要特性和电路图。
电源隔离、超紧凑型模拟输出模块的参考设计
这种单通道、电源隔离的模拟输出模块参考设计使用高度集成的 DAC8771 数模转换器 (DAC) 提供电流和电压输出。DAC8771 的高度集成与 LM25180 初级侧稳压反激式转换器相结合,形成了具有 52 mm × 40 mm 板尺寸和 4 mm 最大组件高度的紧凑型隔离式设计。此外,该设计具有外部电路,可为电磁干扰 (EMI) 和电磁兼容性 (EMC) 提供瞬态保护。
此模拟输出设计接受 12 V 至 42 V 的标准工业电源电压。该系统具有 16 位电压 (±12 V) 或电流输出 (±24 mA),总未调整误差 (TUE) 小于0.1% 满量程范围 (FSR)。隔离电源的使用保持了从电源和数据输入到输出的功能隔离。包含的外部电路可提供针对瞬态电磁干扰 (EMI) 的保护。该系统使用自适应电源管理来最大限度地减少 DAC8771 的功耗和散热,从而通过减少自热和启用更小的系统外壳来提高精度。
参考设计 TIDA-01535 主要特性:
• 用于工厂自动化和控制的隔离模拟输出
• 16-位分辨率
• 数字输入隔离
• –24-mA 至 +24-mA 电流输出
• ±12-V 电压输出
• 12-V 至 42-V 电源输入
• 电流输出的自适应电源管理
• 紧凑设计:52 毫米 × 40 毫米
TIDA-01535 应用:
• 工厂自动化和控制
• 楼宇自动化
• 电机驱动
• 电网基础设施:保护继电器,DCIO 模块
图1.参考设计TIDA-01535 外形图

图2.
参考设计TIDA-01535 主要参考设计TIDA-01535 主要指标:

图3。SM-USB-DIG和TIDA-01535连接图

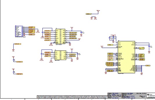
4.参考设计TIDA-01535电路图(1)

图5.参考设计TIDA-01535电路图(2)

图6.参考设计TIDA-01535电路图(3)
责任编辑:pj
欢迎分享,转载请注明来源:内存溢出
微信扫一扫
支付宝扫一扫
评论列表(0条)