
LED 数码管中各段发光二极管的伏安特性和普通二极管类似,只是正向压降较大,正向电阻也较大。在一定范围内,其正向电流与发光亮度成正比。由于常规的数码管起辉电流只有1~2 mA,最大极限电流也只有10~30 mA,所以它的输入端在5 V电源或高于TTL高电平(3.5 V)的电路信号相接时,一定要串加限流电阻,以免损坏器件。

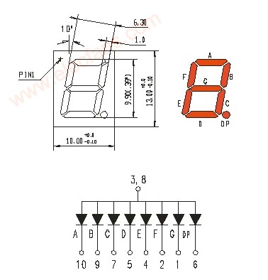
七段LED数码管引脚
数码管使用条件:
a、段及小数点上加限流电阻
b、使用电压:段:根据发光颜色决定; 小数点:根据发光颜色决定
c、使用电流:静态:总电流 80mA(每段 10mA);动态:平均电流 4-5mA 峰值电流 100mA
数码管使用注意事项说明:
(1)数码管表面不要用手触摸,不要用手去弄引角;
(2)焊接温度:260度;焊接时间:5S
(3)表面有保护膜的产品,可以在使用前撕下来。
欢迎分享,转载请注明来源:内存溢出
微信扫一扫
支付宝扫一扫
评论列表(0条)