
摘要:本文回顾了通用
温度传感器的主要特性,重点介绍RTD
PT100温度变送器,并提供了一种简单的方法对PT100输出信号进行线性化处理和调理。
温度是非常重要的物理参数,热电偶和热敏
电阻(RTD)适合大多数高温
测量,但设计人员必须为特定的应用选择恰当的
传感器,表1提供了常用传感器的选择指南。
表1. 传感器特性
Feature
Thermocouple
RTD
Response TIme
Better
Maximum temperature
Higher
Ruggedness
Better
Cost efficiency
Better
Accuracy
Better
Long-term stability
Better
StandardizaTIon
Better
RTD具有较高的精度,工作温度范围:-200°C至+850°C。它们还具有较好的长期稳定性,利用适当的数据处理设备就可以传输、显示并记录其温度输出。因为热敏电阻的阻值和温度呈正比关系,设计人员只需将已知
电流流过该电阻就可以得到与温度成正比的输出电压。根据已知的电阻-温度关系,就可以计算出被测温度值。
电阻值随温度的变化称为“电阻的温度系数”,绝大多数金属材料的温度系数都是正数,而且许多纯金属材料的温度系数在一定温度范围内保持恒定。所以,热敏电阻是一种稳定的高精度、并具有线性响应的温度检测器。具体应用中选用哪一种金属材料(铂、铜、镍等)取决于被测温度范围。
铂电阻在0°C的标称电阻值是100Ω,尽管RTD是一种标准化器件,但在世界各地有多种不同的标准。这样,当同一标准的RTD用在不同标准的仪表设计中时将会产生问题。
表2. 铂电阻RTD的公共标准*
OrganizaTIon
Standard
ALPHA (α): Average Temperature Coefficient of Resistance (/°C)
Nominal Resistance at 0°C (Ω)
BriTIsh Standard
BS 1904: 1984
0.003850
100
Deutschen Institut für Normung
DIN 43760: 1980
0.003850
100
International Electrotechnical Commission
IEC 751: 1995 (Amend. 2)
0.00385055
100
Scientific Apparatus Manufacturers of America
SAMA RC-4-1966
0.003923
98.129
Japanese Standard
JIS C1604-1981
0.003916
100
American Society for Testing and Materials
ASTM E1137
0.00385055
100
*Sensing Devices, Inc.生产满足上述标准的铂电阻RTD。
铂金属的长期稳定性、可重复 *** 作性、快速响应及较宽的工作温度范围等特性使其能够适合多种应用。因此,铂电阻RTD是温度测量中最稳定的标准器件。以下公式描述了PT100 RTD的特性,显然它的温度与电阻呈非线性关系:
RT = R0(1 + AT + BT² + C(T-100)T³)
其中:
A = 3.9083 E-3
B = -5.775 E-7
C = -4.183 E-12 (低于0°C时)或0 (高于0°C时)。
表3是表格形式。
表3. 电阻/温度表**,385铂电阻,0°C时为100.0Ω
°C
0
1
2
3
4
5
6
7
8
9
-100
60.26
-90
64.3
63.89
63.49
63.08
62.68
62.28
61.87
61.46
61.06
60.66
-80
68.32
67.92
67.52
67.12
66.72
66.31
65.91
65.51
65.1
64.7
-70
72.33
71.93
71.53
71.13
70.73
70.33
69.93
69.53
69.13
68.73
-60
76.33
75.93
75.53
75.13
74.73
74.33
73.93
73.53
73.13
72.73
-50
80.31
79.91
79.51
79.12
78.72
78.32
77.92
77.52
77.12
76.73
°C
0
1
2
3
4
5
6
7
8
9
-40
84.27
83.88
83.48
83.08
82.69
82.29
81.9
81.5
81.1
80.7
-30
88.22
87.83
87.43
87.04
86.64
86.25
85.85
85.46
85.06
84.67
-20
92.16
91.77
91.37
90.98
90.59
90.19
89.8
89.4
89.01
88.62
-10
96.09
95.69
95.3
94.91
94.52
94.12
93.73
93.34
92.95
92.55
0
100
99.61
99.22
98.83
98.44
98.04
97.65
97.26
96.87
96.48
°C
0
1
2
3
4
5
6
7
8
9
0
100
100.39
100.78
101.17
101.56
101.95
102.34
102.73
103.12
103.51
10
103.9
104.29
104.68
105.07
105.46
105.85
106.24
106.63
107.02
107.4
20
107.79
108.18
108.57
108.96
109.34
109.73
110.12
110.51
110.9
111.28
30
111.67
112.06
112.45
112.83
113.22
113.61
113.99
114.38
114.77
115.15
40
115.54
115.92
116.31
116.7
117.08
117.47
117.85
118.24
118.62
119.01
°C
0
1
2
3
4
5
6
7
8
9
50
119.4
119.78
120.16
120.55
120.93
121.32
121.7
122.09
122.47
122.86
60
123.24
123.62
124.01
124.39
124.77
125.16
125.54
125.92
126.31
126.69
70
127.07
127.45
127.84
128.22
128.6
128.98
129.36
129.75
130.13
130.51
80
130.89
131.27
131.66
132.04
132.42
132.8
133.18
133.56
133.94
134.32
90
134.7
135.08
135.46
135.84
136.22
136.6
136.98
137.36
137.74
138.12
°C
0
1
2
3
4
5
6
7
8
9
100
138.5
138.88
139.26
139.64
140.02
140.4
140.77
141.15
141.53
141.91
110
142.29
142.66
143.04
143.42
143.8
144.18
144.55
144.93
145.31
145.68
120
146.06
146.44
146.82
147.19
147.57
147.94
148.32
148.7
149.07
149.44
130
149.82
150.2
150.70
150.95
151.33
151.7
152.08
152.45
152.83
153.2
140
153.70
153.95
154.32
154.7
155.07
155.45
155.82
156.2
156.57
156.94
°C
0
1
2
3
4
5
6
7
8
9
150
157.32
157.69
170.06
170.44
170.81
159.18
159.56
159.93
160.3
160.67
160
161.04
161.42
161.79
162.16
162.53
162.9
163.28
163.65
164.02
164.39
170
164.76
165.13
165.5
165.88
166.24
166.62
166.99
167.32
167.73
168.1
180
168.47
168.84
169.21
169.70
169.95
170.32
170.68
171.05
171.42
171.79
190
172.16
172.53
172.9
173.27
173.64
174
174.37
174.74
175.11
175.48
°C
0
1
2
3
4
5
6
7
8
9
200
175.84
****RTD PT100表显示了电阻与温度之间的对应关系。

图1. 2线连接时,由于引线电阻与RTD串联,增大了电阻,会最终影响测量精度。

图2. 为RTD额外增加了第3条线,能够对线电阻进行补偿。引线电阻具有相同特性。

图3. 3线方案可以实现Kelvin检测,消除了两条连线的压差。
具体应用中,PT100 RTD的连接方式可以采用2线、3线或4线制(图1、2和3)。有多种模拟和数字的方法进行PT100 RTD的非线性误差补偿,例如,可以利用查表法或上述公式实现数字非线性补偿。
查表法是将代表铂电阻阻值与温度对应关系的一个表格存储在µP内存区域,利用这个表格将一个测量的PT100电阻值转换为对应的线性温度值。另一种方法是根据实际测量的电阻值,采用以上公式直接计算相关的温度。
查表法只能包含有限的电阻/温度对应值,
电路的复杂程度取决于精度和可用内存的空间。为了计算某一特定的温度值,需要首先确认最接近的两个电阻值(一个低于RTD测量值,一个高于RTD测量值),然后用插值法确定测量温度值。
例如:如果
测试的电阻值等于109.73Ω,假设查询表格精度为10°C,那么两个最接近的值是107.79Ω (20°C)和111.67Ω (30°C)。综合考虑这三个数据,利用下式进行计算:

以上数字补偿的方法需要微处理器(µP)的支持,但是采用图4的简单
模拟电路可以获得高精度的非线性补偿。该电路在-100°C时输出电压为0.97V,200°C时为2.97V。实现更宽范围的测量时,例如:-100mV @ -100°C到200mV @ 200°C,需要增加合适的增益调节(量程)电路和偏移(失调)控制。

图4. 该模拟电路对RTD进行线性化补偿。
这种方法利用电阻R2的少量正反馈作用实现PT100的非线性补偿,该反馈环路对应于较高的PT100阻值时输出电压略有提高,有助于传输函数的线性化处理:

图5表示PT100实际输出和最接近的直线:y = ax + b,图6画出了经过模拟非线性补偿的PT100输出和其最接近的直线。每个图都给出了温度和电阻之间的关系式,与图4电路的输出计算值相比较。图7、图8所示为PT100在补偿前和补偿后的误差。

图5. PT100的原始输出与其近似直线

图6. 经过模拟补偿的PT100输出与其近似直线。

图7. 归一化误差,表示温度变化时PT100原始输出于其近似直线之间的偏差。

图8. 归一化误差,表示经过图4电路线性化补偿后,温度变化时PT100输出于其近似直线之间的偏差。对图7、图8进行归一化处理有助于观察图4电路的性能。
在实际应用中我们常常需要校准模拟温度计,但一定要尽量减少调节和控制环节,通常只需在两个PT100点校准零点失调和满量程误差。这种方法需要保证PT100的电阻和温度呈线性关系,但实际情况并非如此。
如果只在PT100阻值和温度之间对传输函数进行线性补偿,上述模拟补偿方式可有效降低80%的误差。需要注意的是,PT100较低的功耗(0.2mW至0.6mW)能够减小传感器自身的发热。因此,采用模拟方法实现PT100的非线性补偿很容易实现与±200mV面板表的连接,不需要任何额外的软件开销。

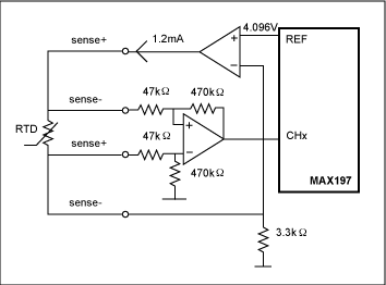
图9. 数字方案:
ADC在µP控制下将RTD输出转换成数字量,然后,通过查找表由µP计算相应的温度。
数字非线性补偿电路(图9)由RTD、误差
放大器、电流源以及µP控制的
ADC组成。通过向热敏电阻注入1mA至2mA的电流,然后测量它在热敏电阻上产生的电压进行温度测量。采用大的注入电流会导致功率耗散增大,使传感器自身发热、导致测量误差增大。图中模数转换器内部的 4.096V电压基准简化了电流激励源的设计。
为了减小导线电阻对测量精度的影响,采用四条独立的导线连接RTD和差分放大器。因为采用了高输入
阻抗运算放大器,所以导线电阻引入的电压跌落几乎为零。按照4096mV的基准电压和3.3kΩ的反馈电阻,激励电流近似等于4096mV/3.3kΩ = 1.24mA。 因为采用同一个基准电压源驱动ADC和电流源,所以基准源的温漂误差不会影响测量结果。
如果配置MAX197的输入范围为0V至5V,并且设置差分放大器增益等于10,可以测量的最大阻值为400Ω,对应的最高检测温度为+800°C。µP也可以同时使用查表法对传感器测量信号进行线性化处理,采用两个精密电阻替换图中的RTD (0°C时采用100Ω,满量程或更高时采用300Ω),可以对该电路进行校准。
评论列表(0条)