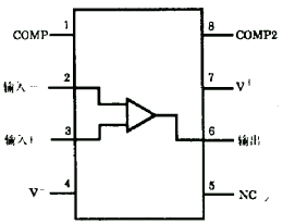
运算放大器----LM308LM308A联想v310•2022-8-2•技术•阅读28 LM308是精密运算放大器,对非稳压电源有足够电源抑制,其工作温度范围0~+70 C,它在10M欧电源阻抗下工作误差比在10K欧电源阻抗下工作小,积分器漂移小于500uV/秒,采用不大于1uF电容可获得大于1小时的模拟时间延迟。1,特性:2.管脚排列最大输入偏置电流0.3nA 失调电流小于400pA 电源电流只有300uA(含饱和时) 保证漂移特牲 欢迎分享,转载请注明来源:内存溢出原文地址:https://54852.com/dianzi/2432352.html运算放大308A赞 (0)打赏 微信扫一扫 支付宝扫一扫 联想v310一级用户组00 生成海报 乙类互补对称功放的电路组成上一篇 2022-08-02Mark Levinson — High End 先生 下一篇2022-08-02 发表评论 请登录后评论... 登录后才能评论 提交评论列表(0条)
评论列表(0条)