
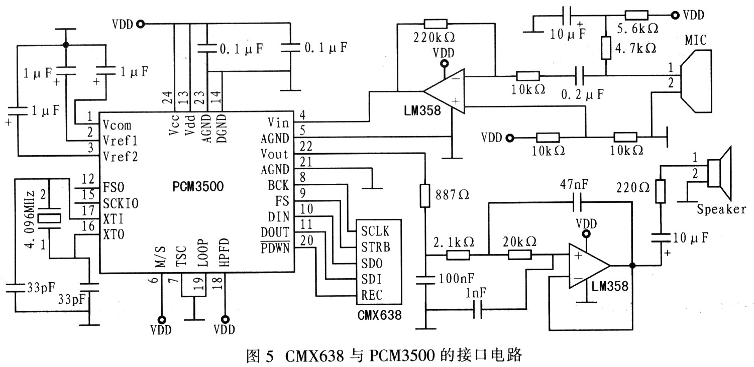
CMX638使用灵活,当选用片外语音CODEC时,其典型应用是与PCM3500配合使用,图5为应用电路。PCM3500是Burr-Brown公司开发的16位低功耗A/D和D/A转换器,系统晶体振荡器时钟频率为4.096 MHz,采样率为8 kHz。端口BCK时钟频率为128 kHz。MS端输入高电平为主动工作模式,FS主动输出同步信号,BCK输出时钟信号。引脚TSC输入低电平,控制时隙 *** 作模式,当同时使用多片 PCM3500时才使能该功能,对应的FSO为输出口,可悬空。引脚LOOP使能A/D转换器与D/A转换器循环连接。HPFD输入高电平,取消高通滤波器,可滤除输入的直流分量。麦克风和喇叭采用单端输入/输出方式,输入端接增益为22的放大电路和直流偏置电路,输出端接上低通滤波器,提高信噪比。数字接口与CMX638的SPI接口对应连接,实现数据交换。
由于CMX638选用片外的语音CODEC,端口CSEL应输入低电平,利用REC连接PCM3500的PDWN端口,对其复位;模拟输入/输出端需要增加相应的放大和滤波电路。微控制器配置内部寄存器EXCODECCONT(B)可使CMX638与PCM3500的通信接口工作方式相对应,如图5所示。该电路同样实现麦克风的语音信号的采集,直接压缩;再解压缩恢复源信号输出到喇叭。图4和图5都可以灵活应用于话音记录仪,语音通信系统,数字链路等领域。

欢迎分享,转载请注明来源:内存溢出
微信扫一扫
支付宝扫一扫
评论列表(0条)