
卫星电视下变频器(高频头)的工作原理
1 卫星电视下变频器(高频头)的作用
卫星电视低噪声下变频器又称为高频头(也称卫星电视的室外单元),它是由微波低噪声放大器,微波混频器,第一本振和第一中频前置放大器组成,其框图如图1所示。

图1 高频头的原理框图
一般的卫星电视接收系统主要包括:(1)天线;(2)馈源;(3)低噪声下变频器,也称为高频头(是由低噪声放大器与下变频器集成的组件),用LNB表示;(4)电缆线;(5)端子接头;(6)卫星接收机;(7)电视接收机。
卫星电视接收系统框图如图2所示。

图2 卫星电视接收系统框图
由于卫星电视接收系统中的地面天线接收到的卫星下行微波信号经过约40 000 km左右的远距离传输已是非常微弱,通常天线馈源输出载波功率约为-90dBmW[注]。若馈线损耗为0.5 dB,则低噪声放大器输入端载波功率为-90.5 dBmW。第一变频器和带通滤波器的损耗约为10 dB,第一中放的增益约为30 dB。这样,若低噪声放大器给出增益(40~50) dB,则下变频器输出端可以输出(-30~-20) dBmW的信号。因此,卫星电视下变频器的作用是在保证原信号质量参数的条件下,将接收到的卫星下行频率的信号进行低噪声放大并变频。
2 卫星电视下变频器的结构
卫星电视下变频器中的低噪声放大器一般是将波导同轴转换器与低噪声放大器合成一个部件。如果要达到噪声温度低和增益高,通常包含3~4级放大,前两级为低噪声放大器,主要采用高电子迁移率晶体管HEMT器件,后两级为高增益放大器,主要采用砷化镓场效应晶体管GaAsFET。典型的LNA的噪声温度在C波段约为(20~40)°K。增益约为(40~50) dB,输出输入电压驻波比(VSMR)小于1.5。图3给出了低噪声放大器(LNA)的电原理图,设计时通常先给出必要的参数,如S参数、电路级数、匹配电路的方式、噪声参数、输出输入阻抗等等,然后利用计算机CAD软件进行优化设计并作出微带线电路图。

图3 低噪声放大器的电原理图
第一变频器和带通滤波器是由第一本振、第一混频器及带通滤波器组成的,其作用是将低噪声放大器输出的下行微波信号变为中频信号,变频前后信号的带宽保持不变。
第一本振通常以介质谐振器振荡器作为谐振回路,采用耦合微带线耦合能量,使用CaAs-FET作为基本放大电路来实现振荡器。介质谐振器的介电常数很高,通常在35~40之间,谐振时,由于介电常数高,电磁场大部分集中在介质内部,与金属谐振腔类似。介质谐振腔的优点是温度稳定性好,品质因数Q值高,体积小,价格低,容易和微带线耦合而制成MMIC。
图4给出2种实际的介质谐振器振荡器电原理图。

图4 介质振荡器电原理图
实际的介质谐振器振荡器中不仅需要考虑介质谐振器的参数、位置及微带线的参数,还要考虑场效应晶体管输出输入的阻抗匹配的问题和直流偏置电路的设置。
第一混频器由非线性元件、输入信号与本振信号混合网络及一些附加电路组成,如图5所示。

图5 第一混频器框图
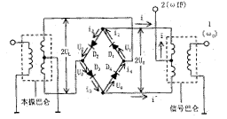
输入信号与本振信号混合后叠加在非线性元件上,非线性元件通常采用晶体二极管和三极管,使其工作在伏安特性曲线的非线性区。由其非线性作用使输出端产生出和频、差频、倍频等一系列信号,可用滤波器选取所需的差频信号,应能达到混频的目的。实际电路中,常采用二极管阻抗混频器,它的结构简单,便于集成化,工作稳定,噪声系数低,工作频带宽,动态范围大。虽然,这种混频器没有变频增益,只有变频损耗,但这种损耗容易加放大器予以补偿。实际应用中,还要考虑输入信号与本振信号的隔离及对寄生频率的抑制等,通常采用双平衡混频器,它主要由二极管桥和平衡、不平衡变换器组成,电原理图如图6(图中巴仑(balun)为平衡、不平衡线路变压器)所示。

图6 双平衡混频器电原理图
四个特性相同的混频二极管按同一极性顺序连接成环形桥路,输入和本振信号通过变压器耦合,将不平衡的输入变换为平衡输出加到二极管桥的两对角线上,从而总的中频电流等于四个二极管所产生的中频电流的总和。
双平衡混频器具有主要特点如下:
(1)输入信号与本振信号之间有高隔离度;
(2)工作频带宽;
(3)动态范围大,抗过载能力强;
(4)对寄生频率有很好的抑制能力;
(5)能抑制本振引入的噪声。
第一中放也称前置中放,通常是直接和混频器相接的,它的作用是把混频器输出的微弱中频进行放大、以补偿混频器、带通滤波器以及室外、室内单元间连接的高频电缆所引起的衰减。第一中放通常直接采用集成电路块。
由于二次变频式的卫星接收系统第一中频通常选择在1 GHz左右,这个频率处于微波放大器和高频放大器的交界处,因而电路结构方式可以用分布参数、集中参数或二者的混合形式三种。
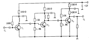
集中参数电路与一般高频放大器基本相同,电路元件用集中参数的电阻、电容和电感,参见图7。

图7 集中参数电路
由于中放是宽频带电路,所以不能使用调谐回路,元件为无引线型,电路尺寸紧凑。但由于R、C元件的离散性,往往难以得到严格符合设计要求的数值,所以单级增益低;但可以用增加级数的方法加以解决,一般由3~4级组成,增益约为20 dB。
分布参数的中放电路可以用微带形式实现,参见图8所示。可先测出晶体管的S参数,然后设计微带匹配电路。分布参数电路的优点是电路一致性较好,容易达到单级最佳性能,所以放大器一般是2~3级。

图8 分布参数电路
混合形式的电路是用一部分微带线和部分集中参数元件组成的。当第一级管子的S11值适当时,可用较短的传输线和分支微带组成输入电路,能获得较低的噪声。级间和输出电路可采用微带和集中参数元件的结合。它设计灵活,兼有分布和集中参数电路的优点。
室外单元的直流供电由连接室外单元的75 Ω高电缆芯线提供。室内单元的直流电源通过高频扼流圈传送给室外单元,它对(3.7~4.2) GHz的微波信号和第一中频信号均无影响。通常16 V~24 V的电压,一路送去LNA,另一路送到室外单元的稳压电路,稳压后供室外单元其他各级使用。
3 卫星电视下变频器的主要技术要求
由于卫星电视接收系统中天线接收到的卫星下行微波信号非常微弱,为保证信号的质量,将接收到的卫星下行频率信号进行放大并变频,C频段卫星电视下变频器应该满足的主要技术要求如下:
(1)振幅—频率特性好。振幅—频率特性是指输入电平恒定下,输入信号频率变化时输出端电平变化的特性,主要包括通频带、功率增益、增益波动及增益斜率几方面。
通频带要求下变频器的输入频段与卫星下行频段一致,输出频段与卫星接收机的输入频段一致,而且下变频器的输入输出频段的带宽一致;
功率增益是指输出功率与输入功率之比;
增益波动是指在中频输出的频带内,最大增益与最小增益之差;
增益斜率是指在中频输出的频带内,单位频带内增益的变化率。
(2)噪声系数低。噪声系数是指下变频器整体的等效输入噪声,即将整个电路产生的热噪声等效于在输入端的一个噪声源,通常用噪声温度表示。
(3)本振频率特性好。它包括第一本振频率的标称值、第一本振频率的稳定度、第一本振频率的泄漏。
(4)输入输出的电压驻波比及回波损耗小,输出的电压驻波比及回波损耗在中频频段内测量,输入的电压驻波比及回波损耗在下行微波频段内测量。
(5)功率增益高。它是指下变频器的中频信号输出功率大。
(6)增益稳定性好。这是指在中频输出的频带内增益随时间变化的起伏小。
(7)多载波互调比小。这是指多个不同频率的信号进入下变频器时的相互调制产物小。
(8)输入饱和电平高。这主要是指输入信号超过额定范围时,引起下变频器进入非线性工作区的影响小。
(9)镜像干扰抑制比高。这是表示下变频器抑制镜频信号的能力好。当下变频器工作在线性范围时,输入幅度相等的带内信号和镜频信号两者在输出端电平比即镜像干扰抑制比。
(10)群时延特性好。这是指下变频器造成的群时延小。
(11)杂散信号少。这是指互调产物之外的无用信号少。
(12)残余调制噪声小。这是指当输入端加一标称频率、标称电平的纯正弦信号时,输出信号中含有的附加噪声小。
这些技术要求中,以本振频率稳定度高、噪声温度低、幅频特性好为最重要。
以上对C频段高频头的主要技术要求可以概括成表1所示。但表1是针对接收C频段卫星模拟电视信号的高频头而言的,如果在接收卫星数字信号时,则除了选用噪声温度低,本振频率稳定度高,动态增益大外,还必须选用本振相位噪声小的高频头,因为在接收卫星数字信号时,高频头的本振相位噪声和本振频率稳定度大小对接收信号质量是至关重要的(因为会影响到数字信号的误码率)。用于数字压缩卫星接收系统的高频头要求本振相位噪声小于-65 dBc/Hz(在1 kHz处);本振频率稳定度小于±500 kHz。
表1 C频段高频头(室外单元)
电性能要求(引自GB11442-95)
峰峰值、带宽500 MHz
频道内增益波动 dB ≤1 频道内功率增益起伏
峰峰值,带宽36 MHz
输入电平
欢迎分享,转载请注明来源:内存溢出
微信扫一扫
支付宝扫一扫
评论列表(0条)