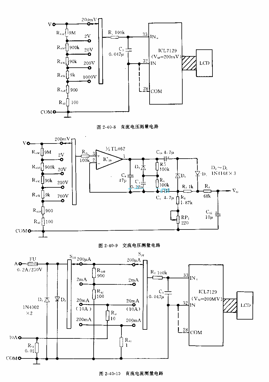
直流电流测量电路三聚氰胺奶粉•2022-8-2•技术•阅读40直流电流测量电路 欢迎分享,转载请注明来源:内存溢出原文地址:https://54852.com/dianzi/2425615.html测赞 (0)打赏 微信扫一扫 支付宝扫一扫 三聚氰胺奶粉一级用户组00 生成海报 电阻测量电路 电导测量电路上一篇 2022-08-02交流电压测量电路 下一篇2022-08-02 发表评论 请登录后评论... 登录后才能评论 提交评论列表(0条)
评论列表(0条)