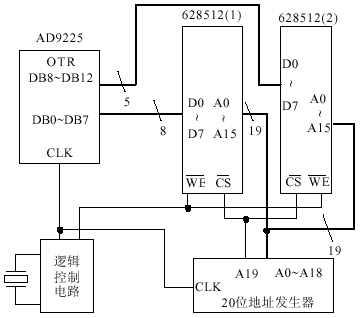
AD9225与628512的接口图dl•2022-8-2•技术•阅读29图4 AD9225与628512的接口图欢迎分享,转载请注明来源:内存溢出原文地址:https://54852.com/dianzi/2425149.htmlAD92赞 (0)打赏 微信扫一扫 支付宝扫一扫 dl一级用户组00 生成海报 模数转换ADC0804的应用(含源程序及电路)上一篇 2022-08-02基于DPWM的高速高精度积分型模数转换器 下一篇2022-08-02 发表评论 请登录后评论... 登录后才能评论 提交评论列表(0条)
评论列表(0条)