
摘 要:本文介绍了一种基于射频卡的数字式预付费电表系统,给出数字式电表的硬件和软件结构。
引言
射频卡是一种非接触式智能IC卡,它是近几年发展起来的一项新技术,它是通过无线电波进行数据传输的,没有接触式IC卡的电气触点,因此,相对于传统的接触式IC卡具有可靠性高、寿命长等优点,而得到了广泛应用。
我们用ATMEL公司TEMIC系列125kHz射频卡的读写基站芯片U2270B设计预付费数字电度表。
系统组成
整个系统由电表管理系统、射频卡、射频卡预付费数字电表三部分组成。电表管理系统用于用电管理部门对用户发行电表射频卡、用户购电写卡、用户购电信息管理。系统由微机、电表管理软件、电表专用射频卡读、写设备等组成。它完成的功能有:电表射频卡的初始化,可以设置、清除、更改密码,将用户的预购电度数写入用户卡中,同时把用户新购的电度数写入数据库。电表射频卡数据库的维护包括查询、删除、转帐和打印等。
射频卡用于记录用户序列号、预购的电度数以及所配电度表的工作参数等信息。
预付费电表根据用户预购的电度数为用户供电,并准确记录用户的用电情况,在用户预购的电度数将要用完时发出报警信息,若用户在规定的用电范围内未重新购电,电表将自动切断用户电源,直到再一次用射频卡写入预购电度数,并被确认才恢复供电。

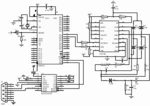
图1 射频卡读、写电路图

图2 电表框图
射频读写系统的硬件构成
TEMIC系列射频卡内有264bit的EEPROM,它分成8块(block)。8个block中,block0是控制块,用来控制卡的各种 *** 作特性,如:同步信号、编码方式、波特率、数据流长度、加密和口令唤醒等功能的启用关闭等;block1~bloc6是用户块,用来存放用户数据和信息;block7是密码块,若加密功能不被启用也可以作为用户块使用。
本系统设置基站工作在125kHz的载波频率下,采用RF/32的传输波特率,Manchester编码,使用Sequence Terminator同步信号,循环发送block1~block6的数据。在这样的工作模式配置下,位时钟周期ms =256ms。
本系统选用AT89S52单片机作为主控模块,与TEMIC系列射频卡读写模块、串口通信模块和声光提示电路共同构成了一个TEMIC系列射频卡读写器系统。系统硬件电路如图1所示。
基站天线需要用户自己绕制。一般用铜制漆包线绕直径3cm、150圈即可,电感值为1.35mH。
载波频率fosc典型值为125kHz,也可以由用户自己设定。此频率是由流入RF(15)引脚的电流值决定的,所以通过调节RF(15)和VS(14)引脚之间的限流电阻Rf1和Rf2的值就可以改变此频率,具体的计算公式如下:
Rf1+Rf2=kΩ
当fosc=125kHz时,Rf1+Rf2=110kΩ。
基站从射频卡读入的是经过125kHz载波调制后的信号,它通过CIN电容耦合输入到INPUT(4)引脚,经过低通滤波器、放大器、施密特触发器后,在OUTPUT(2)引脚输出解调后的信号。低通滤波器的截止频率由fosc决定,一般是fosc/18。INPUT引脚的耦合电容CIN以及HIPASS(16)引脚的去耦电容CHP的值决定了解调电路的高通特性,有利于更进一步虑除干扰信号。CIN和CHP的值依据射频卡的数据传输波特率的不同而不同,波特率为fosc/32下分别为:680pF和100nF。CHP与下限截止频率的关系式如下:
Ri=2.5kΩ。需要注意的是,OUTPUT引脚输出的信号只是经过了解调,并没有解码,解码任务要通过单片机编程完成。
预付费电表的硬件结构及软件
图2为数字式射频卡预付费电表的原理框图。
表头电路选用了高精度电能计量芯片AD7755,采用脉冲输出计量电量。在AD7755中只有A/D转换器和基准电路使用了模拟电路,其它所有的信号处理(如乘法、滤波)都是采用数字电路,保证了在各种极端环境条件下的稳定性和精确度。该器件具有以下特点:高精度,支持50/60HZ国际电工委员会521/1036标准,在动态范围500:l内误差小于0.1%;AD7755在频率输出端F1和F2提供平均实功率;高额输出端CF提供即时功率,可接口到MCU;在电流通道中的可编程增益放大器方便与传感器接口;片内电源监控。表头的CF端的脉冲输出经光电隔离后,与单片机的口连接。其接口电路如图3所示。
显示部分由4位LED数码显示管显示,采用动态显示模式,四只LED轮流点亮,每一位保持1ms,10ms后再次点亮重复不止。为了延长LED的使用,数码显示管的显示与控制由单片机I/O口直接驱动。
射频卡读写部分电路与上面所述的售电系统射频卡读、写器大体相同。
用户电源切断电路采用磁保持继电器及其驱动电路,由单片机的IO口配合其通和断,该电路的误动作率极低。
电源电路分为两路,一路为表头供电,一路为单片机及其所控制的电路供电,它们分别由220V交流电经变压、整流、滤波、稳压获得,两路电源各自独立,不共地。

图3 表头接口电路

图4 主监控程序流程图
图4为主监控程序流程因,在系统上电复位初始化时,先读取电表数据存储器EEPROM内的密码、电度数等数据,并实现以下功能:
当电表工作时,只要有外部中断发生,就立即执行外部中断服务程序。中断服务程序完成脉冲计数即用电计量功能。每次进入中断时,软件脉冲计数器加1,当计数值达到标准计数值,则扣电标志置起,然后退出中断程序。主监控程序查询到扣电标志置起后,将在总电度数中扣除所用电度数。
结语
本文介绍的数字式射频卡预付费电表系统,严格按照产品化的要求设计,用高精度电能计量芯片AD7755为电能测量单元,系统电路简单、经济。本系统已经实际应用在温州某非接触式IC卡预付费电度表的售电系统中,实际应用表明,该系统在精度和可靠性上都能满足设计的要求,系统运行良好,可靠性高。
欢迎分享,转载请注明来源:内存溢出
微信扫一扫
支付宝扫一扫
评论列表(0条)