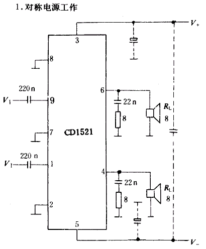
[图文]双通道音频功率放大器-1521英雄联盟之谁与争锋•2022-8-2•技术•阅读25 CD1521是2*12W低失真双通道音频功率放大器。其特点是输出功率大、失真小、输出失调电压低、通道平衡度好和带有过热和短路保护。在电源通断时,具有静噪抑制功能。该器件尤其适合用于立体声馈送(如立体声收音机和立体声电视音响)。它的外围元件很少,特别适合初学者制作。本人当初也用它做过一个小功放呢,现在在后面别外加上一个音调,还在用着呢! CD1521采用9引线塑料单列直插封装。结构框图(代换型号)见:TDA1521。典型电路: 2.单电源工作。欢迎分享,转载请注明来源:内存溢出原文地址:https://54852.com/dianzi/2423967.html图文双通1521赞 (0)打赏 微信扫一扫 支付宝扫一扫 英雄联盟之谁与争锋一级用户组00 生成海报 [图文]三极管基本放大电路上一篇 2022-08-02基于COM20022的10Mbps令牌总线局域网 下一篇2022-08-02 发表评论 请登录后评论... 登录后才能评论 提交评论列表(0条)
评论列表(0条)