
“中医神指”及其蓝牙终端总体设计
“中医神指”产品是将中医音乐疗法和按摩疗法结合起来,采用先进的微电子技术,通过蓝牙无线发送器将音乐疗法选定的音乐传送,蓝牙终端是基于PowerWise技术设计便携装置,具有高效节能的特色,通过有声有色的音频和安置在特定穴位的按摩电机同步作用,以达到疏通经络,康复身心的目的,“中医神指”产品有效将文化、健康、科技等时尚元素融合起来。
“中医神指”产品主要由主控软件Magic finger ,蓝牙无线发送器,以及蓝牙终端三部分组成,其中主控软件Magic finger界面如图1所示,包括蓝牙连接、录制指导、按摩放松、播放指导等按钮。蓝牙连接控制蓝牙适配器和神指上的蓝牙模块进行连接和配对,录制指导用于录制医生的指导建议并保存成相应的音频文件,便于蓝牙传输。播放指导调用录制医生的指导建议对使用者进行相应医疗动作,按摩放松选择医生指定的轻松柔和的音乐,给予使用者音乐治疗。

图1 Magic finger界面
蓝牙无线发送器工作频段为全球统一开放的2.4GHz工业、科学和医学(Industrial, ScienTIfic and Medical, ISM)频段,插在USB插口,如图2所示。

图2 蓝牙无线发送器
“中医神指”蓝牙终端样机如图3所示,由控制模块、蓝牙模块、音频模块、指示灯模块、电机控制模块组成。控制模块是负责对其他各个模块进行配置、控制及背景音乐的播放;蓝牙模块主要完成音频数据的接收;音频模块对声音音频放大和进行播放;电机驱动模块控制电机;指示灯模块控制指示灯。

图3 “中医神指”蓝牙终端样机
基于PowerWise技术的蓝牙终端功能单元
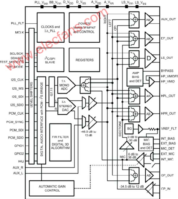
能源效率是关系到系统设计成败的关键因素,根据系统架构,在性能、功能、体积和功耗4个重要指标中权衡所有因素作出取舍,确保每一单元的功耗都能发挥出最高的性能。因此,高效能的元器件尤其重要。美国国家半导体PowerWise系列产品目前共有大约300多款集成电路,全部都属于高能效的芯片,帮助提高系统能源效率,实现低耗电、强散热、小体积和更长电池寿命等特性。“中医神指”蓝牙终端是基于PowerWise技术设计便携装置,利用美国国家半导体的PowerWise系列LM49370,LM4570,LM4675及LP3952等器件,具有高效节能的特色,其结构框图如图4所示

图4 “中医神指”蓝牙终端结构框图
音频功率放大器采用PowerWise系列产品LM49370,属于Boomer 音频功率放大器系列的音频子系统,其特点是采用扩展频谱技术,因此电磁干扰极低,而且内置D类扬声器放大器、双模式立体声耳机放大器以及可支持蓝牙收发器的专用接口,其内部框图如图5所示
点击看原图
图5 音频功率放大芯片LM49370内部框图
立体扬声采用PowerWise系列产品LM4675,一款2.65W 单声道 D 类音频功率放大器,其特点是采用扩展频谱技术,因此电磁干扰极低,无需加设滤波器,其内部框图如图6所示
点击看原图
图6 立体扬声芯片LM4675内部框图
对于便携式产品而言,系统功耗是制造商需要首先关注的问题之一,“中医神指”蓝牙终端是基于PowerWise技术设计,采用的PowerWise系列产品自适应电压调节(AVS)和阈值电压调节,将数字逻辑集成电路的工作和泄漏功耗自动降至最低,同时保持最小的系统开销。蓝牙终端根据各自独立的处理单元实际工作需要调节其供电量,以减低功耗。
结论
“中医神指”设计将中医音乐疗法和按摩疗法结合起来,“有声有色”地提供了疏通经络、康复身心等保健功能。其蓝牙终端由于使用了PowerWise器件,这些PowerWise器件都内置多个独立 *** 作的处理单元,有时这些单元全部全速工作,但有时其中部分功能会处于空闲或关闭状态。由于可以独立管理各单元的电源供应,使系统功耗达到最优。
欢迎分享,转载请注明来源:内存溢出
微信扫一扫
支付宝扫一扫
评论列表(0条)