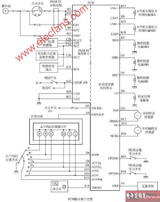
自动变速器PCM电路图及插头端子位置图音频信号分配器•2022-8-2•技术•阅读67自动变速器PCM电路图及插头端子位置图 欢迎分享,转载请注明来源:内存溢出原文地址:https://54852.com/dianzi/2422794.html变速器赞 (0)打赏 微信扫一扫 支付宝扫一扫 音频信号分配器一级用户组00 生成海报 2003年款车型巡航系统电路图 (广州本田雅阁2L2.3L上一篇 2022-08-02广州本国雅阁2L2.3L轿车ABS电路图 下一篇2022-08-02 发表评论 请登录后评论... 登录后才能评论 提交评论列表(0条)
评论列表(0条)